Części
Maszyny
Kontakt
Home
Maszyny
Zakrętarka udarowa
Bosch
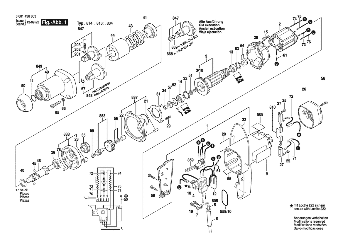
ZAKRĘTARKA UDAROWA GDS 18 E
0601436803 -
ZAKRĘTARKA UDAROWA Bosch GDS 18 E
100%
Poz:
1
2
3
4
6
7
9
11
12
13
14
15
18
19
20
21
23
25
26
27
28
29
31
32
33
34
35
39
40
41
43
44
45
46
49
50
51
52
56
57
58
61
63
64
65
66
67
71
72
73
74
75
76
78
95
3/10
805
808
810
837
838
848
853
859
868
869
859/10
67 części
Sortuj
Poz.
Nr kat.
Nazwa
Cena brutto
Ilość
Zamów
1
3605108109
Kadłub Silnika
205,53 zł
1 szt.
2
2604220429
Stojan
85,24 zł
1 szt.
3
2604010629
Twornik
235,67 zł
1 szt.
4
2607200248
Wyłącznik
271,95 zł
1 szt.
6
1600703031
Końcówka
9,72 zł
1 szt.
7
2601035001
Uchwyt Przewodu
5,29 zł
1 szt.
9
3601110365
Tabliczka Naklejana
5,29 zł
1 szt.
11
3600210134
Pierścień Samouszczeln.
4,06 zł
1 szt.
12
2607329096
Filtr Przeciwzakłóceniowy
26,32 zł
1 szt.
13
1900905018
Łożysko Kulkowe
59,53 zł
1 szt.
14
2600905021
Łożysko Kulkowe Zwykłe
28,78 zł
1 szt.
15
2603435015
Wkręt Z Rowkiem Krzyżowym
4,06 zł
3 szt.
18
2603410001
Śruba Z Łbem Walcowym
5,29 zł
2 szt.
19
2603490022
Śruba
4,06 zł
2 szt.
20
3601110367
Tabliczka Naklejana
Zapytaj
1 szt.
—
21
2917500095
Kołek Walcowy
5,29 zł
1 szt.
23
2600914010
Łożysko Igiełkowe
9,59 zł
1 szt.
25
1613435034
Wkręt O Socz. Łbie Stożk.
4,06 zł
4 szt.
26
3605500018
Pokrywa Obudowy
26,32 zł
1 szt.
27
2604337003
Uchwyt Szczotek
7,13 zł
2 szt.
28
3605500017
Pierścień Kier. Powietrza
Zapytaj
1 szt.
—
29
2604611024
Sprężyna Dociskowa
7,13 zł
4 szt.
31
3600190003
Tarcza Oporowa
13,65 zł
1 szt.
32
2916660008
Pierścień Zabezpieczajacy
7,13 zł
1 szt.
33
2604682001
Wieszak
Zapytaj
1 szt.
—
34
2600400008
Tuleja Wciskana
5,29 zł
1 szt.
35
2606317001
Koło Zębate Czołowe
110,33 zł
1 szt.
39
1900900287
Łożysko Kulkowe Zwykłe
77,74 zł
1 szt.
40
1903230007
Kula
5,29 zł
17 szt.
41
1605801018
Tuleja Łożyskowa
170,48 zł
1 szt.
43
1604619010
Sprężyna Dociskowa
20,66 zł
1 szt.
44
2608710001
Bijak
767,03 zł
1 szt.
45
1903230013
Kula
5,29 zł
2 szt.
46
2603124002
Wał Napędowy
307,13 zł
1 szt.
49
3605190188
KORPUS MECHANIZMU UDARU
377,24 zł
1 szt.
50
2600250005
Pierścień Zabezpieczający
13,65 zł
1 szt.
51
3600113007
Pierścień Dystansowy
7,13 zł
1 szt.
52
2600500002
Podkładka
5,29 zł
1 szt.
56
2600100569
Podkładka Regulacyjna
5,29 zł
1 szt.
57
2600108077
Pierścień Filcowy
5,29 zł
1 szt.
58
2910211020
Wkręt Do Blach
4,06 zł
4 szt.
61
3604431001
Przewód Elektryczny
8,36 zł
1 szt.
63
2600150004
Podkładka Regulacyjna
7,13 zł
1 szt.
64
2600101020
Podkładka Regulacyjna
5,29 zł
1 szt.
65
2910141166
Śr.Z Łb.Okr.O Gnieź.Sześ.
5,29 zł
4 szt.
66
2916690004
Pierścień Sprężysty
5,29 zł
4 szt.
67
3600224063
Pierścień Sprężysty
9,59 zł
1 szt.
71
3604503005
Filtr Przeciwzakłóceniowy
31,37 zł
1 szt.
72
3604503006
Filtr Przeciwzakłóceniowy
31,37 zł
1 szt.
73
3604431000
Przewód Elektryczny
18,08 zł
1 szt.
74
3604431019
Przewód Elektryczny
Zapytaj
1 szt.
—
75
3604431008
Przewód Elektryczny
18,08 zł
1 szt.
76
3604431020
Przewód Elektryczny
18,08 zł
1 szt.
78
2917500101
Kołek Walcowy
5,29 zł
1 szt.
95
1601110265
Tabliczka Informacyjna
Zapytaj
1 szt.
—
3/10
2606610049
Wentylator
7,13 zł
1 szt.
805
1607000227
Przewód Zasil. Sieciowy
85,24 zł
1 szt.
808
160111A3H6
Tabliczka Znamionowa
8,36 zł
1 szt.
810
1607000484
Zestaw Szczotek Węglowych
235,67 zł
1 szt.
837
3605500187
Magazyn Przejściowy
377,24 zł
1 szt.
838
3605700120
Kołnierz Pośredni
132,84 zł
1 szt.
848
3607030424
UCHWYT NARZĘDZIA
528,90 zł
1 szt.
853
3606309058
Wał Zębaty
251,90 zł
1 szt.
859
1617200042
Wyłącznik
43,91 zł
1 szt.
868
2600224007
Pierścień Sprężysty
Zapytaj
1 szt.
—
869
2600210001
Pierścień Samouszczeln.
7,13 zł
1 szt.
859/10
2600210019
Pierścień Samouszczeln.
5,29 zł
1 szt.