Części
Maszyny
Kontakt
Home
Maszyny
Zakrętarka udarowa
Bosch
ZAKRĘTARKA UDAROWA GSR 1436.7
0601436742 -
ZAKRĘTARKA UDAROWA Bosch GSR 1436.7
100%
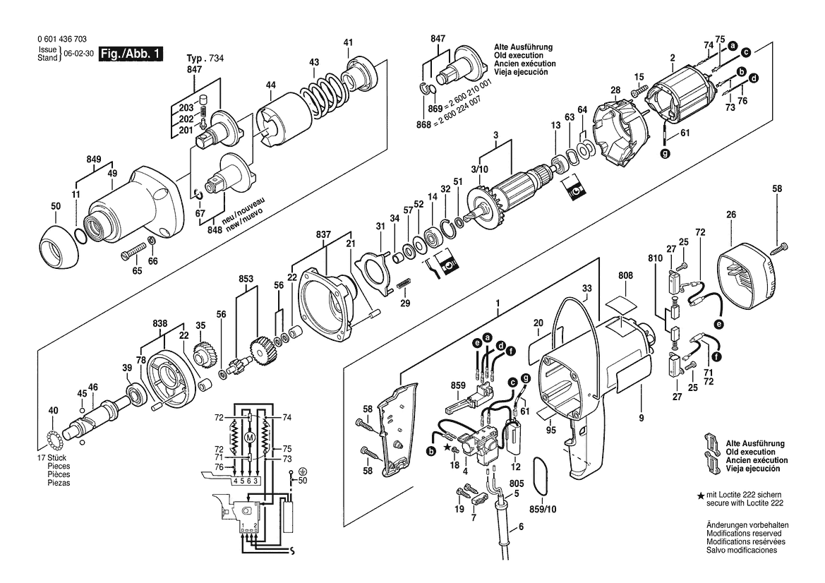
Poz:
1
2
3
4
5
6
7
9
11
12
13
14
15
18
19
20
21
22
25
26
27
28
29
31
32
33
34
35
39
40
41
43
44
45
46
49
50
51
52
56
57
58
61
63
64
65
66
67
71
72
73
74
75
76
78
3/10
808
810
837
838
848
853
859
868
869
859/10
66 części
Sortuj
Poz.
Nr kat.
Nazwa
Cena brutto
Ilość
Zamów
1
3605108049
Kadłub Silnika
Zapytaj
1 szt.
—
2
2604220430
Stojan
105,00 zł
1 szt.
—
3
2604010630
Twornik
244,00 zł
1 szt.
—
4
2607200165
Wyłącznik
Zapytaj
1 szt.
—
5
3604420003
Przewód Zasil. Sieciowy
120,79 zł
1 szt.
—
6
2600703011
Końcówka
13,00 zł
1 szt.
—
7
2601035001
Uchwyt Przewodu
9,00 zł
1 szt.
—
9
3601119000
Tabliczka Naklejana
Zapytaj
1 szt.
—
11
1900210321
Pierścień Samouszczeln.
21,00 zł
1 szt.
—
12
2607329096
Filtr Przeciwzakłóceniowy
31,00 zł
1 szt.
—
13
1900905018
Łożysko Kulkowe
66,00 zł
1 szt.
—
14
2600905021
Łożysko Kulkowe Zwykłe
34,00 zł
1 szt.
—
15
2603435015
Wkręt Z Rowkiem Krzyżowym
11,00 zł
3 szt.
—
18
2603410001
Śruba Z Łbem Walcowym
9,00 zł
2 szt.
—
19
2910211019
Wkręt Do Blach
8,00 zł
2 szt.
—
20
3601119001
Tabliczka Naklejana
Zapytaj
1 szt.
—
21
2917500095
Kołek Walcowy
9,00 zł
1 szt.
—
22
2600914010
Łożysko Igiełkowe
13,00 zł
2 szt.
—
25
2910211005
Wkręt Do Blach
8,00 zł
4 szt.
—
26
3605500018
Pokrywa Obudowy
31,00 zł
1 szt.
—
27
2604337003
Uchwyt Szczotek
11,00 zł
2 szt.
—
28
3605500017
Pierścień Kier. Powietrza
Zapytaj
1 szt.
—
29
2604611024
Sprężyna Dociskowa
11,00 zł
4 szt.
—
31
3600190003
Tarcza Oporowa
17,00 zł
1 szt.
—
32
2916660008
Pierścień Zabezpieczajacy
11,00 zł
1 szt.
—
33
2604682001
Wieszak
Zapytaj
1 szt.
—
34
2600400008
Tuleja Wciskana
9,00 zł
1 szt.
—
35
2606317001
Koło Zębate Czołowe
117,00 zł
1 szt.
—
39
1900900287
Łożysko Kulkowe Zwykłe
84,00 zł
1 szt.
—
40
1903230007
Kula
9,00 zł
17 szt.
—
41
1605801018
Tuleja Łożyskowa
178,00 zł
1 szt.
—
43
1604619010
Sprężyna Dociskowa
25,00 zł
1 szt.
—
44
2608710001
Bijak
702,00 zł
1 szt.
—
45
1903230013
Kula
11,00 zł
2 szt.
—
46
2603124002
Wał Napędowy
307,13 zł
1 szt.
—
49
3605190188
KORPUS MECHANIZMU UDARU
387,00 zł
1 szt.
—
50
2600250005
Pierścień Zabezpieczający
17,00 zł
1 szt.
—
51
3600113007
Pierścień Dystansowy
11,00 zł
1 szt.
—
52
2600500002
Podkładka
9,00 zł
1 szt.
—
56
2600100569
Podkładka Regulacyjna
9,00 zł
2 szt.
—
57
2600108077
Pierścień Filcowy
9,00 zł
1 szt.
—
58
2910211020
Wkręt Do Blach
11,00 zł
4 szt.
—
61
3604431001
Przewód Elektryczny
12,00 zł
1 szt.
—
63
2600150004
Podkładka Regulacyjna
11,00 zł
1 szt.
—
64
2600101020
Podkładka Regulacyjna
9,00 zł
1 szt.
—
65
2910011166
Śruba Z Łbem Walcowym
8,00 zł
4 szt.
—
66
2916690004
Pierścień Sprężysty
9,00 zł
4 szt.
—
67
3600224063
Pierścień Sprężysty
13,00 zł
1 szt.
—
71
3604503003
Człon Przeciwzakłóceniowy
25,00 zł
1 szt.
—
72
3604503004
Człon Przeciwzakłóceniowy
Zapytaj
1 szt.
—
73
3604431000
Przewód Elektryczny
22,00 zł
1 szt.
—
74
3604431007
Przewód Elektryczny
Zapytaj
1 szt.
—
75
3604431008
Przewód Elektryczny
22,00 zł
1 szt.
—
76
3604431009
Przewód Elektryczny
Zapytaj
1 szt.
—
78
2917500101
Kołek Walcowy
9,00 zł
1 szt.
—
3/10
2606610049
Wentylator
11,00 zł
1 szt.
—
808
160111A3H3
Tabliczka Znamionowa
12,00 zł
1 szt.
—
810
2604321905
Zestaw Szczotek Węglowych
31,00 zł
1 szt.
—
837
3605500187
Magazyn Przejściowy
387,00 zł
1 szt.
—
838
3605700120
Kołnierz Pośredni
140,00 zł
1 szt.
—
848
3607030424
UCHWYT NARZĘDZIA
484,00 zł
1 szt.
—
853
3606309058
Wał Zębaty
261,00 zł
1 szt.
—
859
2607200206
Przełącznik
Zapytaj
1 szt.
—
868
2600224007
Pierścień Sprężysty
Zapytaj
1 szt.
—
869
2600210001
Pierścień Samouszczeln.
11,00 zł
1 szt.
—
859/10
2600210019
Pierścień Samouszczeln.
9,00 zł
1 szt.
—