Części
Maszyny
Kontakt
Home
Maszyny
Wyrzynarki
DeWalt
Wyrzynarka
DW301-Type-1 -
Wyrzynarka DeWalt
100%
Poz:
1
2
3
4
5
6
7
8
9
10
11
12
13
14
15
16
17
18
19
20
21
22
23
24
25
26
27
28
29
30
31
32
33
34
35
36
37
38
39
40
41
42
43
44
45
46
47
48
49
50
51
52
53
54
55
56
57
58
59
60
66
61 części
Sortuj
Poz.
Nr kat.
Nazwa
Cena brutto
Ilość
Zamów
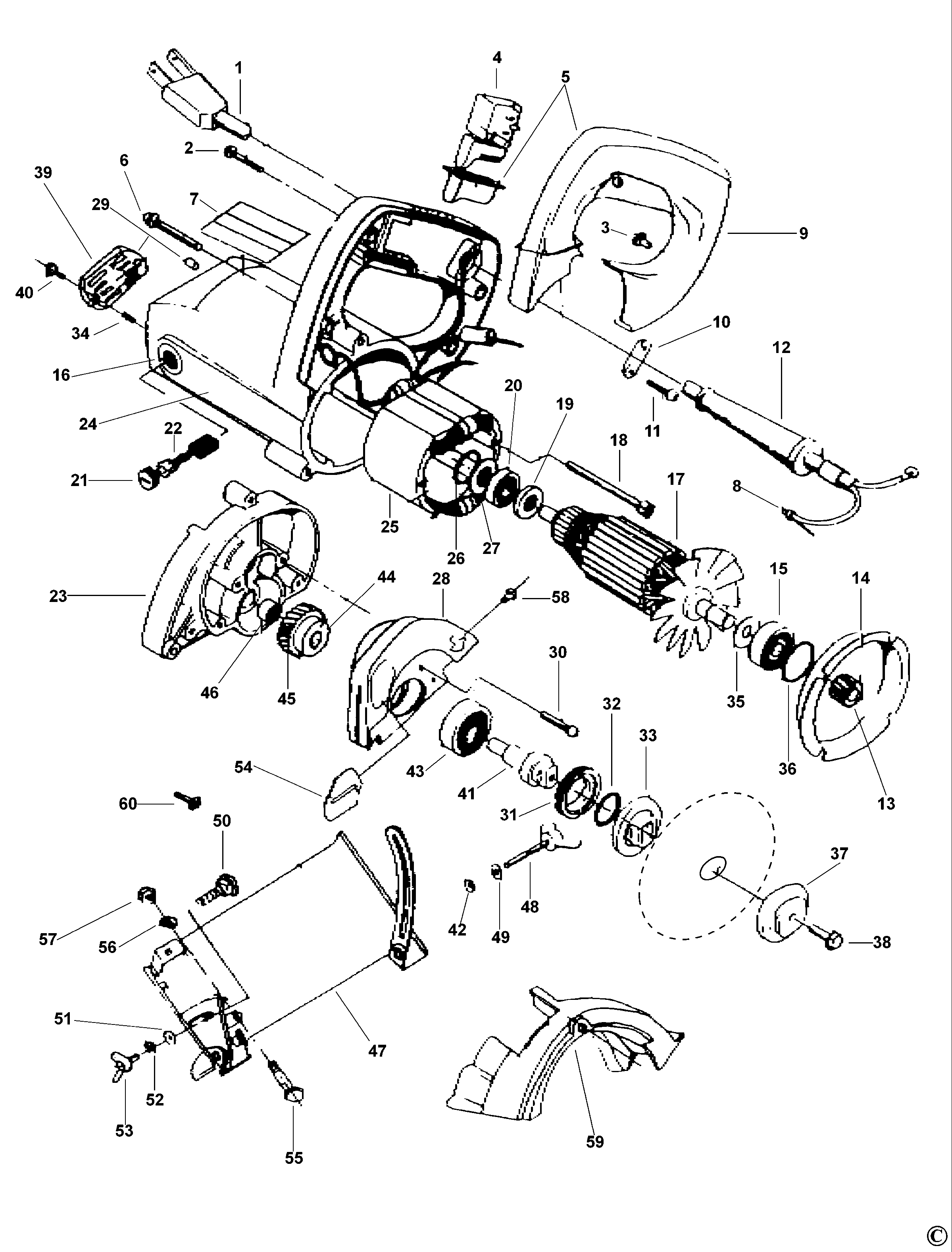
1
000000-00
Już Nie Dostępne
Zapytaj
1 szt.
—
2
000000-00
Już Nie Dostępne
Zapytaj
1 szt.
—
3
000000-00
Już Nie Dostępne
Zapytaj
1 szt.
—
4
6010128-04
Wyłącznik
Zapytaj
1 szt.
—
5
000000-00
Już Nie Dostępne
Zapytaj
1 szt.
—
6
000000-00
Już Nie Dostępne
Zapytaj
1 szt.
—
7
000000-00
Już Nie Dostępne
Zapytaj
1 szt.
—
8
000000-00
Już Nie Dostępne
Zapytaj
1 szt.
—
9
000000-00
Już Nie Dostępne
Zapytaj
1 szt.
—
10
000000-00
Już Nie Dostępne
Zapytaj
1 szt.
—
11
000000-00
Już Nie Dostępne
Zapytaj
1 szt.
—
12
6010128-12
Osłona Przewodu
Zapytaj
1 szt.
—
13
6010128-13
Przekładnia
Zapytaj
1 szt.
—
14
000000-00
Już Nie Dostępne
Zapytaj
1 szt.
—
15
6010128-15
Łożysko
Zapytaj
1 szt.
—
16
6010128-16
Szczotkotrzymacz
Zapytaj
1 szt.
—
17
000000-00
Już Nie Dostępne
Zapytaj
1 szt.
—
18
000000-00
Już Nie Dostępne
Zapytaj
1 szt.
—
19
000000-00
Już Nie Dostępne
Zapytaj
1 szt.
—
20
605040-63
Łożysko
15,00 zł
1 szt.
—
21
000000-00
Już Nie Dostępne
Zapytaj
1 szt.
—
22
000000-00
Już Nie Dostępne
Zapytaj
1 szt.
—
23
6010128-23
Skrzynka Przekładni
Zapytaj
1 szt.
—
24
000000-00
Już Nie Dostępne
Zapytaj
1 szt.
—
25
000000-00
Już Nie Dostępne
Zapytaj
1 szt.
—
26
000000-00
Już Nie Dostępne
Zapytaj
1 szt.
—
27
000000-00
Już Nie Dostępne
Zapytaj
1 szt.
—
28
6010128-28
Osłona
Zapytaj
1 szt.
—
29
000000-00
Już Nie Dostępne
Zapytaj
1 szt.
—
30
000000-00
Już Nie Dostępne
Zapytaj
1 szt.
—
31
6010128-31
Pokrywa Łożyska
Zapytaj
1 szt.
—
32
6010128-32
O-Ring
Zapytaj
1 szt.
—
33
6010128-33
Pierścień Wewnętrzny
Zapytaj
1 szt.
—
34
000000-00
Już Nie Dostępne
Zapytaj
1 szt.
—
35
000000-00
Już Nie Dostępne
Zapytaj
1 szt.
—
36
000000-00
Już Nie Dostępne
Zapytaj
1 szt.
—
37
6010128-37
Nakrętka Zewnętrzna
Zapytaj
1 szt.
—
38
000000-00
Już Nie Dostępne
Zapytaj
1 szt.
—
39
000000-00
Już Nie Dostępne
Zapytaj
1 szt.
—
40
000000-00
Już Nie Dostępne
Zapytaj
1 szt.
—
41
000000-00
Już Nie Dostępne
Zapytaj
1 szt.
—
42
000000-00
Już Nie Dostępne
Zapytaj
1 szt.
—
43
6010128-43
Łożysko Wrzeciona
Zapytaj
1 szt.
—
44
000000-00
Już Nie Dostępne
Zapytaj
1 szt.
—
45
6010128-45
Przekładnia
Zapytaj
1 szt.
—
46
6010128-46
Łożysko
Zapytaj
1 szt.
—
47
000000-00
Już Nie Dostępne
Zapytaj
1 szt.
—
48
000000-00
Już Nie Dostępne
Zapytaj
1 szt.
—
49
000000-00
Już Nie Dostępne
Zapytaj
1 szt.
—
50
000000-00
Już Nie Dostępne
Zapytaj
1 szt.
—
51
000000-00
Już Nie Dostępne
Zapytaj
1 szt.
—
52
000000-00
Już Nie Dostępne
Zapytaj
1 szt.
—
53
000000-00
Już Nie Dostępne
Zapytaj
1 szt.
—
54
000000-00
Już Nie Dostępne
Zapytaj
1 szt.
—
55
000000-00
Już Nie Dostępne
Zapytaj
1 szt.
—
56
000000-00
Już Nie Dostępne
Zapytaj
1 szt.
—
57
000000-00
Już Nie Dostępne
Zapytaj
1 szt.
—
58
000000-00
Już Nie Dostępne
Zapytaj
1 szt.
—
59
000000-00
Już Nie Dostępne
Zapytaj
1 szt.
—
60
000000-00
Już Nie Dostępne
Zapytaj
1 szt.
—
66
6010128-66
Szczotka
Zapytaj
1 szt.
—