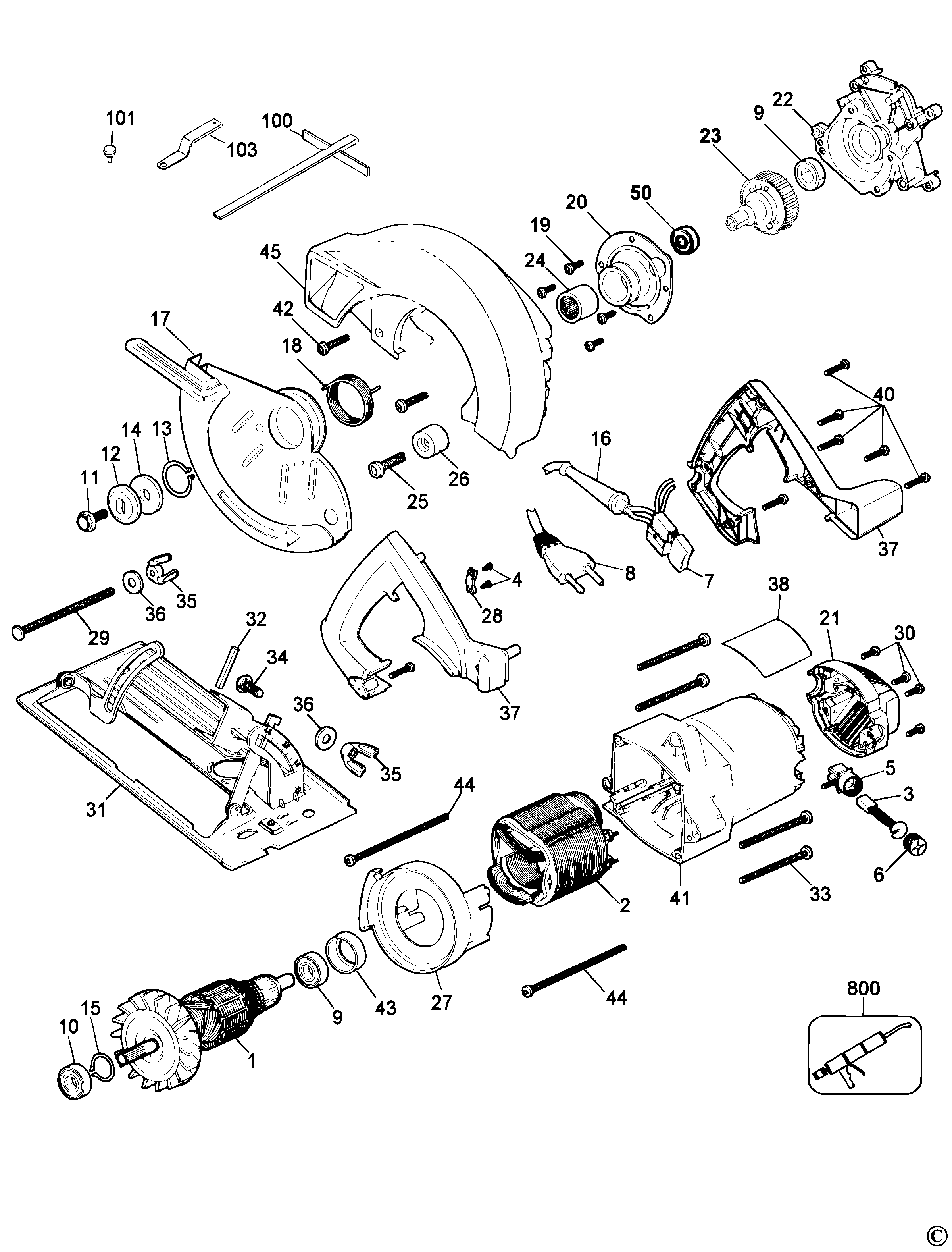
Części
Maszyny
Kontakt
Home
Maszyny
Wyrzynarki
DeWalt
Wyrzynarka
DW352-Type-2 -
Wyrzynarka DeWalt
100%
Poz:
3
4
5
6
7
9
10
11
12
13
14
15
16
16
17
18
19
20
21
22
23
24
25
26
27
28
29
30
31
32
33
34
35
36
37
40
41
42
43
44
45
50
101
103
800
45 części
Sortuj
Poz.
Nr kat.
Nazwa
Cena brutto
Ilość
Zamów
3
450374-12
Szczotka I Sprężyna
32,00 zł
1 szt.
—
4
562097-00
Śruba
7,00 zł
1 szt.
—
5
448083-01
Zestaw Ze Szczotkami - Podzespół
27,00 zł
1 szt.
—
6
448084-01
Osłona Szczotki
Zapytaj
1 szt.
—
7
380772-00
Wyłącznik
Zapytaj
1 szt.
—
9
605040-63
Łożysko
15,00 zł
1 szt.
—
10
605040-20
Łożysko
18,00 zł
1 szt.
—
11
70907-00
Śruba
Zapytaj
1 szt.
—
12
142950-00
Podkładka Zewnętrzna Zaciskowa
9,00 zł
1 szt.
—
13
133876-00
Ustalacz
Zapytaj
1 szt.
—
14
142949-00
Zacisk Brzeszczotu
Zapytaj
1 szt.
—
15
696060-00
Ustalacz
7,00 zł
1 szt.
—
16
N918736
Osłona Przewodu
7,00 zł
1 szt.
—
16
N542553
Osłona Przewodu
Zapytaj
1 szt.
—
17
140653-00
Osłona
Zapytaj
1 szt.
—
18
151918-00
Sprężyna
Zapytaj
1 szt.
—
19
158472-00
Śruba
7,00 zł
1 szt.
—
20
155455-00
Pokrywa Skrzynki Przekładni
Zapytaj
1 szt.
—
21
449460-01
Zakończenie
Zapytaj
1 szt.
—
22
153170-00
Skrzynka Przekładni
Zapytaj
1 szt.
—
23
155461-02
Przekładnia I Wrzeciono
Zapytaj
1 szt.
—
24
70473-00
Łożysko
Zapytaj
1 szt.
—
25
131890-00
Śruba
Zapytaj
1 szt.
—
26
131982-00
Odbój
Zapytaj
1 szt.
—
27
155453-00
Przegroda
Zapytaj
1 szt.
—
28
185328-00
Zacisk Przewodu
Zapytaj
1 szt.
—
29
679139-00
Śruba
Zapytaj
1 szt.
—
30
330019-13
Śruba
7,00 zł
1 szt.
—
31
95100-19
Stopa
Zapytaj
1 szt.
—
32
695197-00
Kołek Okrągły
Zapytaj
1 szt.
—
33
142881-00
Śruba
Zapytaj
1 szt.
—
34
38910-00
Śruba
Zapytaj
1 szt.
—
35
90914-00
Nakrętka Wing
Zapytaj
1 szt.
—
36
5130830-00
Podkładka
Zapytaj
1 szt.
—
37
385668-07
Uchwyt - Podzespół
Zapytaj
1 szt.
—
40
330019-14
Śruba
7,00 zł
1 szt.
—
41
155452-00
Skrzynka Pola
Zapytaj
1 szt.
—
42
399729-00
Śruba
Zapytaj
1 szt.
—
43
445217-02
Tuleja
7,00 zł
1 szt.
—
44
144461-00
Screw.Temp
Zapytaj
1 szt.
—
45
188515-00
Osłona Górna
Zapytaj
1 szt.
—
50
605040-25
Bearing,Ball
18,00 zł
1 szt.
—
101
73199-00
Śruba
Zapytaj
1 szt.
—
103
N035355
Klucz
14,00 zł
1 szt.
—
800
5140061-28
Smar
137,00 zł
1 szt.
—