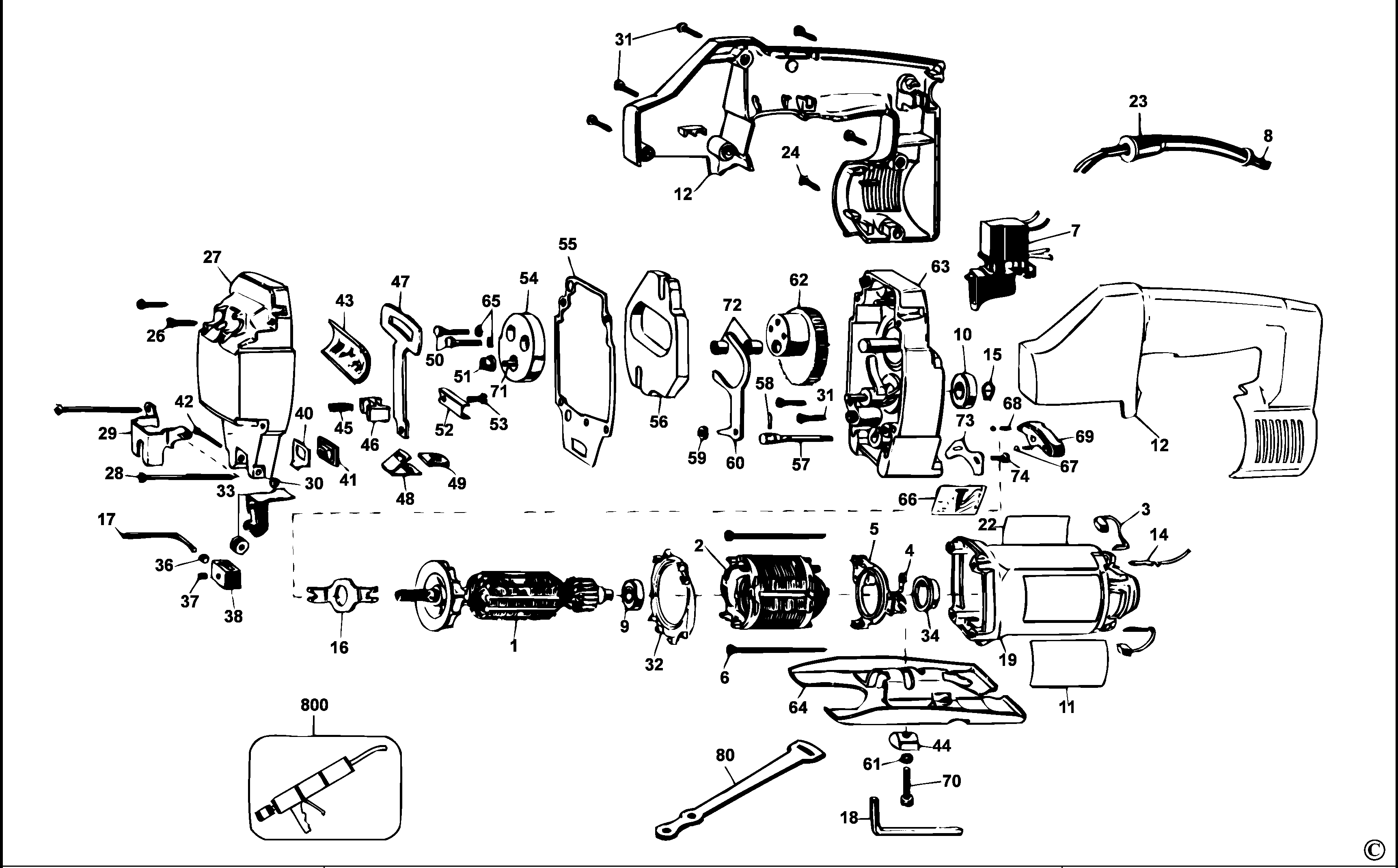
Części
Maszyny
Kontakt
Home
Maszyny
Wyrzynarki
DeWalt
Wyrzynarka
DW318-Type-1 -
Wyrzynarka DeWalt
100%
Poz:
1
1
2
3
4
5
6
7
7
8
9
10
11
12
14
15
16
17
18
19
22
23
23
24
26
27
28
29
30
31
32
33
34
36
37
38
40
41
42
43
44
45
46
47
48
49
50
51
52
53
54
55
56
57
58
59
60
61
62
63
64
65
66
67
68
69
70
71
72
73
74
80
800
73 części
Sortuj
Poz.
Nr kat.
Nazwa
Cena brutto
Ilość
Zamów
1
5140006-41
Silnik Sa 230V
Zapytaj
1 szt.
—
1
5140006-40
Silnik Sa 115V
Zapytaj
1 szt.
—
2
5140006-41
Silnik Sa 230V
Zapytaj
1 szt.
—
3
445861-07
Szczotka I Prowadnica
Zapytaj
1 szt.
—
4
445860-00
Sprężyna Szczotki
7,00 zł
1 szt.
—
5
449899-05
Pierścień
32,00 zł
1 szt.
—
6
445880-00
Śruba
7,00 zł
1 szt.
—
7
380733-00
Przełącznik 115V
Zapytaj
1 szt.
—
7
380763-00
Przełącznik 220V
Zapytaj
1 szt.
—
8
185081-02
Przewód
Zapytaj
1 szt.
—
9
605040-06
Bearing,Ball
15,00 zł
1 szt.
—
10
605040-15
Łożysko Ball
18,00 zł
1 szt.
—
11
395047-00
Etykieta Towarowa
7,00 zł
1 szt.
—
12
603209-00
Uchwyt - Podzespół
Zapytaj
1 szt.
—
14
449192-00
Zacisk
Zapytaj
1 szt.
—
15
444793-00
Pierścień Sprężynujący
7,00 zł
1 szt.
—
16
445874-00
Ustalacz
Zapytaj
1 szt.
—
17
99056-04
Nóż Tnący
Zapytaj
1 szt.
—
18
098000-11
Klucz Sześciokątny
7,00 zł
1 szt.
—
19
445857-03
Skrzynka Pola
Zapytaj
1 szt.
—
22
000000-00
Już Nie Dostępne
Zapytaj
1 szt.
—
23
N918736
Osłona Przewodu
7,00 zł
1 szt.
—
23
N542553
Osłona Przewodu
Zapytaj
1 szt.
—
24
330019-13
Śruba
7,00 zł
1 szt.
—
26
330045-08
Śruba
7,00 zł
1 szt.
—
27
133775-03
Pokrywa Skrzynki Przekładni
Zapytaj
1 szt.
—
28
330019-27
Śruba
7,00 zł
1 szt.
—
29
400765-00
Osłona
Zapytaj
1 szt.
—
30
133825-00
Klips
Zapytaj
1 szt.
—
31
330019-14
Śruba
7,00 zł
1 szt.
—
32
445876-00
Przegroda
9,00 zł
1 szt.
—
33
608389-00
Wspornik
Zapytaj
1 szt.
—
34
445217-02
Tuleja
7,00 zł
1 szt.
—
36
445405-00
Śruba
Zapytaj
1 szt.
—
37
330022-16
Śruba
7,00 zł
1 szt.
—
38
444520-00
Zacisk Brzeszczotu
Zapytaj
1 szt.
—
40
133751-00
Tarcza Osłonowa
Zapytaj
1 szt.
—
41
133755-00
Uszczelniacz
Zapytaj
1 szt.
—
42
133820-00
Kołek
Zapytaj
1 szt.
—
43
133847-00
Olejarka
Zapytaj
1 szt.
—
44
133750-00
Zacisk
Zapytaj
1 szt.
—
45
49161-00
Sprężyna
Zapytaj
1 szt.
—
46
133756-00
Łożysko
Zapytaj
1 szt.
—
47
445387-00
Pręt
Zapytaj
1 szt.
—
48
450285-00
Płyta
Zapytaj
1 szt.
—
49
133807-00
Uszczelniacz
Zapytaj
1 szt.
—
50
98022-26
Śruba
Zapytaj
1 szt.
—
51
620203-00
Wałek
Zapytaj
1 szt.
—
52
133844-00
Łożysko
Zapytaj
1 szt.
—
53
330045-05
Śruba
7,00 zł
1 szt.
—
54
133828-01SV
Płyta
Zapytaj
1 szt.
—
55
133765-00
Uszczelnienie
Zapytaj
1 szt.
—
56
133761-00
Waga
Zapytaj
1 szt.
—
57
429882-64
Pręt
Zapytaj
1 szt.
—
58
98185-20
Kołek
Zapytaj
1 szt.
—
59
330015-07
Podkładka
Zapytaj
1 szt.
—
60
133799-00
Widełki
Zapytaj
1 szt.
—
61
098198-05
Podkładka
7,00 zł
1 szt.
—
62
133827-02SV
Przekładnia - Podzespół
Zapytaj
1 szt.
—
63
448817-02
Skrzynka Przekładni - Podzespół
Zapytaj
1 szt.
—
64
133770-00
Stopa
Zapytaj
1 szt.
—
65
445687-00
Podkładka
Zapytaj
1 szt.
—
66
449193-01
Etykieta
Zapytaj
1 szt.
—
67
000475-00
Kulka Stalowa
7,00 zł
1 szt.
—
68
604892-00
Sprężyna
Zapytaj
1 szt.
—
69
448809-00
Gałka
Zapytaj
1 szt.
—
70
98121-31
Śruba
Zapytaj
1 szt.
—
71
386700-00
Kołek
Zapytaj
1 szt.
—
72
330004-06
Łożysko Igiełkowe
12,00 zł
1 szt.
—
73
449977-00
Kwadrant
Zapytaj
1 szt.
—
74
80164-00
Śruba
7,00 zł
1 szt.
—
80
65288-02
Uchwyt
Zapytaj
1 szt.
—
800
870889-02
Smar
51,00 zł
1 szt.
—