Części
Maszyny
Kontakt
Home
Maszyny
Wyrzynarki
DeWalt
Wyrzynarka
DW323-Type-3 -
Wyrzynarka DeWalt
100%
Poz:
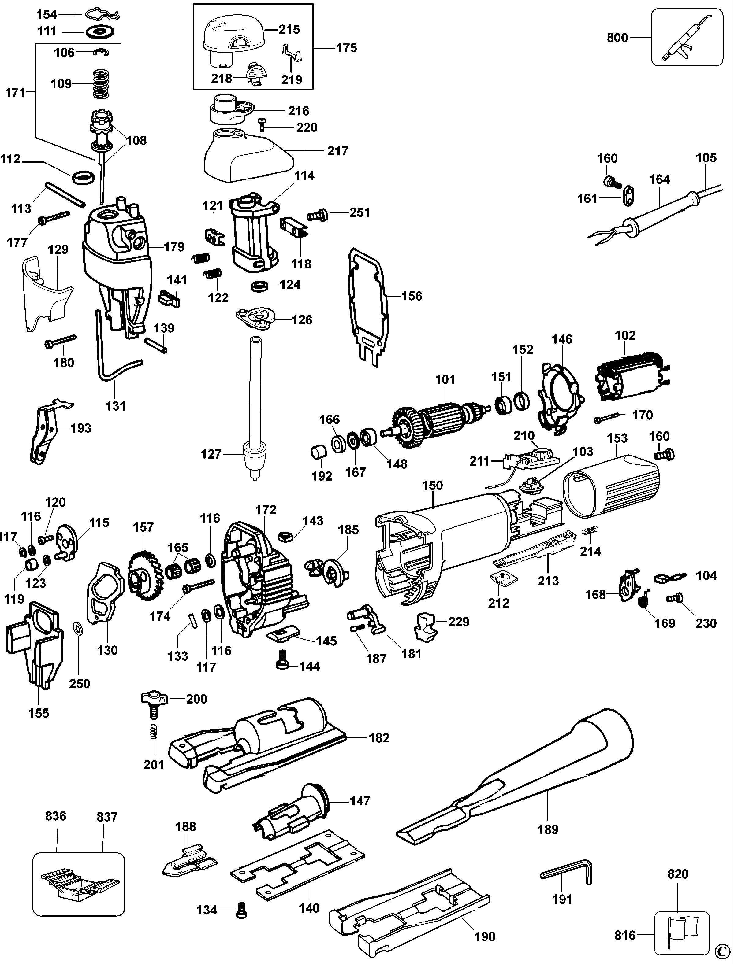
101
102
103
104
105
106
108
109
111
112
113
114
115
116
117
118
119
120
121
122
123
124
126
127
129
130
131
133
134
139
140
141
143
144
145
146
147
148
150
151
152
153
154
155
156
157
160
161
164
165
166
167
168
169
170
171
172
174
175
177
179
180
181
182
185
187
188
189
190
191
192
193
200
201
210
211
211
212
213
214
215
216
217
218
219
220
229
230
250
251
800
816
820
836
837
95 części
Sortuj
Poz.
Nr kat.
Nazwa
Cena brutto
Ilość
Zamów
101
577357-02
Twornik I Wentylator
Zapytaj
1 szt.
—
102
402051-02
Stojan 230V
Zapytaj
1 szt.
—
103
402434-00
Wyłącznik - Podzespół
Zapytaj
1 szt.
—
104
939539-01
Odcięcie Szczotki
16,00 zł
1 szt.
—
105
330120-86
Przewód Zasilający
69,00 zł
1 szt.
—
106
860322-01
Pierścień Sprężynujący
7,00 zł
1 szt.
—
108
402960-00
Sprzęgło - Podzespół
Zapytaj
1 szt.
—
109
402110-00
Sprężyna
Zapytaj
1 szt.
—
111
949876-21
Podkładka
Zapytaj
1 szt.
—
112
402154-00
Klocek Do Szlifowania
Zapytaj
1 szt.
—
113
402105-00
Kołek
Zapytaj
1 szt.
—
114
402153-00
Podpora
Zapytaj
1 szt.
—
115
402161-00SV
Mimośród - Podzespół
Zapytaj
1 szt.
—
116
932302-00
Podkładka
7,00 zł
1 szt.
—
117
949728-04
Pierścień Sprężynujący
Zapytaj
1 szt.
—
118
402118-00
Jarzmo
Zapytaj
1 szt.
—
119
402155-00
Panew
Zapytaj
1 szt.
—
120
N056875
Śruba Torx
7,00 zł
1 szt.
—
121
399146-00
Zacisk
Zapytaj
1 szt.
—
122
933524-00
Sprężyna
Zapytaj
1 szt.
—
123
949876-20
Podkładka
Zapytaj
1 szt.
—
124
949400-00
Filc
Zapytaj
1 szt.
—
126
402177-00
Uszczelniacz - Podzespół
Zapytaj
1 szt.
—
127
948603-00SV
Wrzeciono
Zapytaj
1 szt.
—
129
389599-00
Osłona
Zapytaj
1 szt.
—
130
402097-00
Krzywka
Zapytaj
1 szt.
—
131
402116-00
Osłona
Zapytaj
1 szt.
—
133
330041-08
Kołek
Zapytaj
1 szt.
—
134
N056875
Śruba Torx
7,00 zł
1 szt.
—
139
330041-29
Kołek
7,00 zł
1 szt.
—
140
402146-00
Podstawa Silnika
Zapytaj
1 szt.
—
141
402151-00
Klocek Do Szlifowania
Zapytaj
1 szt.
—
143
860310-00
Nakrętka
Zapytaj
1 szt.
—
144
390908-00
Śruba
Zapytaj
1 szt.
—
145
402652-00
Płyta
Zapytaj
1 szt.
—
146
388968-01
Przegroda
Zapytaj
1 szt.
—
147
402176-00
Złączka
Zapytaj
1 szt.
—
148
605040-05
Łożysko
9,00 zł
1 szt.
—
150
402429-03
Skrzynka Pola
Zapytaj
1 szt.
—
151
330003-02
Łożysko
Zapytaj
1 szt.
—
152
930029-00
Uchwyt Bearing
7,00 zł
1 szt.
—
153
402430-03
Zakończenie
Zapytaj
1 szt.
—
154
402111-00
Sprężyna
Zapytaj
1 szt.
—
155
402098-00
Przeciwwaga
Zapytaj
1 szt.
—
156
402112-00
Uszczelnienie
Zapytaj
1 szt.
—
157
611147-00
Przekładnia - Podzespół
Zapytaj
1 szt.
—
160
330065-08
Śruba
7,00 zł
1 szt.
—
161
935616-00
Zacisk Przewodu
Zapytaj
1 szt.
—
164
401088-01
Osłona Przewodu
7,00 zł
1 szt.
—
165
402091-00
Łożysko
Zapytaj
1 szt.
—
166
949400-03
Filc
Zapytaj
1 szt.
—
167
402125-00
Pokrywa
Zapytaj
1 szt.
—
168
949880-05
Uchwty Szczotki - Podzespół
Zapytaj
1 szt.
—
169
930090-00
Sprężyna Szczotki
Zapytaj
1 szt.
—
170
931469-02
Śruba
Zapytaj
1 szt.
—
171
402158-04
Sprzęgło - Podzespół
Zapytaj
1 szt.
—
172
387850-00
Skrzynka Przekładni - Podzespół
Zapytaj
1 szt.
—
174
930079-01
Śruba
Zapytaj
1 szt.
—
175
402962-00
Gałka - Podzespół
Zapytaj
1 szt.
—
177
949870-08
Śruba
Zapytaj
1 szt.
—
179
389870-02
Pokrywa Skrzynki Przekładni
Zapytaj
1 szt.
—
180
930082-01
Śruba
8,00 zł
1 szt.
—
181
329977-00
Dźwignia
Zapytaj
1 szt.
—
182
429802-01
Zestaw Naprawczy
Zapytaj
1 szt.
—
185
329979-01
Dźwignia
Zapytaj
1 szt.
—
187
326467-00
Zapadka
7,00 zł
1 szt.
—
188
402140-00
Osłona Przed Odłamkami
8,00 zł
1 szt.
—
189
402138-00
Rura
Zapytaj
1 szt.
—
190
402147-00
Płyta
Zapytaj
1 szt.
—
191
930574-00
Klucz Imbusowy 5 Mm
7,00 zł
1 szt.
—
192
402191-00
Panew
Zapytaj
1 szt.
—
193
388577-00
Podpora - Podzespół
Zapytaj
1 szt.
—
200
025922908
Gałka
Zapytaj
1 szt.
—
201
868082-00
Sprężyna
7,00 zł
1 szt.
—
210
402447-00
Koło
Zapytaj
1 szt.
—
211
402187-04
ELECTRONIC & SWITCH
Zapytaj
1 szt.
—
211
402187-06
ELECTRONIC & SWITCH
Zapytaj
1 szt.
—
212
402433-01
Przycisk
Zapytaj
1 szt.
—
213
402432-00
Dźwignia
Zapytaj
1 szt.
—
214
N406641
Ugięcie Resoru
7,00 zł
1 szt.
—
215
402133-00
Gałka
Zapytaj
1 szt.
—
216
402131-00
Gałka
Zapytaj
1 szt.
—
217
402128-03
Pokrywa
Zapytaj
1 szt.
—
218
402659-00
Przycisk
Zapytaj
1 szt.
—
219
402959-00
Wkładka
Zapytaj
1 szt.
—
220
860094-03
Śruba
7,00 zł
1 szt.
—
229
388911-00
Podpora
Zapytaj
1 szt.
—
230
330065-06
Śruba
7,00 zł
1 szt.
—
250
609364-00
Dystans
Zapytaj
1 szt.
—
251
603215-00
Screw.Special
Zapytaj
1 szt.
—
800
870889-02
Smar
51,00 zł
1 szt.
—
816
946194-00
Etykieta Towarowa
7,00 zł
1 szt.
—
820
569037-00
Tabliczka Znamionowa
18,00 zł
1 szt.
—
836
559635-99
Przyrząd Montażowy
Zapytaj
1 szt.
—
837
559636-99
Elektronarzędzie Serwisowe
Zapytaj
1 szt.
—