Części
Maszyny
Kontakt
Home
Maszyny
Wyrzynarki
DeWalt
Wyrzynarka
DW351-Type-7 -
Wyrzynarka DeWalt
100%
Poz:
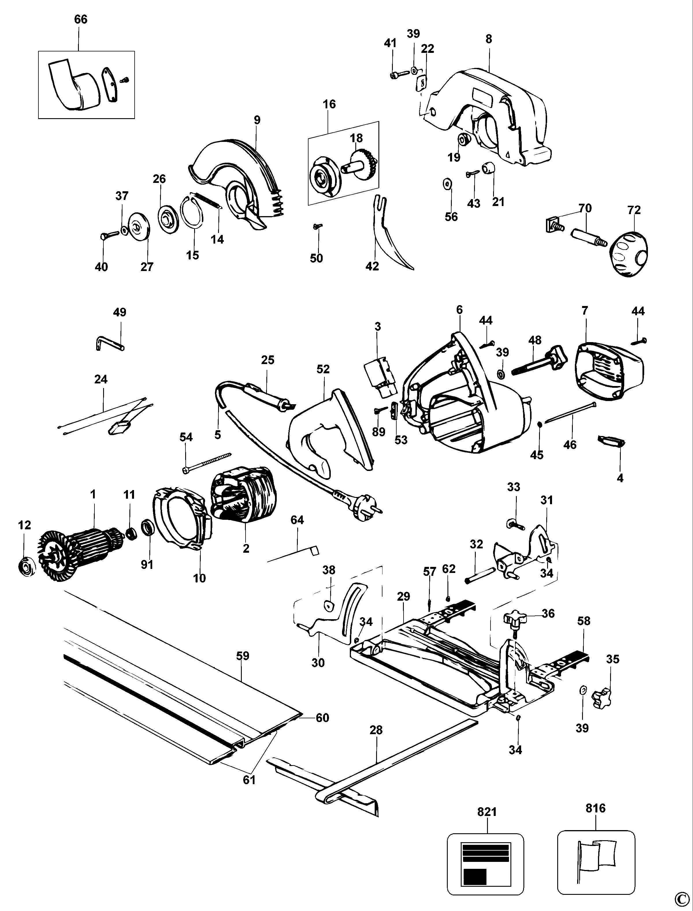
1
2
3
4
5
6
7
8
9
10
11
12
14
15
16
18
19
21
22
24
25
26
27
28
29
30
31
32
33
34
35
36
37
38
39
40
41
42
43
44
45
46
48
49
52
53
54
56
57
58
59
60
61
62
64
66
70
72
89
91
816
821
62 części
Sortuj
Poz.
Nr kat.
Nazwa
Cena brutto
Ilość
Zamów
1
590706-00
Twornik I Wentylator
Zapytaj
1 szt.
—
2
590705-00
Stojan 230V
Zapytaj
1 szt.
—
3
590976-00
Wyłącznik
Zapytaj
1 szt.
—
4
247533-11
BRUSH & HOLDER 230V
69,00 zł
1 szt.
—
5
379091
Cordset (Euro)
Zapytaj
1 szt.
—
6
591211-21
Skrzynka Pola - Zestaw
Zapytaj
1 szt.
—
7
247054-20
Pokrywa Tylna
Zapytaj
1 szt.
—
8
941052-00
Skrzynka Przekładni
Zapytaj
1 szt.
—
9
940970-01
Osłona
Zapytaj
1 szt.
—
10
590700-00
Baffle Fan
Zapytaj
1 szt.
—
11
N110358
Łożysko
18,00 zł
1 szt.
—
12
143830000
Łożysko
Zapytaj
1 szt.
—
14
248813-00
Sprężyna
Zapytaj
1 szt.
—
15
860079-05
Pierścień Sprężynujący
7,00 zł
1 szt.
—
16
590729-00
Pokrywa - Podzespół
Zapytaj
1 szt.
—
18
590704-00
Przekładnia - Podzespół
Zapytaj
1 szt.
—
19
151980150
Łożysko Zgrzewane
Zapytaj
1 szt.
—
21
761306-00
Odbój
7,00 zł
1 szt.
—
22
940969-51
Płyta
Zapytaj
1 szt.
—
24
590710-00
Kondensator 220/240
Zapytaj
1 szt.
—
25
916969
Ochraniacz
Zapytaj
1 szt.
—
26
590697-00
Zacisk
Zapytaj
1 szt.
—
27
590698-00
Zacisk Zewnętrzny
Zapytaj
1 szt.
—
28
249226-00
Prowadnica
Zapytaj
1 szt.
—
29
151115101
Podstawa
Zapytaj
1 szt.
—
30
248864-00
Podpora Obrotowa
Zapytaj
1 szt.
—
31
378929-00
Wspornik - Podzespół
Zapytaj
1 szt.
—
32
249107-00
Wrzeciono
Zapytaj
1 szt.
—
33
249406-00
Śruba
Zapytaj
1 szt.
—
34
860322-03
Pierścień Sprężynujący
Zapytaj
1 szt.
—
35
744324
Gałka - Podzespół
Zapytaj
1 szt.
—
36
744325
Screw.Special
Zapytaj
1 szt.
—
37
725342
Podkładka
Zapytaj
1 szt.
—
38
151112400
Nakrętka
Zapytaj
1 szt.
—
39
249221-00
Podkładka
7,00 zł
1 szt.
—
40
744323
Śruba
Zapytaj
1 szt.
—
41
249408-10
Śruba
Zapytaj
1 szt.
—
42
248863-00
Klin Rozszczepiający
Zapytaj
1 szt.
—
43
249403-00
Śruba
Zapytaj
1 szt.
—
44
249437-01
Śruba
Zapytaj
1 szt.
—
45
093820600
Podkładka Blokująca
Zapytaj
1 szt.
—
46
101811100
Śruba
Zapytaj
1 szt.
—
48
248866-00
Śruba Wing
Zapytaj
1 szt.
—
49
725927
Klucz Imbusowy 5 Mm
Zapytaj
1 szt.
—
52
324617-11
Pokrywa
Zapytaj
1 szt.
—
53
378975
Zacisk Przewodu
Zapytaj
1 szt.
—
54
868528-00
Śruba
Zapytaj
1 szt.
—
56
142930194
Podkładka
Zapytaj
1 szt.
—
57
249437-00
Śruba
Zapytaj
1 szt.
—
58
249116-00
Ucho
Zapytaj
1 szt.
—
59
151237700
Osłona
Zapytaj
1 szt.
—
60
088207058
Guma Strip 30X1500
Zapytaj
1 szt.
—
61
088207057
Guma Strip 20X1500
Zapytaj
1 szt.
—
62
249119-00
Mimośród
Zapytaj
1 szt.
—
64
590711-00
Lead 100Mm Red
Zapytaj
1 szt.
—
66
248021-00
Wyciąg
Zapytaj
1 szt.
—
70
378295
Wrzeciono - Podzespół
Zapytaj
1 szt.
—
72
379019
Gałka
Zapytaj
1 szt.
—
89
249416-06
Śruba
Zapytaj
1 szt.
—
91
590708-00
Tuleja
Zapytaj
1 szt.
—
816
329307-00
Etykieta Towarowa
Zapytaj
1 szt.
—
821
569037-00
Tabliczka Znamionowa
18,00 zł
1 szt.
—