Części
Maszyny
Kontakt
Home
Maszyny
Wyrzynarka
Bosch
WYRZYNARKA ----
0600575001 -
WYRZYNARKA Bosch ----
100%
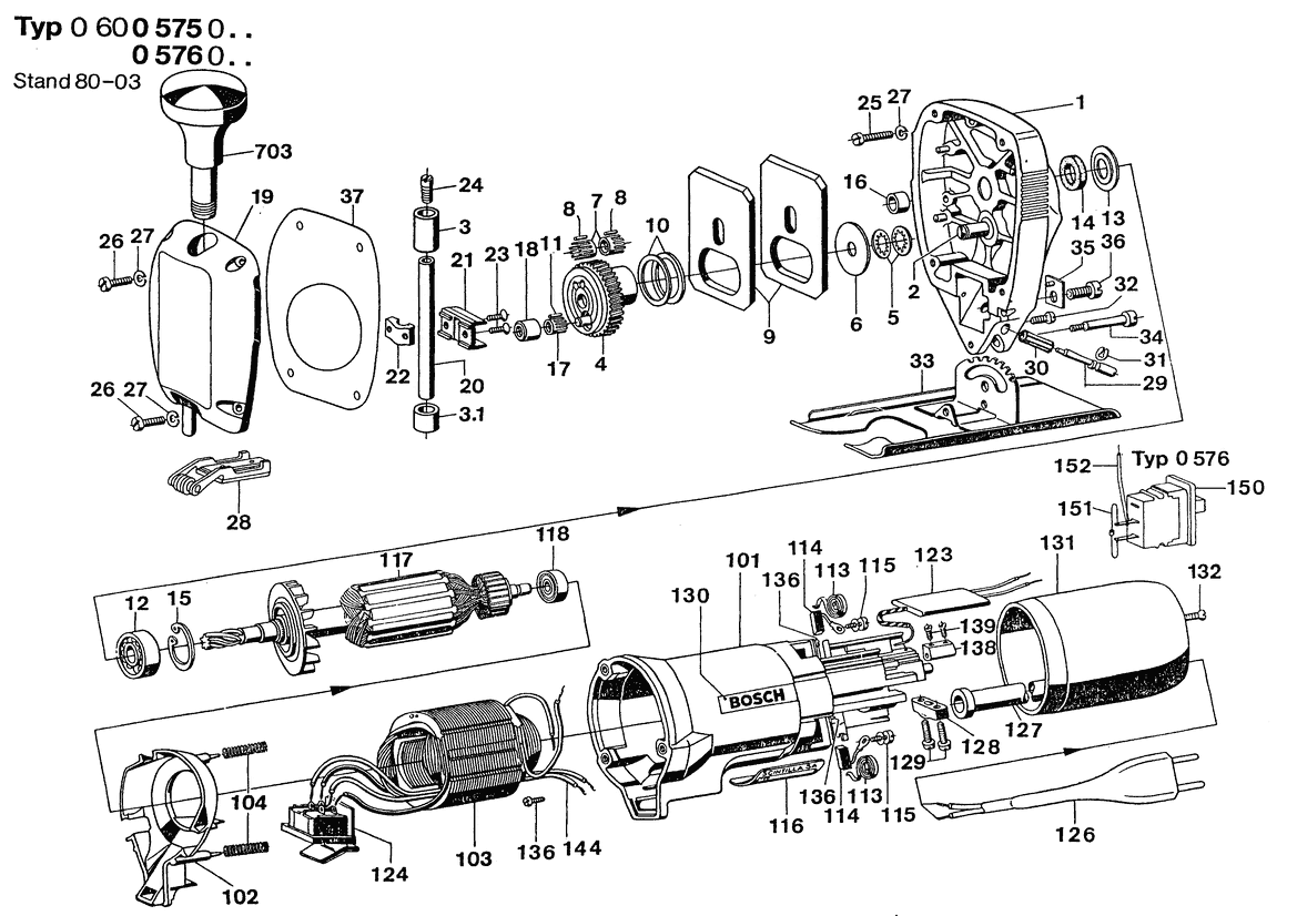
Poz:
1
2
3
4
5
6
7
8
9
10
12
13
14
15
16
17
18
19
20
21
22
23
24
25
26
27
28
29
31
32
33
34
35
36
37
101
102
103
104
113
114
115
117
118
123
124
126
127
128
129
130
131
132
136
138
139
144
150
151
152
703
61 części
Sortuj
Poz.
Nr kat.
Nazwa
Cena brutto
Ilość
Zamów
1
2605808907
Pokrywa Przekładni
Zapytaj
1 szt.
—
2
2917530182
Kołek Walcowy
Zapytaj
1 szt.
—
3
2600301001
Etykieta
Zapytaj
1 szt.
—
4
2606319029
Koło Zębate Czołowe
Zapytaj
1 szt.
—
5
2600150050
Podkładka Sprężysta
5,29 zł
2 szt.
6
2600100614
Naklejka
Zapytaj
1 szt.
—
7
2600409011
Podkładka Dystansowa
Zapytaj
2 szt.
—
8
2603201037
Rolka Igłowa
5,29 zł
8 szt.
9
2601000015
Płytka Wibracyjna
Zapytaj
2 szt.
—
10
2600102613
Klamka Drzwiowa
Zapytaj
1 szt.
—
12
2600905007
Łożysko Kulkowe Zwykłe
Zapytaj
1 szt.
—
13
2600500008
Podkładka
Zapytaj
1 szt.
—
14
2600108020
Pierścień Filcowy
Zapytaj
1 szt.
—
15
2916660010
Pierścień Zabezpieczajacy
4,06 zł
1 szt.
16
2600300043
Tulejka Uszczelniająca
Zapytaj
1 szt.
—
17
2600913010
KOSZYCZEK
Zapytaj
1 szt.
—
18
2600917900
Tuleja Igłowa
28,78 zł
1 szt.
19
2605808906
Pokrywa Przekładni
Zapytaj
1 szt.
—
20
2600780004
Drążek Podnoszący
Zapytaj
1 szt.
—
21
2601321036
Ślizg
Zapytaj
1 szt.
—
22
2602329011
Pałąk Zaciskowy
11,07 zł
1 szt.
23
2603421040
Wkręt Z Łbem Stożk. Płas.
5,29 zł
2 szt.
24
2603400000
Śruba Zaciskowa
9,59 zł
1 szt.
25
2910011128
Śruba Z Łbem Walcowym
4,06 zł
3 szt.
26
2910021122
Śruba Z Łbem Walcowym
4,06 zł
4 szt.
27
2916690003
Pierścień Sprężysty
4,06 zł
7 szt.
28
2608135910
Rolka Kierunkowa
Zapytaj
1 szt.
—
29
2603180003
PODKŁADKA
Zapytaj
1 szt.
—
31
1619P01375
Zestaw Rolek
33,83 zł
1 szt.
32
2910021118
Śruba Z Łbem Walcowym
4,06 zł
1 szt.
33
2601016002
Podstawa
Zapytaj
1 szt.
—
34
2603412001
ATRAPA
Zapytaj
1 szt.
—
35
2601032001
Klocek Prowadzący
Zapytaj
1 szt.
—
36
2910011191
Śruba Z Łbem Walcowym
Zapytaj
1 szt.
—
37
2601010019
Wyłącznik
Zapytaj
1 szt.
—
101
2605108900
Kadłub Silnika
Zapytaj
1 szt.
—
102
2605500032
Pokrywa Obudowy
Zapytaj
1 szt.
—
103
2604220340
Nabiegunnik
Zapytaj
1 szt.
—
104
2604611024
Sprężyna Dociskowa
7,13 zł
3 szt.
113
2604652000
Sprężyna Spiralna
Zapytaj
2 szt.
—
114
2604320902
Zestaw Szczotek Węglowych
Zapytaj
1 szt.
—
115
2603410010
Śruba Z Łbem Walcowym
Zapytaj
2 szt.
—
117
2604010465
Twornik Z Wentylatorem
Zapytaj
1 szt.
—
118
1900905019
Łożysko Kulkowe Zwykłe
48,83 zł
1 szt.
123
2607329085
Kondensator Przeciwzakł.
Zapytaj
1 szt.
—
124
2607200019
Przeł. Wejścia/Wyjścia
Zapytaj
1 szt.
—
126
1607000227
Przewód Zasil. Sieciowy
85,24 zł
1 szt.
127
2600703011
Końcówka
9,59 zł
1 szt.
128
2601035001
Uchwyt Przewodu
5,29 zł
1 szt.
129
2910211019
Wkręt Do Blach
4,06 zł
2 szt.
130
1601110013
Tabliczka Firmy
Zapytaj
2 szt.
—
131
2600508001
Pokrywa Obudowy
Zapytaj
1 szt.
—
132
2910601020
Blachowkręt Z Łbem Stożk.
Zapytaj
1 szt.
—
136
2910211004
Wkręt Do Blach
Zapytaj
4 szt.
—
138
2604490003
Zacisk Przyłączeniowy
Zapytaj
2 szt.
—
139
2603410001
Śruba Z Łbem Walcowym
5,29 zł
4 szt.
144
2604411041
PRZEWÓD ŁĄCZĄCY
Zapytaj
2 szt.
—
150
2607200907
Przeł. Wejścia/Wyjścia
Zapytaj
1 szt.
—
151
2607320008
Dioda Krzemowa
Zapytaj
1 szt.
—
152
1604411002
Przewód Elektryczny
Zapytaj
1 szt.
—
703
2602025003
Uchwyt Dodatkowy
Zapytaj
1 szt.
—