Części
Maszyny
Kontakt
Home
Maszyny
Wyrzynarka
Bosch
WYRZYNARKA PST 54 E
0603230704 -
WYRZYNARKA Bosch PST 54 E
100%
Poz:
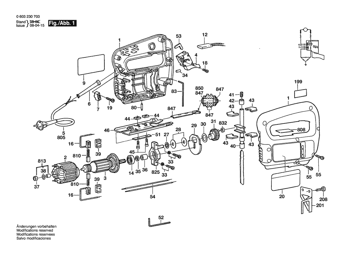
1
2
3
4
6
7
9
12
14
16
18
19
20
26
27
28
29
30
31
33
34
35
36
37
38
39
40
41
42
43
44
45
46
51
52
53
54
55
56
57
58
80
82
83
3/60
805
808
810
813
814
825
832
847
850
54 części
Sortuj
Poz.
Nr kat.
Nazwa
Cena brutto
Ilość
Zamów
1
2605104142
Skorupa Obudowy
Zapytaj
1 szt.
—
2
2604220423
Stojan
Zapytaj
1 szt.
—
3
2604010558
Twornik
Zapytaj
1 szt.
—
4
2607200184
Wyłącznik
172,94 zł
1 szt.
6
2600703007
Końcówka
Zapytaj
1 szt.
—
7
2601035001
Uchwyt Przewodu
5,29 zł
1 szt.
9
2601110636
Tabliczka Naklejana
Zapytaj
1 szt.
—
12
2607329004
Kondensator Przeciwzakł.
5,29 zł
1 szt.
14
2600905021
Łożysko Kulkowe Zwykłe
28,78 zł
1 szt.
16
2604465077
Uchwyt Szczotek
17,10 zł
2 szt.
18
2603410001
Śruba Z Łbem Walcowym
5,29 zł
2 szt.
19
2603490022
Śruba
4,06 zł
10 szt.
20
2601110664
Tabliczka Naklejana
Zapytaj
1 szt.
—
26
2603100034
CZĘŚĆ ZAMIENNA
Zapytaj
1 szt.
—
27
2600150050
Podkładka Sprężysta
5,29 zł
1 szt.
28
2600102656
Podkładka Regulacyjna
Zapytaj
1 szt.
—
29
1619P02421
PRZECIWCIĘŻAR
28,78 zł
1 szt.
30
2600101673
Podkładka Regulacyjna
5,29 zł
1 szt.
31
2606319073
Koło Zębate Mimośrodu
Zapytaj
1 szt.
—
33
2914500009
Śruba Kombi
Zapytaj
2 szt.
—
34
2603201020
Sworzeń Lożyska
4,06 zł
2 szt.
35
2600103013
Tarcza Oporowa
5,41 zł
1 szt.
36
2600400024
Tuleja Prowadząca
9,59 zł
1 szt.
37
1600205023
Pierścień Filcowy
Zapytaj
1 szt.
—
38
1610210014
Pierścień Samouszczeln.
Zapytaj
1 szt.
—
39
1619P09928
Sprężyna Trzymająca
4,06 zł
2 szt.
40
1619P12589
Drążek Podnoszący
77,74 zł
1 szt.
41
2603400000
Śruba Zaciskowa
9,59 zł
1 szt.
42
2600301049
Tuleja Spiekana
5,29 zł
1 szt.
43
2601020007
Filc Smarujący
5,29 zł
4 szt.
44
2601030006
Płyta Mocująca
5,41 zł
2 szt.
45
2910141126
Śr.Z Łb.Okr.O Gnieź.Sześ.
Zapytaj
2 szt.
—
46
2601016012
Podstawa
28,78 zł
1 szt.
51
2601032017
Listwa Profilowana
5,29 zł
1 szt.
52
1907950004
Śrubokręt Przegubowy
13,65 zł
1 szt.
53
2601022000
Płyta Izolacyjna
Zapytaj
1 szt.
—
54
2604448057
Przewód Elektryczny
Zapytaj
1 szt.
—
55
2910611020
Wkręt Do Blach
5,29 zł
1 szt.
56
2910611018
Wkręt Do Blach
5,29 zł
1 szt.
57
2604610009
Sprężyna Dociskowa
Zapytaj
1 szt.
—
58
2604448118
PRZEWÓD ŁĄCZĄCY
5,29 zł
1 szt.
80
2603120019
Trzpień Ustalaj. Zatrzask
5,29 zł
1 szt.
82
2600913004
Wieniec Iglic
Zapytaj
1 szt.
—
83
2603105052
TRZPIEŃ ZABEZPIECZAJĄCY
5,29 zł
1 szt.
3/60
2606610022
Wentylator
9,59 zł
1 szt.
805
1607000388
Przewód Zasil. Sieciowy
28,78 zł
1 szt.
808
160111A3H3
Tabliczka Znamionowa
8,36 zł
1 szt.
810
2604321904
Zestaw Szczotek Węglowych
31,37 zł
1 szt.
813
1600301900
Tuleja Spiekana
Zapytaj
1 szt.
—
814
2600905039
Łożysko Kulkowe Zwykłe
38,87 zł
1 szt.
825
1619P02422
Most Łożyskowy
44,53 zł
1 szt.
832
2600917904
Tuleja Igłowa
26,32 zł
1 szt.
847
2608135901
Strzemiączko
26,32 zł
1 szt.
850
2916080906
Podkładka Zabezpieczająca
4,06 zł
1 szt.