Części
Maszyny
Kontakt
Home
Maszyny
Wyrzynarka
Bosch
WYRZYNARKA GST 100 CE
0601588737 -
WYRZYNARKA Bosch GST 100 CE
100%
Poz:
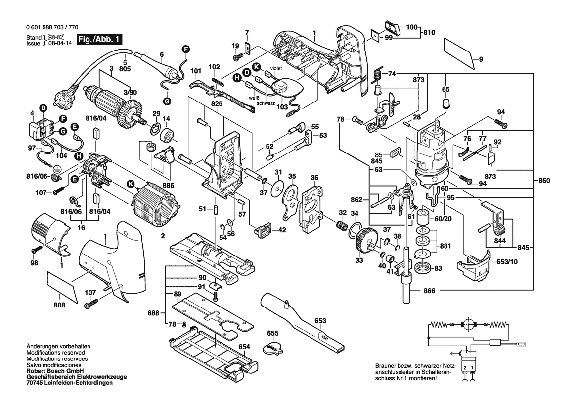
1
2
3
4
5
6
7
9
14
16
19
28
29
31
32
33
34
35
36
37
38
40
41
42
51
52
53
54
55
56
57
60
61
63
65
74
76
77
78
83
85
89
90
91
92
94
95
97
98
99
100
101
102
103
104
107
3/90
653
654
655
808
810
825
844
845
860
862
866
873
881
886
888
60/20
653/10
816/04
816/06
76 części
Sortuj
Poz.
Nr kat.
Nazwa
Cena brutto
Ilość
Zamów
1
2605104557
Skorupa Obudowy
Zapytaj
1 szt.
—
2
2604220584
Stojan
77,74 zł
1 szt.
3
2604011115
Twornik
Zapytaj
1 szt.
—
4
2607200345
Wyłącznik
Zapytaj
1 szt.
—
5
2604460202
Przewód Zasil. Sieciowy
Zapytaj
1 szt.
—
6
2600703018
Końcówka
8,36 zł
1 szt.
7
2601302011
Zacisk Mocujący
Zapytaj
1 szt.
—
9
2601116505
Tabliczka Firmy
Zapytaj
1 szt.
—
14
2600905095
Łożysko Kulkowe
38,87 zł
1 szt.
16
2605807082
Płytka Szczotkowa
97,79 zł
1 szt.
19
2603490021
Wkręt Soczewkowy Torx
4,06 zł
1 szt.
28
1903201042
Rolka Igłowa
7,13 zł
2 szt.
29
2916660008
Pierścień Zabezpieczajacy
7,13 zł
1 szt.
31
2600101048
Podkładka Regulacyjna
5,29 zł
1 szt.
32
2600913040
Wieniec Iglic
18,08 zł
1 szt.
33
2606320101
Koło Zębate Mimośrodu
97,79 zł
1 szt.
34
2600102614
Podkładka Regulacyjna
Zapytaj
1 szt.
—
35
2601923010
Dźwignia Widlasta
7,13 zł
1 szt.
36
2601098032
Obciążenie Wyrównawcze
48,83 zł
1 szt.
37
2600101047
Podkładka Regulacyjna
5,29 zł
2 szt.
38
2916080909
Podkładka Zabezpieczająca
4,06 zł
1 szt.
40
2600200038
Pierścień Pośredni
4,06 zł
1 szt.
41
2600917900
Tuleja Igłowa
28,78 zł
1 szt.
42
2602305048
Oddzielacz Powietrza
Zapytaj
1 szt.
—
51
2603105053
Sworzeń Lożyska
4,06 zł
1 szt.
52
2600590006
Kołpak Ustalający
5,29 zł
1 szt.
53
2602026063
Gałka Obrotowa
8,36 zł
1 szt.
54
2916080908
Podkładka Zabezpieczająca
4,06 zł
1 szt.
55
2602026065
Gałka Obrotowa
7,13 zł
1 szt.
56
2600100607
Podkładka Regulacyjna
5,29 zł
1 szt.
57
2603100069
Kołek Walcowy
5,29 zł
1 szt.
60
2605808081
Pokrywa Przekładni
Zapytaj
1 szt.
—
61
2604610042
Sprężyna Dociskowa
5,29 zł
2 szt.
63
2600101095
Podkładka Regulacyjna
5,29 zł
2 szt.
65
2601015064
Uszczelka
5,29 zł
1 szt.
74
2604651011
Sprężyna Skrętowa
9,59 zł
1 szt.
76
2601015065
Uszczelka
5,29 zł
1 szt.
77
2601016079
Płyta Osłaniająca
16,85 zł
1 szt.
78
2603421014
Śruba Do Gwint. Bezwiórk.
5,29 zł
6 szt.
83
2600202037
Pierścień Mocujący
7,13 zł
1 szt.
85
2601015057
USZCZELKA
9,59 zł
1 szt.
89
2601098082
PŁYTA ROBOCZA
Zapytaj
1 szt.
—
90
2601030022
Listwa Profilowana
8,36 zł
1 szt.
91
2910141197
Śr.Z Łb.Okr.O Gnieź.Sześ.
4,06 zł
1 szt.
92
2917760034
Kołek Sprężysty
4,06 zł
1 szt.
94
2603410049
Śruba Do Gwint. Bezwiórk.
5,29 zł
4 szt.
95
2603101046
Uchwyt Ochronny
5,29 zł
1 szt.
97
2604448211
Przewód Uziemiający
5,29 zł
1 szt.
98
2603490018
Wkręt Soczewkowy Torx
4,06 zł
4 szt.
99
2601010062
Filtr Przeciwpyłowy
8,36 zł
1 szt.
100
2602026066
Uchwyt Wyłącznika
Zapytaj
1 szt.
—
101
2601099072
Zasuwa Nastawna
Zapytaj
1 szt.
—
102
2604611033
Sprężyna Dociskowa
7,13 zł
1 szt.
103
2607230042
Regulator Prędk. Obrotow.
Zapytaj
1 szt.
—
104
2604448104
PRZEWÓD ŁĄCZĄCY
5,29 zł
1 szt.
107
2603490024
Wkręt Soczewkowy Torx
5,29 zł
6 szt.
3/90
2606610089
Wentylator
16,85 zł
1 szt.
653
2605730038
Zwężka Venturiego
Zapytaj
1 szt.
—
654
2608000184
Płoza Ślizgowa
Zapytaj
1 szt.
—
655
2601016065
ZABEZP. PRZED WYRYW. MAT.
16,85 zł
1 szt.
808
2601119574
Tabliczka Informacyjna
11,19 zł
1 szt.
810
2602026902
Uchwyt Wyłącznika
Zapytaj
1 szt.
—
825
2605806896
Obudowa Przekładni
170,48 zł
1 szt.
844
2600326904
Zestaw Rolek
Zapytaj
1 szt.
—
845
2601321904
Dźwignia Rolkowa
Zapytaj
1 szt.
—
860
2605808927
Pokrywa Przekładni
Zapytaj
1 szt.
—
862
2601322900
Jarzmo Prowadzące
Zapytaj
1 szt.
—
866
2600780911
Drążek Podnoszący
Zapytaj
1 szt.
—
873
2601990906
Blacha Trzymająca
Zapytaj
1 szt.
—
881
2600290902
Zestaw Uszczelek
Zapytaj
1 szt.
—
886
2605500908
Pokrywa Wentylatora
Zapytaj
1 szt.
—
888
2608000920
Płyta Fundamentowa
Zapytaj
1 szt.
—
60/20
2600301037
Tuleja Łożyskowa
5,29 zł
1 szt.
653/10
2605510159
Pokrywa
Zapytaj
1 szt.
—
816/04
2604320914
Zestaw Szczotek Węglowych
Zapytaj
1 szt.
—
816/06
1604652013
Sprężyna Spiralna
5,29 zł
2 szt.