Części
Maszyny
Kontakt
Home
Maszyny
Wyrzynarka
Bosch
WYRZYNARKA PST 550 AE
0603364767 -
WYRZYNARKA Bosch PST 550 AE
100%
Poz:
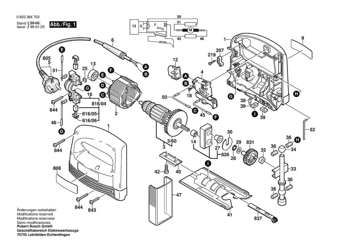
1
2
3
4
5
6
9
12
13
14
16
18
25
27
28
29
30
32
33
34
36
38
39
40
41
42
45
47
50
51
52
3/60
808
826
831
837
843
844
816/04
816/05
816/06
41 części
Sortuj
Poz.
Nr kat.
Nazwa
Cena brutto
Ilość
Zamów
1
2605104640
Skorupa Obudowy
Zapytaj
1 szt.
—
2
2604220568
Stojan
Zapytaj
1 szt.
—
3
2604011097
Twornik
Zapytaj
1 szt.
—
4
2607200410
Przeł. Wejścia/Wyjścia
Zapytaj
1 szt.
—
5
2604460124
Przewód Zasil. Sieciowy
Zapytaj
1 szt.
—
6
2600703017
Końcówka
12,00 zł
1 szt.
—
9
2601118943
Tabliczka Firmy
Zapytaj
1 szt.
—
12
2607329141
Kondensator Przeciwzakł.
Zapytaj
1 szt.
—
13
2600905046
Łożysko Kulkowe Zwykłe
39,00 zł
1 szt.
—
14
2600917003
Łożysko Igiełkowe
13,00 zł
1 szt.
—
16
2609992604
Płytka Szczotkowa
Zapytaj
1 szt.
—
18
2603410001
Śruba Z Łbem Walcowym
9,00 zł
2 szt.
—
25
1900210000
Pierścień Samouszczeln.
9,00 zł
1 szt.
—
27
2600322003
Tuleja Łożyskowa
Zapytaj
1 szt.
—
28
2600190040
Podkładka Sprężysta
Zapytaj
1 szt.
—
29
2600100505
Podkładka Regulacyjna
Zapytaj
1 szt.
—
30
2600040001
Podkładka Regulacyjna
Zapytaj
1 szt.
—
32
2600301014
Rolka Kierunkowa
Zapytaj
1 szt.
—
33
2600780094
Drążek Podnoszący
Zapytaj
1 szt.
—
34
2600302008
Tuleja Spiekana
Zapytaj
1 szt.
—
36
2603239006
Filc Smarujący
Zapytaj
4 szt.
—
38
2603120037
Trzpień Ustalaj. Zatrzask
Zapytaj
1 szt.
—
39
2601030006
Płyta Mocująca
9,00 zł
2 szt.
—
40
2601032017
Listwa Profilowana
9,00 zł
1 szt.
—
41
2601016012
Podstawa
34,00 zł
1 szt.
—
42
2910011124
Śruba Z Łbem Walcowym
Zapytaj
2 szt.
—
45
2604448118
PRZEWÓD ŁĄCZĄCY
9,00 zł
1 szt.
—
47
2605510052
Pokrywa
Zapytaj
1 szt.
—
50
2604448119
PRZEWÓD ŁĄCZĄCY
Zapytaj
1 szt.
—
51
2604448123
PRZEWÓD ŁĄCZĄCY
Zapytaj
2 szt.
—
52
2603105067
TRZPIEŃ ZABEZPIECZAJĄCY
Zapytaj
1 szt.
—
3/60
1619P11262
wentylator
13,00 zł
1 szt.
—
808
2601119705
Tabliczka Informacyjna
Zapytaj
1 szt.
—
826
2605807918
Most Łożyskowy
Zapytaj
1 szt.
—
831
2606316900
Koło Zębate Mimośrodu
Zapytaj
1 szt.
—
837
2608135901
Strzemiączko
39,00 zł
1 szt.
—
843
2910611018
Wkręt Do Blach
9,00 zł
1 szt.
—
844
2910611020
Wkręt Do Blach
9,00 zł
2 szt.
—
816/04
2604321917
Zestaw Szczotek Węglowych
Zapytaj
1 szt.
—
816/05
2604610026
Sprężyna Dociskowa
12,00 zł
2 szt.
—
816/06
2601322013
Kołpak Ustalający
9,00 zł
2 szt.
—