Części
Maszyny
Kontakt
Home
Maszyny
Wyrzynarka
Bosch
GWSTS BRAS
0601579078 -
GWSTS BRAS Bosch GWSTS BRAS
100%
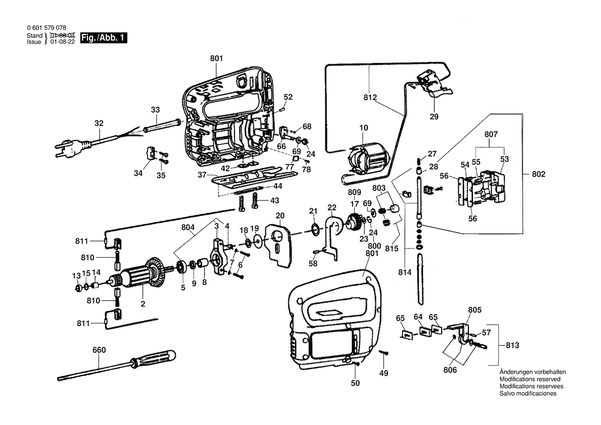
Poz:
2
3
4
5
6
7
8
9
10
13
14
15
17
18
19
20
21
22
23
24
27
28
29
32
33
34
35
37
42
43
44
49
50
52
53
54
55
56
57
58
64
65
66
68
69
77
78
801
802
803
804
805
806
807
810
811
812
813
814
815
60 części
Sortuj
Poz.
Nr kat.
Nazwa
Cena brutto
Ilość
Zamów
2
2604010558
Twornik
Zapytaj
1 szt.
—
3
1619P02422
Most Łożyskowy
49,00 zł
1 szt.
—
4
2603105027
Sworzeń Lożyska
Zapytaj
1 szt.
—
5
2600905021
Łożysko Kulkowe Zwykłe
34,00 zł
1 szt.
—
6
2910011128
Śruba Z Łbem Walcowym
8,00 zł
2 szt.
—
7
2916690003
Pierścień Sprężysty
8,00 zł
2 szt.
—
8
2600400024
Tuleja Prowadząca
13,00 zł
1 szt.
—
9
2600103013
Tarcza Oporowa
5,41 zł
1 szt.
—
10
2604220392
Stojan
92,00 zł
1 szt.
—
13
1600205023
Pierścień Filcowy
Zapytaj
1 szt.
—
14
1600301900
Tuleja Spiekana
Zapytaj
1 szt.
—
15
1610210014
Pierścień Samouszczeln.
Zapytaj
1 szt.
—
17
9618082865
Koło Zębate Mimośrodu
Zapytaj
1 szt.
—
18
2600150050
Podkładka Sprężysta
9,00 zł
1 szt.
—
19
2600102656
Podkładka Regulacyjna
Zapytaj
1 szt.
—
20
2601098005
Obciążenie Wyrównawcze
13,90 zł
1 szt.
—
21
2600101083
Podkładka Regulacyjna
5,41 zł
1 szt.
—
22
2601923003
Dźwignia Widlasta
8,49 zł
1 szt.
—
23
2600101654
Podkładka Regulacyjna
9,00 zł
3 szt.
—
24
2916080008
Podkładka Zabezpieczająca
Zapytaj
1 szt.
—
27
2603400001
Śruba Z Łbem Walcowym
11,19 zł
1 szt.
—
28
2600301049
Tuleja Spiekana
9,00 zł
1 szt.
—
29
9618086703
Wyłącznik
22,00 zł
1 szt.
—
32
9618089010
Przewód Zasil. Sieciowy
Zapytaj
1 szt.
—
33
9618084341
Końcówka
5,41 zł
1 szt.
—
34
2601035001
Uchwyt Przewodu
9,00 zł
1 szt.
—
35
9618087099
Śruba
9,00 zł
2 szt.
—
37
2601016008
Podstawa
60,39 zł
1 szt.
—
42
2601030006
Płyta Mocująca
9,00 zł
2 szt.
—
43
2910022122
Śruba Z Łbem Walcowym
5,41 zł
1 szt.
—
44
9618083349
Płyta
4,18 zł
1 szt.
—
49
2910211220
Wkręt Do Blach
Zapytaj
8 szt.
—
50
2910211011
Wkręt Do Blach
8,00 zł
1 szt.
—
52
1903201041
Rolka Igłowa
Zapytaj
2 szt.
—
53
2602316005
Płyta Podporowa
Zapytaj
1 szt.
—
54
2604613000
Sprężyna Dociskowa
9,00 zł
4 szt.
—
55
2603120034
Kołek Prowadzący
Zapytaj
4 szt.
—
56
2601000034
Listwa Prowadząca
5,41 zł
2 szt.
—
57
2609002725
Kołek Walcowy
8,00 zł
1 szt.
—
58
2917530095
Kołek Walcowy
7,26 zł
1 szt.
—
64
2601015009
Płytka Uszczelniająca
4,18 zł
1 szt.
—
65
2601015008
Płyta Mocująca
11,00 zł
2 szt.
—
66
2602026035
Uchwyt Wyłącznika
9,72 zł
1 szt.
—
68
2600590006
Kołpak Ustalający
9,00 zł
1 szt.
—
69
2600100568
Podkładka Regulacyjna
9,00 zł
2 szt.
—
77
2601098006
Płyta Podporowa
5,41 zł
1 szt.
—
78
2603490017
Wkręt Soczewkowy Torx
11,00 zł
1 szt.
—
801
9618083996
Kadłub Silnika
Zapytaj
1 szt.
—
802
9618085704
Tuleja Prowadząca
Zapytaj
1 szt.
—
803
9618085703
Wałeczek Walcowy
Zapytaj
1 szt.
—
804
2605807906
Most Łożyskowy
54,00 zł
1 szt.
—
805
2601321900
Dźwignia Rolkowa
86,35 zł
1 szt.
—
806
2601321901
Dźwignia Rolkowa
86,35 zł
1 szt.
—
807
2602316900
Płyta Podporowa
20,91 zł
1 szt.
—
810
1607014117
Szczotka Węglowa
34,00 zł
1 szt.
—
811
9618086121
Uchwyt Szczotek
Zapytaj
1 szt.
—
812
9618082158
Przewód Elektryczny
Zapytaj
2 szt.
—
813
2601321007
Dźwignia Rolkowa
60,39 zł
1 szt.
—
814
2600780038
Drążek Podnoszący
86,35 zł
1 szt.
—
815
2600917900
Tuleja Igłowa
34,00 zł
1 szt.
—