Części
Maszyny
Kontakt
Home
Maszyny
Wyrzynarka
Bosch
WYRZYNARKA PST 800 PAC
0603303738 -
WYRZYNARKA Bosch PST 800 PAC
100%
Poz:
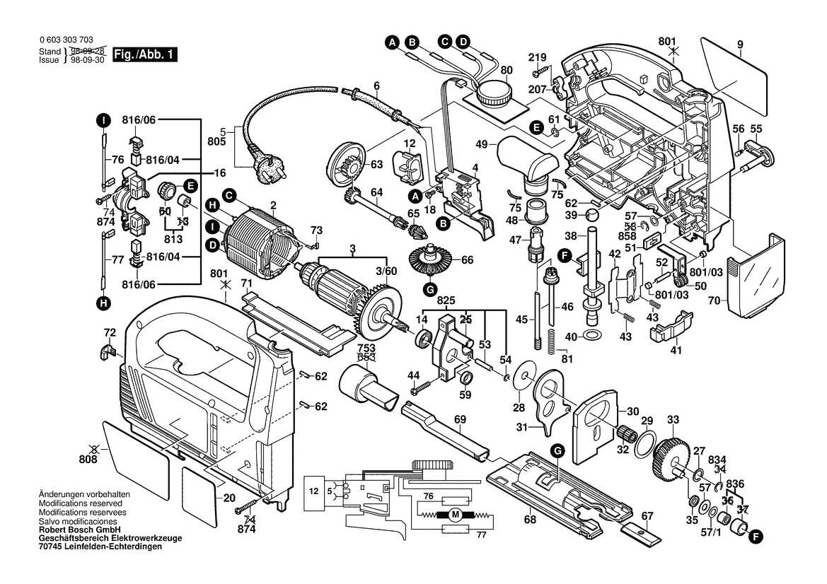
2
3
4
5
6
9
12
14
16
18
27
28
29
30
31
32
33
35
38
39
40
41
42
43
44
45
46
47
48
49
50
51
52
53
54
55
56
57
59
61
62
63
64
65
66
67
68
69
70
71
72
73
75
76
77
80
81
180
3/60
753
801
813
825
834
836
858
874
801/03
816/04
816/06
70 części
Sortuj
Poz.
Nr kat.
Nazwa
Cena brutto
Ilość
Zamów
2
2604220482
Stojan
111,93 zł
1 szt.
—
3
2604010893
Twornik
172,94 zł
1 szt.
—
4
2607200312
Przeł. Wejścia/Wyjścia
60,39 zł
1 szt.
—
5
2604460095
Przewód Zasil. Sieciowy
74,00 zł
1 szt.
—
6
2600703006
Końcówka
Zapytaj
1 szt.
—
9
2601118352
Tabliczka Firmy
Zapytaj
1 szt.
—
12
2607329138
Kondensator Przeciwzakł.
Zapytaj
1 szt.
—
14
2600905021
Łożysko Kulkowe Zwykłe
34,00 zł
1 szt.
—
16
2605807060
Płytka Szczotkowa
Zapytaj
1 szt.
—
18
2603410001
Śruba Z Łbem Walcowym
9,00 zł
2 szt.
—
27
2600101047
Podkładka Regulacyjna
9,00 zł
2 szt.
—
28
2600101048
Podkładka Regulacyjna
9,00 zł
1 szt.
—
29
2600102614
Podkładka Regulacyjna
Zapytaj
1 szt.
—
30
2601098025
Obciążenie Wyrównawcze
Zapytaj
1 szt.
—
31
2601923009
Dźwignia Widlasta
Zapytaj
1 szt.
—
32
2600913007
Wieniec Iglic
Zapytaj
1 szt.
—
33
2606320049
Koło Zębate Mimośrodu
Zapytaj
1 szt.
—
35
2600200035
Pierścień Pośredni
Zapytaj
1 szt.
—
38
2600780060
Drążek Podnoszący
Zapytaj
1 szt.
—
39
2600302009
Tuleja Spiekana
Zapytaj
1 szt.
—
40
2600101612
Podkładka Regulacyjna
9,00 zł
1 szt.
—
41
2602316011
Płyta Podporowa
Zapytaj
1 szt.
—
42
2601322014
Jarzmo Prowadzące
Zapytaj
1 szt.
—
43
2604613000
Sprężyna Dociskowa
9,00 zł
2 szt.
—
44
2910950128
Wkręt Soczewkowy
Zapytaj
2 szt.
—
45
2603490004
Śruba Zaciskowa
Zapytaj
1 szt.
—
46
2606491012
Połowa Sprzęgła
Zapytaj
1 szt.
—
47
2606491010
GRZECHOTKA
Zapytaj
1 szt.
—
48
2600451002
Tuleja Prowadząca
Zapytaj
1 szt.
—
49
2608040073
Rączka Kierownicy
Zapytaj
1 szt.
—
50
2601321049
Dźwignia Rolkowa
Zapytaj
1 szt.
—
51
2601015057
USZCZELKA
13,00 zł
1 szt.
—
52
2609002725
Kołek Walcowy
8,00 zł
1 szt.
—
53
2917530099
Kołek Walcowy
Zapytaj
1 szt.
—
54
2600100510
Podkładka Regulacyjna
12,00 zł
1 szt.
—
55
2602026055
Przełącznik
Zapytaj
1 szt.
—
56
2600590006
Kołpak Ustalający
9,00 zł
1 szt.
—
57
2600100568
Podkładka Regulacyjna
9,00 zł
1 szt.
—
59
2600400030
Pierścień Mocujący
Zapytaj
1 szt.
—
61
2600210036
Pierścień Samouszczeln.
Zapytaj
1 szt.
—
62
2603201020
Sworzeń Lożyska
8,00 zł
3 szt.
—
63
2608040074
Rączka Kierownicy
Zapytaj
1 szt.
—
64
2606491013
GRZECHOTKA
Zapytaj
1 szt.
—
65
2606333029
Zębnik
Zapytaj
1 szt.
—
66
2606333028
Koło Zębate Stożkowe
Zapytaj
1 szt.
—
67
2602317028
Listwa Profilowana
Zapytaj
1 szt.
—
68
2601016073
Podstawa
Zapytaj
1 szt.
—
69
2605730037
KANAŁ SSĄCY
Zapytaj
1 szt.
—
70
2605510149
Pokrywa
Zapytaj
1 szt.
—
71
2608040075
WKŁADKA
Zapytaj
1 szt.
—
72
2608040077
Pokrywa Zamykająca
Zapytaj
1 szt.
—
73
2601329047
Sprężyna Kontaktowa
Zapytaj
1 szt.
—
75
2603100055
SZNUR
Zapytaj
2 szt.
—
76
2604448190
PRZEWÓD ŁĄCZĄCY
Zapytaj
1 szt.
—
77
2604448123
PRZEWÓD ŁĄCZĄCY
Zapytaj
1 szt.
—
80
2607230028
Regulator Prędk. Obrotow.
Zapytaj
1 szt.
—
81
2604610040
Sprężyna Dociskowa
9,00 zł
1 szt.
—
180
3601119137
TABLICZKA OSTRZEGAWCZA
15,00 zł
1 szt.
—
3/60
2606610050
Wentylator
Zapytaj
1 szt.
—
753
2600499032
Króciec Przyłączeniowy
Zapytaj
1 szt.
—
801
2605104854
Skorupa Obudowy
Zapytaj
1 szt.
—
813
2600917901
Tuleja Igłowa
Zapytaj
1 szt.
—
825
2605807925
Most Łożyskowy
Zapytaj
1 szt.
—
834
2916080909
Podkładka Zabezpieczająca
8,00 zł
1 szt.
—
836
2600917900
Tuleja Igłowa
34,00 zł
1 szt.
—
858
2916080008
Podkładka Zabezpieczająca
Zapytaj
1 szt.
—
874
2910611020
Wkręt Do Blach
9,00 zł
11 szt.
—
801/03
2600506008
Tulejka Wtłaczana
Zapytaj
2 szt.
—
816/04
2604321905
Zestaw Szczotek Węglowych
31,00 zł
1 szt.
—
816/06
2601322013
Kołpak Ustalający
9,00 zł
2 szt.
—