Części
Maszyny
Kontakt
Home
Maszyny
Wkrętarki udarowe
DeWalt
Akumulatorowa wkrętarka udarowa
DCF610-Type-1 -
Akumulatorowa wkrętarka udarowa DeWalt
100%
Poz:
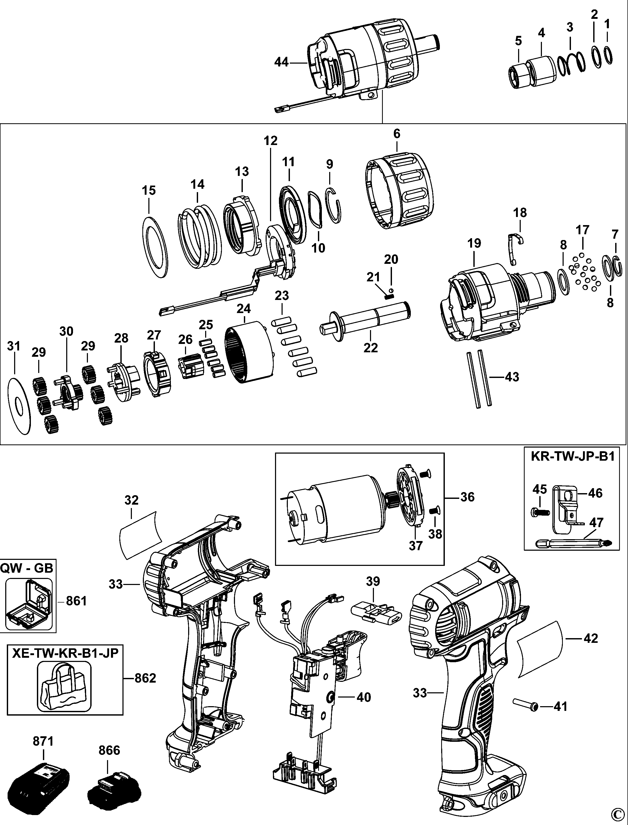
1
2
3
4
5
6
7
8
9
10
11
12
13
14
15
17
18
19
20
21
22
23
24
25
26
27
28
29
30
31
32
33
36
37
38
39
40
41
42
43
44
45
46
861
866
871
46 części
Sortuj
Poz.
Nr kat.
Nazwa
Cena brutto
Ilość
Zamów
1
N055051
Ustalacz
7,00 zł
1 szt.
—
2
N032311
Podkładka
7,00 zł
1 szt.
—
3
N020154
Sprężyna
7,00 zł
1 szt.
—
4
N020153
Tuleja
12,00 zł
1 szt.
—
5
N025972
Dystans
7,00 zł
1 szt.
—
6
N017246
Pierścień
Zapytaj
1 szt.
—
7
N035362
Ustalacz
7,00 zł
1 szt.
—
8
N017233
Podkładka Oporowa
7,00 zł
1 szt.
—
9
N035361
Ustalacz
7,00 zł
1 szt.
—
10
N017239
Podkładka Specjalna
7,00 zł
1 szt.
—
11
N017253
Pokrywa
7,00 zł
1 szt.
—
12
N078519
Dioda Świecąca
32,00 zł
1 szt.
—
13
N026127
Regulator Momentu Obrotowego
Zapytaj
1 szt.
—
14
N017241
Sprężyna
Zapytaj
1 szt.
—
15
N025236
Podkładka
7,00 zł
1 szt.
—
17
389317-00
Kulka Stalowa
7,00 zł
1 szt.
—
18
N031003
Zapadka
Zapytaj
1 szt.
—
19
N078520
Skrzynka Przekładni - Podzespół
Zapytaj
1 szt.
—
20
N022764
Kulka Stalowa
7,00 zł
1 szt.
—
21
N020157
Sprężyna
7,00 zł
1 szt.
—
22
N078521
Wrzeciono - Podzespół
42,00 zł
1 szt.
—
23
N041814
Pin.Conical
Zapytaj
1 szt.
—
24
N078522
Przekładnia
24,00 zł
1 szt.
—
25
N032223
Kołek
7,00 zł
1 szt.
—
26
N032577
Kowadło
7,00 zł
1 szt.
—
27
656987-00
Pierścień Blokujący
12,00 zł
1 szt.
—
28
N078795
Nośnik - Podzespół
14,00 zł
1 szt.
—
29
N017243
Przekładnia
7,00 zł
1 szt.
—
30
N078794
Nośnik - Podzespół
10,00 zł
1 szt.
—
31
N017249
Płyta
7,00 zł
1 szt.
—
32
N127969
Etykieta Towarowa
7,00 zł
1 szt.
—
33
N029500
Chwytak Dwuszczękowy - Zestaw
Zapytaj
1 szt.
—
36
N056189
Silnik - Podzespół
69,00 zł
1 szt.
—
37
N025226
Płyta
7,00 zł
1 szt.
—
38
N008721
Śruba
7,00 zł
1 szt.
—
39
N017247
Urządzenie Uruchamiające Do Przodu/Do Tyłu
7,00 zł
1 szt.
—
40
N058205
Wyłącznik - Podzespół
Zapytaj
1 szt.
—
41
682211-00
Śruba
7,00 zł
1 szt.
—
42
N117351
Tabliczka Znamionowa
Zapytaj
1 szt.
—
43
N030622
Kołek
7,00 zł
1 szt.
—
44
N059224
Przekładnia - Podzespół
Zapytaj
1 szt.
—
45
N042665
Śruba
7,00 zł
1 szt.
—
46
N026657
Hak
14,00 zł
1 szt.
—
861
N488394
Skrzynka Zestawu
137,00 zł
1 szt.
—
866
N394620
Akumulator 10.8V - 2Ah-21.6Wh
182,00 zł
1 szt.
—
871
N385683
Ładowarka 10.8V
182,00 zł
1 szt.
—