Części
Maszyny
Kontakt
Home
Maszyny
Wkrętarka
Bosch
AKUM. WKRĘTARKA EXACT 9
0602490453 -
AKUM. WKRĘTARKA Bosch EXACT 9
100%
Poz:
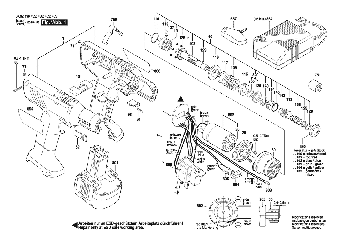
1
4
10
20
29
30
40
60
61
62
71
80
82
99
101
102
106
109
110
113
114
115
116
117
119
120
122
125
126
127
128
129
140
143
145
657
750
751
801
802
803
804
805
806
820
854
855
866
890
49 części
Sortuj
Poz.
Nr kat.
Nazwa
Cena brutto
Ilość
Zamów
1
3605105015
Skorupa Obudowy
105,00 zł
1 szt.
—
4
3607200106
El. Podzespół
792,00 zł
1 szt.
—
10
3601099003
SUWAK PRZEŁĄCZNIKA
13,00 zł
1 szt.
—
20
3606328018
Zębnik
17,00 zł
1 szt.
—
29
2605719011
Kołnierz Pośredni
15,00 zł
1 szt.
—
30
3607030490
Przekładnia Planetarna
198,00 zł
1 szt.
—
40
3607031535
Zespół
995,00 zł
1 szt.
—
60
3601923022
EL. STERUJĄCY
21,00 zł
1 szt.
—
61
3604611022
Sprężyna Dociskowa
15,00 zł
1 szt.
—
62
3601923029
Suwak
21,00 zł
1 szt.
—
71
3604460132
Przewodnik Światła
13,00 zł
2 szt.
—
80
2603490018
Wkręt Soczewkowy Torx
8,00 zł
8 szt.
—
82
2603414048
Wkręt Z Łbem Walcow. Torx
8,00 zł
2 szt.
—
99
3601119236
Tabliczka Informacyjna
15,00 zł
1 szt.
—
101
3606445043
Część Sprzęgająca
405,00 zł
1 szt.
—
102
3603124023
Wal Napedowy
281,00 zł
1 szt.
—
106
3604610011
Sprężyna Dociskowa
13,00 zł
1 szt.
—
109
3604619020
Sprężyna Dociskowa
22,00 zł
1 szt.
—
110
3600224053
Pierścień Sprężysty
9,00 zł
1 szt.
—
113
3600499025
Tuleja Zaciskowa
17,00 zł
1 szt.
—
114
3600921001
Łożysko Ślizgowe
36,00 zł
1 szt.
—
115
3601023011
Płyta Zamykająca
12,00 zł
1 szt.
—
116
3600134014
Pierścień Nastawczy
117,00 zł
1 szt.
—
117
1600101023
Podkładka
9,00 zł
1 szt.
—
119
3600190044
Tarcza Łożyskowa
34,00 zł
1 szt.
—
120
3603344046
Płytka Ryglująca
126,00 zł
1 szt.
—
122
3600101052
Podkładka Dystansowa
34,00 zł
1 szt.
—
125
3600202022
Pierścień Dociskowy
12,00 zł
1 szt.
—
126
3600224006
Pierścień Sprężysty
13,00 zł
1 szt.
—
127
1903230006
Kula
11,00 zł
10 szt.
—
128
1903230008
Kula
8,00 zł
6 szt.
—
129
1903230003
Kula
11,00 zł
1 szt.
—
140
2916080012
Podkładka Zabezpieczająca
9,00 zł
1 szt.
—
143
3600210038
Pierścień Samouszczeln.
12,00 zł
1 szt.
—
145
3600210116
Pierścień Samouszczeln.
13,00 zł
1 szt.
—
657
3607950027
Śrubokręt
59,00 zł
1 szt.
—
750
3601923024
Wieszak
39,00 zł
1 szt.
—
751
3605500210
Kołpak Ochronny
74,00 zł
1 szt.
—
801
2607335681
Pakiet Akku
349,69 zł
1 szt.
—
802
3607031551
Silnik Prądu Stałego
126,00 zł
1 szt.
—
803
3609202764
Dioda Świecąca
92,00 zł
1 szt.
—
804
3609202762
Mikrowyłącznik
117,00 zł
1 szt.
—
805
3609202766
Zestaw Wtyczek
25,00 zł
1 szt.
—
806
3607200083
Wyłącznik
214,00 zł
1 szt.
—
820
3603344047
Płytka Ryglująca
92,00 zł
1 szt.
—
854
2607224435
Szybka Ładowarka
454,98 zł
1 szt.
—
855
3601119261
Tabliczka Firmy
12,00 zł
1 szt.
—
866
3601119231
Tabliczka Informacyjna
15,00 zł
1 szt.
—
890
3600106010
Zestaw Części
74,00 zł
1 szt.
—