Części
Maszyny
Kontakt
Home
Maszyny
Wkrętarka
Bosch
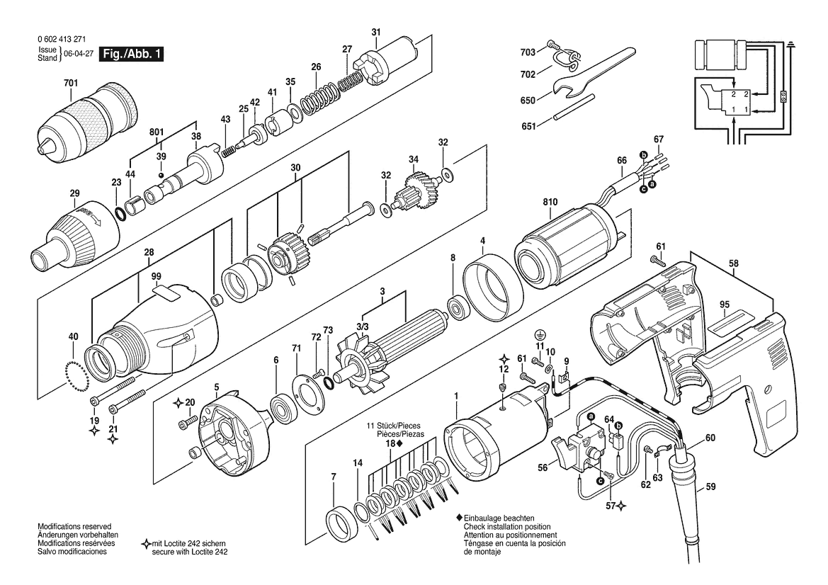
WKRĘTAK SRG-üK13/2/16
0602413274 -
WKRĘTAK Bosch SRG-üK13/2/16
100%
Poz:
1
3
4
5
6
7
8
9
10
11
12
14
18
19
20
21
23
25
26
27
28
29
30
31
32
3/3
34
35
38
39
40
41
42
43
44
56
57
58
59
60
61
62
63
64
66
67
71
72
73
95
99
650
651
701
702
703
801
810
58 części
Sortuj
Poz.
Nr kat.
Nazwa
Cena brutto
Ilość
Zamów
1
3605102044
Kadłub Silnika
Zapytaj
1 szt.
—
3
3604080020
Wirnik
Zapytaj
1 szt.
—
4
1600502005
Pierścień Kier. Powietrza
12,00 zł
1 szt.
—
5
1605820162
Osłona Łożyska
404,18 zł
1 szt.
—
6
3600905036
Łożysko Kulkowe Zwykłe
Zapytaj
1 szt.
—
7
1600209011
Pierścień Uszczelniający
13,00 zł
1 szt.
—
8
1610905011
Łożysko Kulkowe Zwykłe
54,00 zł
1 szt.
—
9
3601321001
Pałąk Zaciskowy
15,00 zł
1 szt.
—
10
3600150006
Podkładka Sprężysta
12,00 zł
1 szt.
—
11
2910110120
Śruba Z Łbem Płaskim
8,00 zł
1 szt.
—
12
3603402000
Wkręt Bez Łba
9,00 zł
1 szt.
—
14
3600210039
Pierścień Samouszczeln.
31,00 zł
1 szt.
—
18
3600150013
Sprężyna Talerzowa
15,00 zł
11 szt.
—
19
3603414001
Śr.Z Łb.Okr.O Gnieź.Sześ.
9,72 zł
1 szt.
—
20
2910141122
Śr.Z Łb.Okr.O Gnieź.Sześ.
11,00 zł
2 szt.
—
21
2910141140
Śr.Z Łb.Okr.O Gnieź.Sześ.
9,00 zł
2 szt.
—
23
1900210106
Pierścień Samouszczeln.
9,00 zł
1 szt.
—
25
1603120022
Trzpień Naciskowy
Zapytaj
1 szt.
—
26
1604619005
Sprężyna Dociskowa
Zapytaj
1 szt.
—
27
1604616010
Sprężyna Dociskowa
Zapytaj
1 szt.
—
28
2605806227
Obudowa Przekładni
Zapytaj
1 szt.
—
29
3600460003
Tuleja Prowadząca
Zapytaj
1 szt.
—
30
2606100052
Wał Z Kołem Zębatym
Zapytaj
1 szt.
—
31
2604445000
Połowa Sprzęgła
Zapytaj
1 szt.
—
32
2600100613
Podkładka Regulacyjna
9,00 zł
2 szt.
—
3/3
1606610105
Wentylator
54,00 zł
1 szt.
—
34
1606328086
Wał Z Kołem Zębatym
461,25 zł
1 szt.
—
35
1600100607
Podkładka Regulacyjna
Zapytaj
1 szt.
—
38
3606455016
Zabierak
Zapytaj
1 szt.
—
39
1903230006
Kula
11,00 zł
1 szt.
—
40
1903230004
Kula
11,00 zł
27 szt.
—
41
1600309004
Tuleja Łożyskowa
Zapytaj
1 szt.
—
42
1603341000
Nakrętka Okrągła
Zapytaj
1 szt.
—
43
1604626002
Sprężyna Dociskowa
Zapytaj
1 szt.
—
44
3604682003
Sprężyna Trzymająca
Zapytaj
1 szt.
—
56
3607200004
Wyłącznik
Zapytaj
1 szt.
—
57
2603410001
Śruba Z Łbem Walcowym
9,00 zł
2 szt.
—
58
3605132037
Rękojeść
Zapytaj
1 szt.
—
59
3600703011
Końcówka
13,00 zł
1 szt.
—
60
3604462050
Przewód Elekt. Ze Złączem
Zapytaj
1 szt.
—
61
2603490023
Wkręt Soczewkowy Torx
8,00 zł
7 szt.
—
62
2910021116
Śruba Z Łbem Walcowym
11,00 zł
2 szt.
—
63
1601302014
Zacisk Mocujący
9,00 zł
1 szt.
—
64
1901091012
Listwa Zaciskowa
21,00 zł
1 szt.
—
66
3600707032
Wąż Skurczowy
Zapytaj
1 szt.
—
67
3604477008
Tuleja Końcowa Żyły
8,00 zł
3 szt.
—
71
3600190012
Tarcza Ustalająca
Zapytaj
1 szt.
—
72
2910780050
Wkręt Z Łbem Stożk. Płas.
Zapytaj
3 szt.
—
73
1600210045
Pierścień Samouszczeln.
9,00 zł
1 szt.
—
95
3601106053
Tabliczka Znamionowa
21,00 zł
1 szt.
—
99
3601119236
Tabliczka Informacyjna
15,00 zł
1 szt.
—
650
1907950506
Klucz Szczękowy Jednostr.
49,00 zł
1 szt.
—
651
2603101035
Kołek Walcowy
12,00 zł
1 szt.
—
701
3608120001
Uchwyt Szybkozmienny
Zapytaj
1 szt.
—
702
3604682000
Wieszak
Zapytaj
1 szt.
—
703
2910131193
Śr.Z Łb.Okr.O Gnieź.Sześ.
8,00 zł
2 szt.
—
801
3606455019
Zabierak
623,00 zł
1 szt.
—
810
1604229201
Stojan
1481,00 zł
1 szt.
—