Części
Maszyny
Kontakt
Home
Maszyny
Wkrętarka
Bosch
AKUM. WKRĘTARKA GSR 9,6 VES-1
0601934655 -
AKUM. WKRĘTARKA Bosch GSR 9,6 VES-1
100%
Poz:
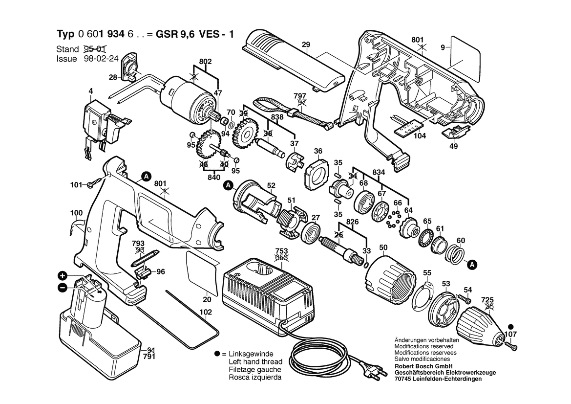
4
9
20
27
28
29
33
35
36
37
47
49
50
51
52
53
54
55
60
61
64
65
66
67
68
70
94
95
96
100
101
102
104
107
725
753
791
793
797
801
802
826
834
838
840
899
46 części
Sortuj
Poz.
Nr kat.
Nazwa
Cena brutto
Ilość
Zamów
4
2607200309
Przeł. Wejścia/Wyjścia
Zapytaj
1 szt.
—
9
2601118446
Tabliczka Firmy
Zapytaj
1 szt.
—
20
2601118447
Tabliczka Informacyjna
Zapytaj
1 szt.
—
27
1900905120
Łożysko Kulkowe Zwykłe
Zapytaj
1 szt.
—
28
2605719007
Wkładka Adapterowa
Zapytaj
1 szt.
—
29
2605510120
Wkładka
Zapytaj
1 szt.
—
33
2604601004
Pierścień Sprężysty
9,00 zł
1 szt.
—
35
2602329024
Korpus Rolki
Zapytaj
2 szt.
—
36
2600202025
Pierścień Mocujący
Zapytaj
1 szt.
—
37
2606440002
Zabierak
Zapytaj
1 szt.
—
47
2606316112
Zębnik
17,00 zł
1 szt.
—
49
2605510117
Wkładka
9,00 zł
1 szt.
—
50
2605190041
Pierścień Nastawczy
Zapytaj
1 szt.
—
51
2608005044
Ślizg
Zapytaj
1 szt.
—
52
2600499027
Tuleja Prowadząca
Zapytaj
1 szt.
—
53
2608005045
Tuleja Rozprężna Zacisk.
Zapytaj
1 szt.
—
54
2603490024
Wkręt Soczewkowy Torx
9,00 zł
3 szt.
—
55
2600190056
Płytka Ryglująca
Zapytaj
1 szt.
—
60
2604619004
Sprężyna Dociskowa
Zapytaj
1 szt.
—
61
2607001126
Zestaw Do Przezbrojenia
Zapytaj
1 szt.
—
64
2606490047
Połowa Sprzęgła
Zapytaj
1 szt.
—
65
2600923001
Koszyczek Łożyska
Zapytaj
1 szt.
—
66
1903230007
Kula
9,00 zł
8 szt.
—
67
2606436001
Połowa Sprzęgła
Zapytaj
1 szt.
—
68
1900905122
Łożysko Kulkowe Zwykłe
36,00 zł
1 szt.
—
70
2600100695
Podkładka Regulacyjna
9,00 zł
1 szt.
—
94
2600301011
Tuleja Spiekana
9,00 zł
1 szt.
—
95
2600302002
Tuleja Spiekana
9,00 zł
2 szt.
—
96
2608040131
Uchwyt
Zapytaj
1 szt.
—
100
2601322016
Sprężyna Zacisku
11,00 zł
1 szt.
—
101
2912401420
Wkręt Do Blach
8,00 zł
5 szt.
—
102
2601329041
Strzemiączko
9,00 zł
1 szt.
—
104
2608018004
Wspornik Kontaktu
17,00 zł
1 szt.
—
107
2603421218
Wkręt Z Łbem Stożk. Płas.
Zapytaj
1 szt.
—
725
2608572053
UCHWYT SZYBKOMOCUJĄCY
Zapytaj
1 szt.
—
753
2607224425
Szybka Ładowarka
Zapytaj
1 szt.
—
791
2607336143
AKUMULATOR
Zapytaj
1 szt.
—
793
2608521018
Ostrze Wkrętarki
17,00 zł
1 szt.
—
797
2601398009
Pasek Do Noszenia
Zapytaj
1 szt.
—
801
2605104851
Skorupa Obudowy
Zapytaj
1 szt.
—
802
2607022918
Silnik Prądu Stałego
Zapytaj
1 szt.
—
826
2606309034
WRZECIONO WIERTARSKIE
Zapytaj
1 szt.
—
834
2602210904
Mimośród
Zapytaj
1 szt.
—
838
2606309923
Wał Pośredni
Zapytaj
1 szt.
—
840
2606308919
PRZEKŁADNIA ODBOCZKOWA
Zapytaj
1 szt.
—
899
0601934627
ATRAPA
Zapytaj
1 szt.
—