Części
Maszyny
Kontakt
Home
Maszyny
Wiertarko-wkrętarka
Bosch
GSR 6-25 TE
0601421745 -
GSR 6-25 TE Bosch GSR 6-25 TE
100%
Poz:
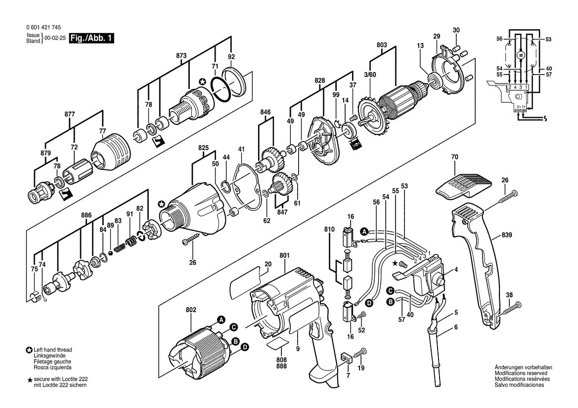
4
5
6
7
9
13
14
16
19
20
26
29
30
37
38
40
41
44
49
50
52
53
54
55
56
57
61
62
70
71
72
74
75
77
78
82
83
84
89
91
92
99
3/60
801
802
803
808
810
825
828
839
846
847
873
877
879
886
888
58 części
Sortuj
Poz.
Nr kat.
Nazwa
Cena brutto
Ilość
Zamów
4
2610994891
Przeł. Wejścia/Wyjścia
Zapytaj
1 szt.
—
5
3604460555
Przewód Zasil. Sieciowy
44,00 zł
1 szt.
—
6
2600703012
Końcówka
13,00 zł
1 szt.
—
7
2601035001
Uchwyt Przewodu
9,00 zł
1 szt.
—
9
2610906830
Tabliczka Firmy
Zapytaj
1 szt.
—
13
1900905018
Łożysko Kulkowe
66,00 zł
1 szt.
—
14
1610905013
Łożysko Kulkowe Zwykłe
Zapytaj
1 szt.
—
16
2604337003
Uchwyt Szczotek
11,00 zł
2 szt.
—
19
2603490022
Śruba
8,00 zł
2 szt.
—
20
2610906850
Tabliczka Informacyjna
Zapytaj
1 szt.
—
26
2603490025
Wkręt Soczewkowy Torx
8,00 zł
3 szt.
—
29
3600590505
Pierścień Zakrywający
9,00 zł
1 szt.
—
30
3602391503
Zderzak Gumowy
Zapytaj
3 szt.
—
37
2603410048
Śruba Do Gwint. Bezwiórk.
9,00 zł
2 szt.
—
38
2603490023
Wkręt Soczewkowy Torx
8,00 zł
3 szt.
—
40
3604448500
PRZEWÓD ŁĄCZĄCY
Zapytaj
1 szt.
—
41
3601016502
Pierśc. Uszczeln. Płaski
Zapytaj
1 szt.
—
44
2916650003
Pierścień Zabezpieczajacy
9,00 zł
1 szt.
—
49
2600917004
Tuleja Igłowa
15,00 zł
2 szt.
—
50
1610910057
Tuleja Igłowa
13,00 zł
1 szt.
—
52
2603490017
Wkręt Soczewkowy Torx
11,00 zł
4 szt.
—
53
3604448501
PRZEWÓD ŁĄCZĄCY
Zapytaj
1 szt.
—
54
3604448502
PRZEWÓD ŁĄCZĄCY
Zapytaj
1 szt.
—
55
3604448506
PRZEWÓD ŁĄCZĄCY
Zapytaj
1 szt.
—
56
3604448504
PRZEWÓD ŁĄCZĄCY
Zapytaj
1 szt.
—
57
3604448507
PRZEWÓD ŁĄCZĄCY
Zapytaj
1 szt.
—
61
2600100628
Podkładka Regulacyjna
9,00 zł
1 szt.
—
62
2600101654
Podkładka Regulacyjna
9,00 zł
1 szt.
—
70
3600690503
Zacisk Urządzenia
Zapytaj
1 szt.
—
71
3600210506
Pierścień Samouszczeln.
12,00 zł
1 szt.
—
72
3600360505
Tulejka Dystansowa
31,86 zł
1 szt.
—
74
1903230006
Kula
11,00 zł
1 szt.
—
75
3600034504
Koszyk Kul
11,19 zł
1 szt.
—
77
3600390502
Tuleja Blokująca
18,33 zł
1 szt.
—
78
3600290502
Pierścień Uszczelniający
15,00 zł
2 szt.
—
82
3600200516
Pierścień Sprężysty
4,18 zł
1 szt.
—
83
3604613507
Sprężyna
8,00 zł
1 szt.
—
84
3600118502
Pierścień Zabezpieczajacy
Zapytaj
1 szt.
—
89
1903230011
Kula
12,00 zł
1 szt.
—
91
3604613506
Sprężyna
8,00 zł
1 szt.
—
92
3600113506
Tuleja Izolacyjna
9,00 zł
1 szt.
—
99
3600171504
Pierścień Zabezpieczajacy
Zapytaj
1 szt.
—
3/60
1619P11262
wentylator
13,00 zł
1 szt.
—
801
3605108557
Kadłub Silnika
92,00 zł
1 szt.
—
802
2604220446
Stojan
74,00 zł
1 szt.
—
803
2604010801
Twornik
Zapytaj
1 szt.
—
808
3601119718
Tabliczka Znamionowa
Zapytaj
1 szt.
—
810
2604321905
Zestaw Szczotek Węglowych
31,00 zł
1 szt.
—
825
3605190518
Obudowa Przekładni
Zapytaj
1 szt.
—
828
3605806537
Most Łożyskowy
97,79 zł
1 szt.
—
839
3605133521
Pokrywa Obudowy
34,00 zł
1 szt.
—
846
3606120566
Wał Napędowy
Zapytaj
1 szt.
—
847
3606319522
Wał Zębaty
Zapytaj
1 szt.
—
873
3605190520
Sprzęgło Napędu
Zapytaj
1 szt.
—
877
3600552509
Ogran. Miernika Głębok.
99,02 zł
1 szt.
—
879
3600552505
Ogran. Miernika Głębok.
Zapytaj
1 szt.
—
886
3606441503
Sprzęgło Napędu
Zapytaj
1 szt.
—
888
160111A3H3
Tabliczka Znamionowa
12,00 zł
1 szt.
—