Części
Maszyny
Kontakt
Home
Maszyny
Wiertarki
DeWalt
Wiertarka
BM53-Type-1 -
Wiertarka DeWalt
100%
Poz:
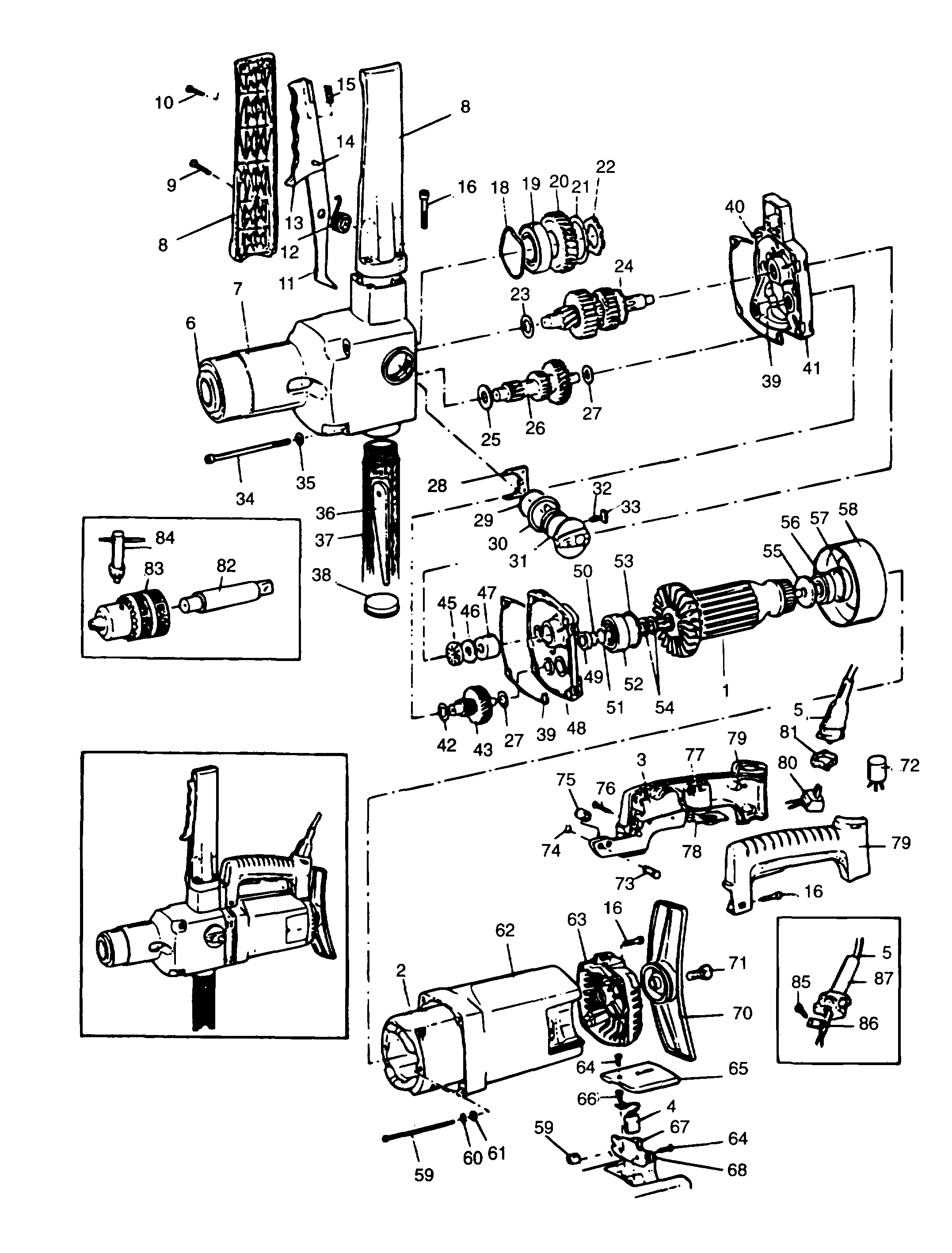
1
1
2
2
2
3
4
5
5
5
6
7
8
9
10
11
12
13
14
15
16
18
19
20
21
22
23
24
25
26
27
28
29
30
31
32
33
34
35
36
37
38
39
40
41
42
43
45
46
47
48
49
50
51
52
53
54
55
56
57
58
59
60
61
62
63
64
65
66
67
68
69
70
71
72
73
74
75
76
77
78
79
80
81
85
86
87
87 części
Sortuj
Poz.
Nr kat.
Nazwa
Cena brutto
Ilość
Zamów
1
868404-01
Twornik
Zapytaj
1 szt.
—
1
868404-00
Twornik
Zapytaj
1 szt.
—
2
868503-03
Stojan 230V
Zapytaj
1 szt.
—
2
868503-01
Stojan 115V
Zapytaj
1 szt.
—
2
868503-04
Stojan 240V
Zapytaj
1 szt.
—
3
932401-02
Wyłącznik - Podzespół
Zapytaj
1 szt.
—
4
932497-00
Szczotka
Zapytaj
1 szt.
—
5
949843-20
Przewód
Zapytaj
1 szt.
—
5
949770-15
Przewód I Wtyczka
Zapytaj
1 szt.
—
5
949770-29
Przewód I Wtyczka
Zapytaj
1 szt.
—
6
932292-00
Uchwyt Stożka
Zapytaj
1 szt.
—
7
932222-00
Skrzynka Przekładni - Podzespół
Zapytaj
1 szt.
—
8
935833-02
Uchwyt - Podzespół
Zapytaj
1 szt.
—
9
949896-14
Śruba
Zapytaj
1 szt.
—
10
949896-13
Śruba
7,00 zł
1 szt.
—
11
932315-00
Dźwignia
Zapytaj
1 szt.
—
12
932313-00
Sprężyna
Zapytaj
1 szt.
—
13
932317-00
Pokrywa
Zapytaj
1 szt.
—
14
932314-00
Kołek
Zapytaj
1 szt.
—
15
931013-00
Sprężyna
Zapytaj
1 szt.
—
16
860093-11
Śruba
7,00 zł
1 szt.
—
18
932293-00
Podkładka
7,00 zł
1 szt.
—
19
932294-00
Łożysko
Zapytaj
1 szt.
—
20
932295-00
Przekładnia
Zapytaj
1 szt.
—
21
932296-00
Podkładka
Zapytaj
1 szt.
—
22
932298-00
Pierścień
Zapytaj
1 szt.
—
23
932287-00
Podkładka
Zapytaj
1 szt.
—
24
869219-00
Przekładnia I Wrzeciono - Podzespół
Zapytaj
1 szt.
—
25
932286-00
Podkładka
Zapytaj
1 szt.
—
26
869219-02
Przekładnia I Wrzeciono - Podzespół
Zapytaj
1 szt.
—
27
932285-00
Podkładka
18,00 zł
1 szt.
—
28
932288-00
Płyta
Zapytaj
1 szt.
—
29
930039
Uszczelniacz
Zapytaj
1 szt.
—
30
932289-00
Podkładka
Zapytaj
1 szt.
—
31
932265-00
Dźwignia - Podzespół
Zapytaj
1 szt.
—
32
932290-00
Sprężyna
Zapytaj
1 szt.
—
33
932291-00
Sprężyna
Zapytaj
1 szt.
—
34
932407-00
Śruba
Zapytaj
1 szt.
—
35
931429-00
Podkładka
7,00 zł
1 szt.
—
36
932303-00
Wybijak
Zapytaj
1 szt.
—
37
948539-01
Uchwyt Boczny - Podzespół
Zapytaj
1 szt.
—
38
932308-01
Kołpak
Zapytaj
1 szt.
—
39
932312-00
Uszczelnienie
Zapytaj
1 szt.
—
40
932301-00
Kołek
Zapytaj
1 szt.
—
41
932250-00
Pokrywa - Podzespół
Zapytaj
1 szt.
—
42
932302-00
Podkładka
7,00 zł
1 szt.
—
43
932245-00
Przekładnia I Wrzeciono - Podzespół
Zapytaj
1 szt.
—
45
930017-00
Podkładka
Zapytaj
1 szt.
—
46
943733-00
Podkładka
Zapytaj
1 szt.
—
47
943959-00
Dystans
Zapytaj
1 szt.
—
48
943961-00
Pokrywa Skrzynki Przekładni - Podzespół
Zapytaj
1 szt.
—
49
932311-00
Uszczelniacz
Zapytaj
1 szt.
—
50
931052-00
Pierścień
Zapytaj
1 szt.
—
51
930940-00
Pierścień
Zapytaj
1 szt.
—
52
868768-05
Łożysko
Zapytaj
1 szt.
—
53
949729-02
Pierścień Sprężynujący
7,00 zł
1 szt.
—
54
932309-00
Podkładka
7,00 zł
1 szt.
—
55
930073-00
Dystans
Zapytaj
1 szt.
—
56
577745-00
Łożysko
27,00 zł
1 szt.
—
57
934409-00
Tuleja
Zapytaj
1 szt.
—
58
930072-00
Przegroda
Zapytaj
1 szt.
—
59
930246-00
Śruba
Zapytaj
1 szt.
—
60
761035-00
Podkładka
Zapytaj
1 szt.
—
61
949876-08
Podkładka
7,00 zł
1 szt.
—
62
932261-01
Skrzynka Pola
Zapytaj
1 szt.
—
63
932272-02
Zakończenie - Podzespół
Zapytaj
1 szt.
—
64
930251-01
Screw.Temp
Zapytaj
1 szt.
—
65
932306-01
Pokrywa Szczotki
Zapytaj
1 szt.
—
66
930242-00
Śruba
Zapytaj
1 szt.
—
67
930269-00
Płyta Podstawy - Podzespół
Zapytaj
1 szt.
—
68
930099-00
Sprężyna
Zapytaj
1 szt.
—
69
932307-00
Blok
Zapytaj
1 szt.
—
70
932320-00
Płyta
Zapytaj
1 szt.
—
71
932319-00
Śruba
Zapytaj
1 szt.
—
72
932476-00
Kondensator
Zapytaj
1 szt.
—
73
932406-00
Kołek
Zapytaj
1 szt.
—
74
932268-00
Pierścień
Zapytaj
1 szt.
—
75
932405-00
Wałek
Zapytaj
1 szt.
—
76
930079-01
Śruba
Zapytaj
1 szt.
—
77
932403-00
Wyłącznik Zwrotny
Zapytaj
1 szt.
—
78
932402-00
Suwak
Zapytaj
1 szt.
—
79
935896-01
Uchwyt - Podzespół
Zapytaj
1 szt.
—
80
930330-00
Wtyczka
Zapytaj
1 szt.
—
81
930331-00
Pierścień
Zapytaj
1 szt.
—
85
930076-00
Śruba
7,00 zł
1 szt.
—
86
930103-00
Zacisk Przewodu
7,00 zł
1 szt.
—
87
930981-00
Osłona Przewodu
Zapytaj
1 szt.
—