Części
Maszyny
Kontakt
Home
Maszyny
Wiertarki
DeWalt
Wiertarka
BM17E-Type-1 -
Wiertarka DeWalt
100%
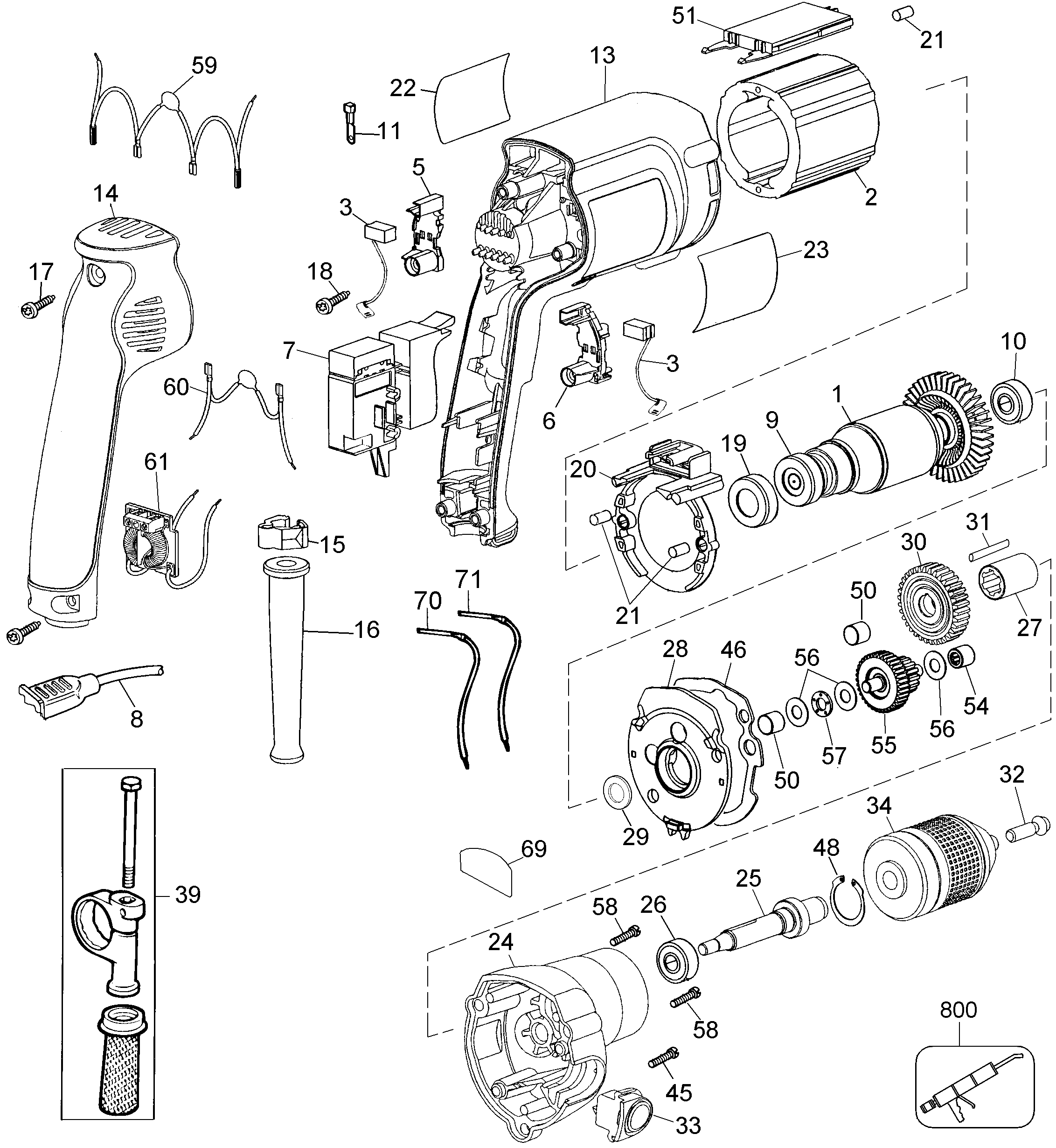
Poz:
1
2
3
5
6
7
8
9
10
11
13
14
15
16
17
18
19
19
20
21
22
24
25
26
27
28
29
30
31
32
33
34
39
42
45
46
48
50
51
54
55
56
57
58
59
60
61
69
70
71
800
51 części
Sortuj
Poz.
Nr kat.
Nazwa
Cena brutto
Ilość
Zamów
1
579598-15
Twornik 230V
Zapytaj
1 szt.
—
2
579605-01
Stojan 230V
Zapytaj
1 szt.
—
3
176949-00
Szczotka 230V
18,00 zł
1 szt.
—
5
176801-03
Szczotkotrzymacz
159,00 zł
1 szt.
—
6
176800-03
Szczotkotrzymacz
123,00 zł
1 szt.
—
7
176830-09
Wyłącznik
Zapytaj
1 szt.
—
8
330080-39
Cordset (Euro)
Zapytaj
1 szt.
—
9
605040-06
Bearing,Ball
15,00 zł
1 szt.
—
10
605040-06
Bearing,Ball
15,00 zł
1 szt.
—
11
449192-00
Zacisk
Zapytaj
1 szt.
—
13
429974-02
Skrzynka Pola - Zestaw
Zapytaj
1 szt.
—
14
176900-02
Uchwyt Pokrywy
Zapytaj
1 szt.
—
15
176832-00
Zacisk Przewodu
Zapytaj
1 szt.
—
16
N918736
Osłona Przewodu
7,00 zł
1 szt.
—
17
330019-13
Śruba
7,00 zł
1 szt.
—
18
176951-00
Śruba
7,00 zł
1 szt.
—
19
949721-03
Tuleja
Zapytaj
1 szt.
—
19
389824-00
Bagażnik
7,00 zł
1 szt.
—
20
176811-00
Przegroda
9,00 zł
1 szt.
—
21
949638-02
Tłumik Drgań
7,00 zł
1 szt.
—
22
152529-00
Etykieta
Zapytaj
1 szt.
—
24
176634-03SV
Obudowa Przekładni
Zapytaj
1 szt.
—
25
176638-00
Wrzeciono
Zapytaj
1 szt.
—
26
605040-20
Łożysko
18,00 zł
1 szt.
—
27
176691-00
Dystans
Zapytaj
1 szt.
—
28
388761-00
Pokrywa Skrzynki Przekładni
24,00 zł
1 szt.
—
29
023813-00
Podkładka Tekstylna
7,00 zł
1 szt.
—
30
176639-00
Przekładnia
Zapytaj
1 szt.
—
31
099227-05
Kołek
Zapytaj
1 szt.
—
32
605256-01
Śruba
Zapytaj
1 szt.
—
33
176641-00
Blokada Wrzeciona
Zapytaj
1 szt.
—
34
330075-45
Uchwyt Bezkluczykowy
Zapytaj
1 szt.
—
39
N429860
Uchwyt Boczny
Zapytaj
1 szt.
—
42
385151-00
Plakietka Z Nazwą
Zapytaj
1 szt.
—
45
330019-14
Śruba
7,00 zł
1 szt.
—
46
176655-00
Uszczelnienie
7,00 zł
1 szt.
—
48
087692-00
Ustalacz
7,00 zł
1 szt.
—
50
093128-00
Łożysko Igiełkowe
9,00 zł
1 szt.
—
51
176917-00
Moduł
Zapytaj
1 szt.
—
54
330004-00
Łożysko
15,00 zł
1 szt.
—
55
176647-00SV
Przekładnia I Wałek Zębaty - Podzespół
224,00 zł
1 szt.
—
56
091817-00
Podkładka
Zapytaj
1 szt.
—
57
091644-00
Łożysko Oporowe
Zapytaj
1 szt.
—
58
330019-16
Śruba
7,00 zł
1 szt.
—
59
384022-00
Kondensator - Podzespół
Zapytaj
1 szt.
—
60
384021-00
Kondensator - Podzespół
Zapytaj
1 szt.
—
61
383714-00
Układ Elektroniczny
Zapytaj
1 szt.
—
69
387232-00
Etykieta
Zapytaj
1 szt.
—
70
176893-00
Lead Black
Zapytaj
1 szt.
—
71
176834-00
Lead Blue
Zapytaj
1 szt.
—
800
286436-00
Smar
709,00 zł
1 szt.
—