Części
Maszyny
Kontakt
Home
Maszyny
Wiertarki
DeWalt
Wiertarka
DW1201----E-Type-1 -
Wiertarka DeWalt
100%
Poz:
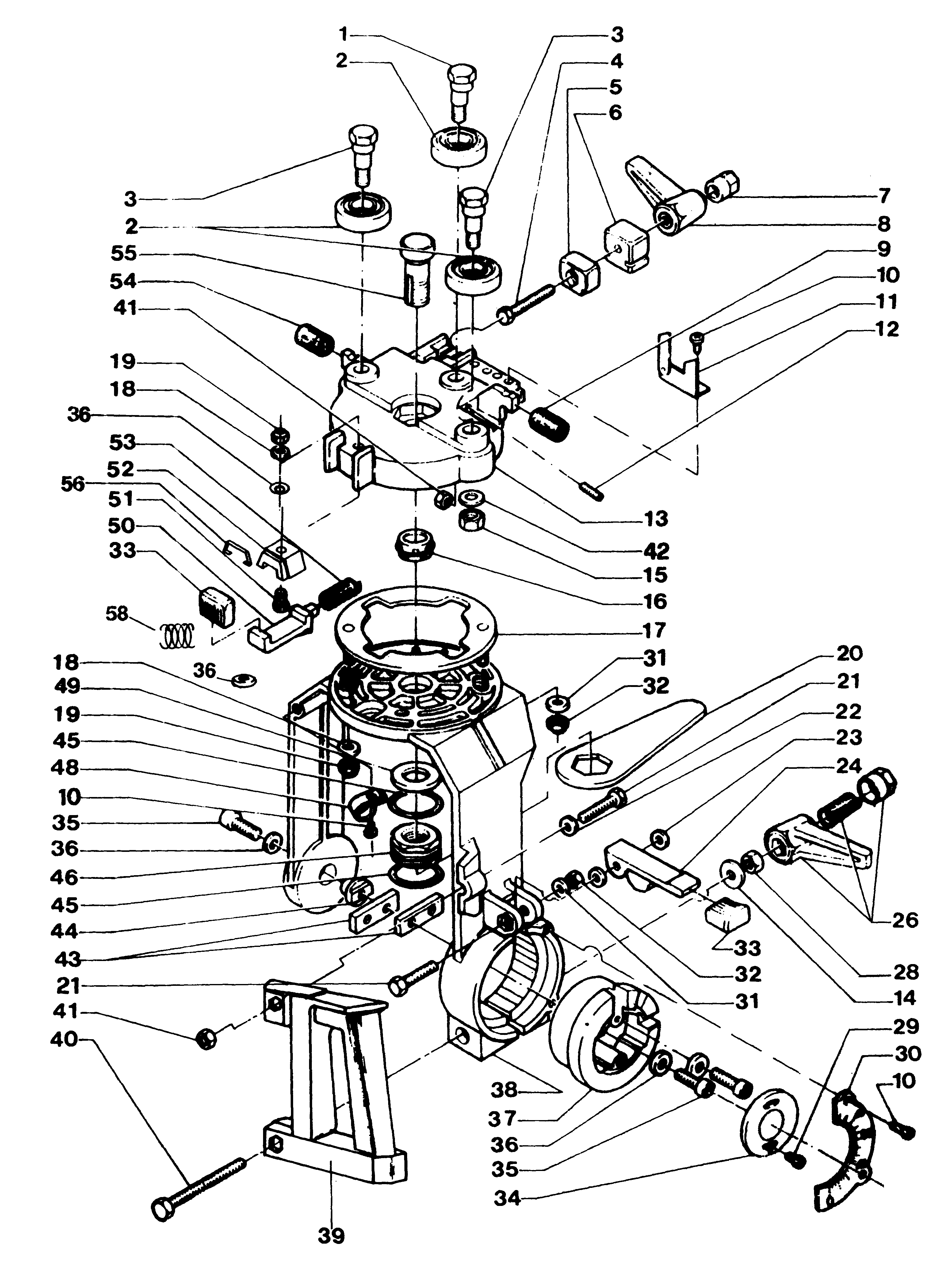
1
2
3
4
5
6
7
8
9
10
11
12
13
14
15
16
17
18
19
20
21
22
23
24
26
28
29
30
31
32
33
34
35
36
37
38
39
40
41
42
43
46
48
50
51
52
53
54
55
56
57
58
52 części
Sortuj
Poz.
Nr kat.
Nazwa
Cena brutto
Ilość
Zamów
1
760417-00
Wał
38,00 zł
1 szt.
—
2
860154-00
Łożysko
182,00 zł
1 szt.
—
3
760421-00
Wał
27,00 zł
1 szt.
—
4
11194
Śruba
Zapytaj
1 szt.
—
5
945643-00
Blokada
Zapytaj
1 szt.
—
6
33087
Blokada
Zapytaj
1 szt.
—
7
31576
Pokrywa
Zapytaj
1 szt.
—
8
34539
Dźwignia
Zapytaj
1 szt.
—
9
31703
Ogranicznik Gumowy
Zapytaj
1 szt.
—
10
860094-02
Śruba
7,00 zł
1 szt.
—
11
31160
Wskaźnik
Zapytaj
1 szt.
—
12
860088-10
Kołek
7,00 zł
1 szt.
—
13
76536
Głowica Wałka
Zapytaj
1 szt.
—
14
860073-03
Podkładka M8
7,00 zł
1 szt.
—
15
860083-08
Nakrętka
7,00 zł
1 szt.
—
16
31094
Panew
Zapytaj
1 szt.
—
17
131087
Podkładka Oporowa
Zapytaj
1 szt.
—
18
860073-01
Podkładka
7,00 zł
1 szt.
—
19
860092-03
Nakrętka
7,00 zł
1 szt.
—
20
31192
Rękojeść
Zapytaj
1 szt.
—
21
943520-00
Śruba
Zapytaj
1 szt.
—
22
860074-02
Podkładka
7,00 zł
1 szt.
—
23
31211
Podkładka
Zapytaj
1 szt.
—
24
31090
Zaczep
Zapytaj
1 szt.
—
26
197346
Zacisk - Podzespół
Zapytaj
1 szt.
—
28
860083-15
Nakrętka
7,00 zł
1 szt.
—
29
949894-06
Śruba
7,00 zł
1 szt.
—
30
31105
Podziałka
Zapytaj
1 szt.
—
31
720959-00
Podkładka
7,00 zł
1 szt.
—
32
860092-00
Nakrętka
7,00 zł
1 szt.
—
33
760427-00
Kołpak
Zapytaj
1 szt.
—
34
31106
Pointer,Round 44Mm
Zapytaj
1 szt.
—
35
860093-07
Śruba
7,00 zł
1 szt.
—
36
860658-01
Podkładka
7,00 zł
1 szt.
—
37
76445
Trunion
Zapytaj
1 szt.
—
38
176060
Jarzmo
Zapytaj
1 szt.
—
39
760469-00
Rękojeść
Zapytaj
1 szt.
—
40
31771
Śruba
Zapytaj
1 szt.
—
41
860083-03
Nakrętka
7,00 zł
1 szt.
—
42
860074-03
Podkładka
7,00 zł
1 szt.
—
43
863010-00
Płyta
Zapytaj
1 szt.
—
46
31196
Nakrętka
Zapytaj
1 szt.
—
48
11723
Płyta Dociskowa
Zapytaj
1 szt.
—
50
131103
Zaczep
Zapytaj
1 szt.
—
51
860085-06
Śruba
Zapytaj
1 szt.
—
52
31568
Wałek
Zapytaj
1 szt.
—
53
32582
Sprężyna
Zapytaj
1 szt.
—
54
860786-00
Ogranicznik Gumowy
8,00 zł
1 szt.
—
55
31195
Śruba
Zapytaj
1 szt.
—
56
863803-00
Pręt
57,00 zł
1 szt.
—
57
197289
Głowica Wałka - Podzespół
Zapytaj
1 szt.
—
58
31832
Sprężyna
Zapytaj
1 szt.
—