Części
Maszyny
Kontakt
Home
Maszyny
Wiertarki
DeWalt
Wiertarka
BM12E-Type-1 -
Wiertarka DeWalt
100%
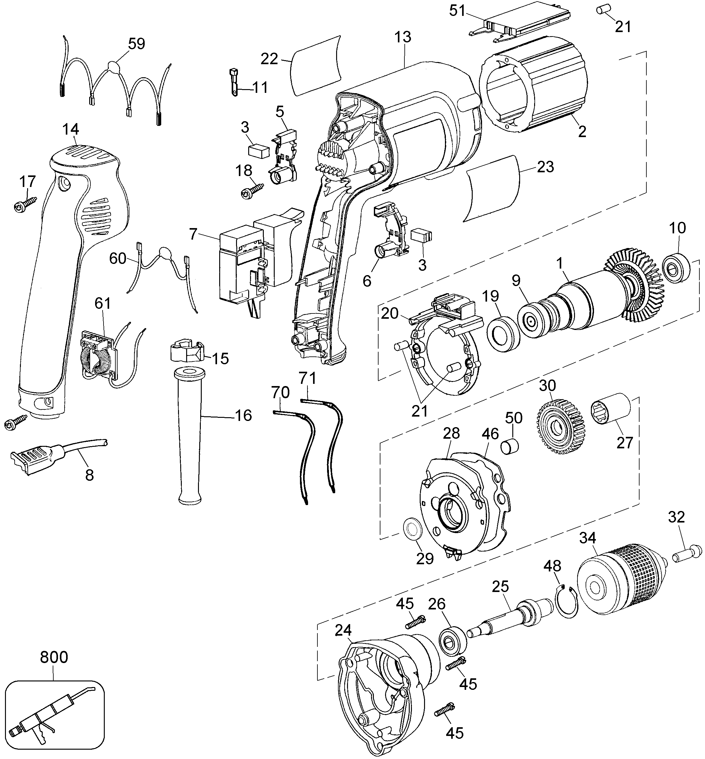
Poz:
1
2
3
5
6
7
8
9
10
11
13
14
15
16
17
18
19
20
21
22
23
24
25
26
27
28
29
30
32
34
45
46
48
50
51
59
60
61
70
71
800
41 części
Sortuj
Poz.
Nr kat.
Nazwa
Cena brutto
Ilość
Zamów
1
176851-01
Twornik I Wentylator
Zapytaj
1 szt.
—
2
176849-01SV
Stojan 230V
Zapytaj
1 szt.
—
3
176949-00
Szczotka 230V
18,00 zł
1 szt.
—
5
176801-03
Szczotkotrzymacz
159,00 zł
1 szt.
—
6
176800-03
Szczotkotrzymacz
123,00 zł
1 szt.
—
7
176830-09
Wyłącznik
Zapytaj
1 szt.
—
8
330080-39
Cordset (Euro)
Zapytaj
1 szt.
—
9
605040-06
Bearing,Ball
15,00 zł
1 szt.
—
10
605040-06
Bearing,Ball
15,00 zł
1 szt.
—
11
449192-00
Zacisk
Zapytaj
1 szt.
—
13
176815-01
Skrzynka Pola
Zapytaj
1 szt.
—
14
176898-02
Uchwyt Pokrywy
Zapytaj
1 szt.
—
15
176832-00
Zacisk Przewodu
Zapytaj
1 szt.
—
16
N918736
Osłona Przewodu
7,00 zł
1 szt.
—
17
330019-13
Śruba
7,00 zł
1 szt.
—
18
176951-00
Śruba
7,00 zł
1 szt.
—
19
949721-03
Tuleja
Zapytaj
1 szt.
—
20
176811-00
Przegroda
9,00 zł
1 szt.
—
21
949638-02
Tłumik Drgań
7,00 zł
1 szt.
—
22
152529-00
Etykieta
Zapytaj
1 szt.
—
23
385153-00
Plakietka Z Nazwą
Zapytaj
1 szt.
—
24
176693-00SV
Skrzynka Przekładni
159,00 zł
1 szt.
—
25
176680-01
Wrzeciono
102,00 zł
1 szt.
—
26
605040-20
Łożysko
18,00 zł
1 szt.
—
27
176691-01
Dystans
7,00 zł
1 szt.
—
28
386622-00
Pokrywa Skrzynki Przekładni
34,00 zł
1 szt.
—
29
023813-00
Podkładka Tekstylna
7,00 zł
1 szt.
—
30
176629-00
Przekładnia
42,00 zł
1 szt.
—
32
149518-01
Śruba
7,00 zł
1 szt.
—
34
330075-85
Uchwyt Bezkluczykowy
115,00 zł
1 szt.
—
45
330019-14
Śruba
7,00 zł
1 szt.
—
46
176655-00
Uszczelnienie
7,00 zł
1 szt.
—
48
087692-00
Ustalacz
7,00 zł
1 szt.
—
50
093128-00
Łożysko Igiełkowe
9,00 zł
1 szt.
—
51
176917-00
Moduł
Zapytaj
1 szt.
—
59
384022-00
Kondensator - Podzespół
Zapytaj
1 szt.
—
60
384021-00
Kondensator - Podzespół
Zapytaj
1 szt.
—
61
383714-00
Układ Elektroniczny
Zapytaj
1 szt.
—
70
176893-00
Lead Black
Zapytaj
1 szt.
—
71
176834-00
Lead Blue
Zapytaj
1 szt.
—
800
286436-00
Smar
709,00 zł
1 szt.
—