Części
Maszyny
Kontakt
Home
Maszyny
Wiertarki
DeWalt
Wiertarka
DW160-Type-1 -
Wiertarka DeWalt
100%
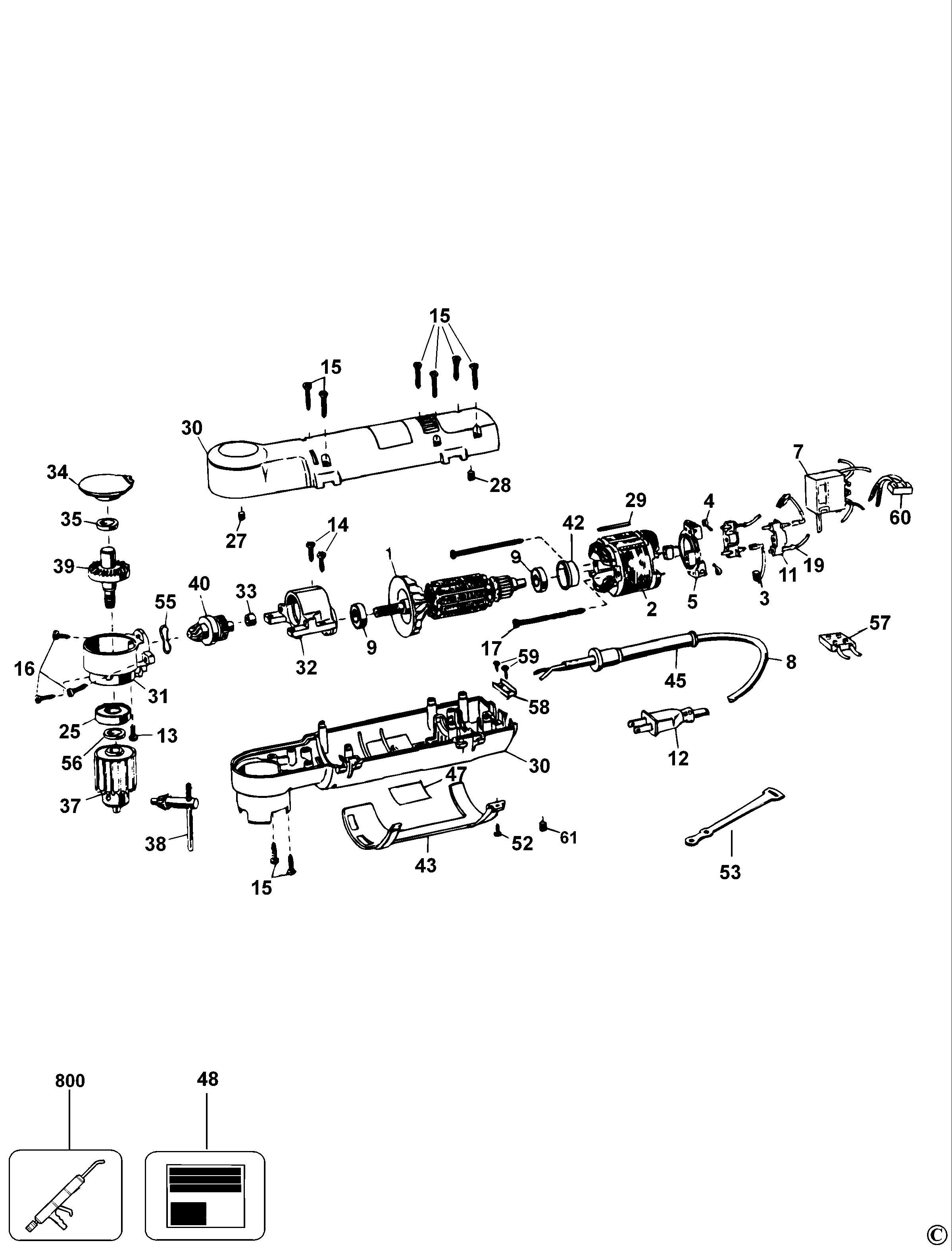
Poz:
1
2
3
4
5
7
8
9
11
13
14
15
16
17
19
25
27
28
29
31
32
33
34
35
37
38
39
40
42
43
45
45
47
48
52
53
55
56
57
58
59
60
61
800
44 części
Sortuj
Poz.
Nr kat.
Nazwa
Cena brutto
Ilość
Zamów
1
448583-35
Twornik I Wentylator
Zapytaj
1 szt.
—
2
447864-18
Pole
Zapytaj
1 szt.
—
3
761819-00
Szczotka
Zapytaj
1 szt.
—
4
445860-00
Sprężyna Szczotki
7,00 zł
1 szt.
—
5
449899-05
Pierścień
32,00 zł
1 szt.
—
7
429883-00
Wyłącznik - Podzespół
Zapytaj
1 szt.
—
8
330080-30
Cordset (Euro)
Zapytaj
1 szt.
—
9
605040-06
Bearing,Ball
15,00 zł
1 szt.
—
11
449829-00
Nakrętka
7,00 zł
1 szt.
—
13
055206-00
Śruba
7,00 zł
1 szt.
—
14
133042-00
Śruba
7,00 zł
1 szt.
—
15
330019-05
Śruba
7,00 zł
1 szt.
—
16
330013-03
Śruba
7,00 zł
1 szt.
—
17
448269-00
Śruba
Zapytaj
1 szt.
—
19
449192-00
Zacisk
Zapytaj
1 szt.
—
25
605040-20
Łożysko
18,00 zł
1 szt.
—
27
030611-00
Wtyczka
8,00 zł
1 szt.
—
28
095114-00
Wtyczka
7,00 zł
1 szt.
—
29
445402-00
Nakładka Do Szlifowania
7,00 zł
1 szt.
—
31
449857-00
Skrzynka Przekładni
Zapytaj
1 szt.
—
32
449033-01
Skrzynka Przekładni
Zapytaj
1 szt.
—
33
131557-00
Tuleja
15,00 zł
1 szt.
—
34
448591-00
Pokrywa Skrzynki Przekładni
102,00 zł
1 szt.
—
35
445175-00
Tuleja
10,00 zł
1 szt.
—
37
429663-00
Uchwyt I Kluczyk
188,00 zł
1 szt.
—
38
330034-07
Kluczyk Wiertarski
8,00 zł
1 szt.
—
39
445414-01SV
Przekładnia I Wrzeciono - Podzespół
Zapytaj
1 szt.
—
40
445397-03SV
Przekładnia I Wałek Zębaty
149,00 zł
1 szt.
—
42
445217-02
Tuleja
7,00 zł
1 szt.
—
43
286495-00
Mieszadło
Zapytaj
1 szt.
—
45
N918736
Osłona Przewodu
7,00 zł
1 szt.
—
45
N542553
Osłona Przewodu
Zapytaj
1 szt.
—
47
569037-00
Tabliczka Znamionowa
18,00 zł
1 szt.
—
48
395047-00
Etykieta Towarowa
7,00 zł
1 szt.
—
52
80488
Śruba
Zapytaj
1 szt.
—
53
65288-02
Uchwyt
Zapytaj
1 szt.
—
55
448373-00
Podkładka Sprężysta
7,00 zł
1 szt.
—
56
447765-00
Podkładka
7,00 zł
1 szt.
—
57
320078-00
Blok Zacisku
7,00 zł
1 szt.
—
58
142519-00
Zacisk Przewodu
7,00 zł
1 szt.
—
59
330013-03
Śruba
7,00 zł
1 szt.
—
60
93585-00
Kondensator
Zapytaj
1 szt.
—
61
385257-00
Sprężyna
Zapytaj
1 szt.
—
800
870889-02
Smar
51,00 zł
1 szt.
—