Części
Maszyny
Kontakt
Home
Maszyny
Wiertarki
DeWalt
Wiertarka
DW1503----H-Type-1 -
Wiertarka DeWalt
100%
Poz:
1
2
3
4
5
6
7
8
9
10
11
12
13
14
14
15
16
17
18
19
21
22
23
23 części
Sortuj
Poz.
Nr kat.
Nazwa
Cena brutto
Ilość
Zamów
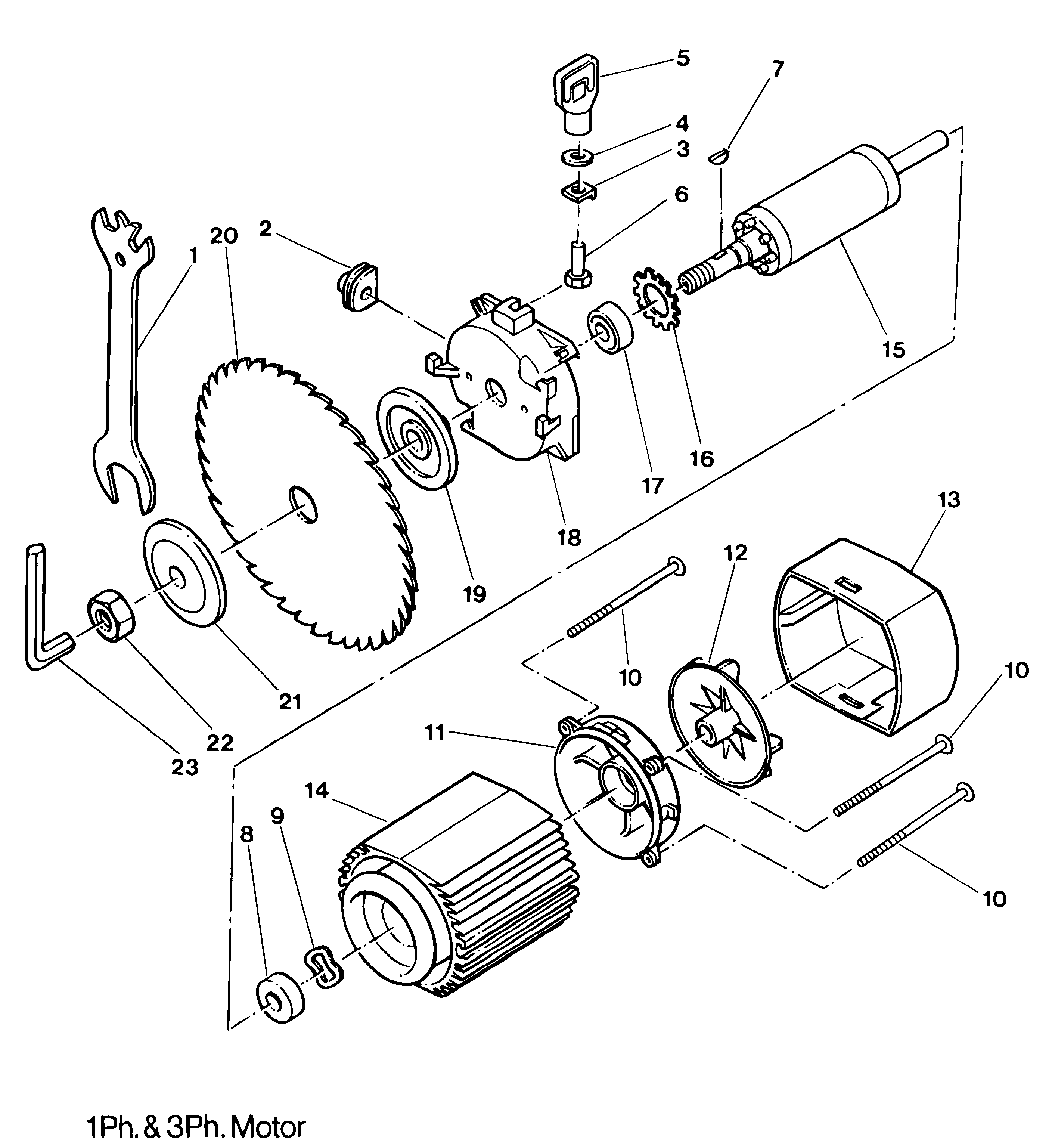
1
860153-00
Klucz
Zapytaj
1 szt.
—
2
860447-00
Panew
32,00 zł
1 szt.
—
3
860807-00
Płyta
Zapytaj
1 szt.
—
4
860073-03
Podkładka M8
7,00 zł
1 szt.
—
5
860143-00
Nakrętka Wing
Zapytaj
1 szt.
—
6
860085-19
Śruba
7,00 zł
1 szt.
—
7
860318-01
Klucz
Zapytaj
1 szt.
—
8
868768-07
Łożysko
34,00 zł
1 szt.
—
9
860080-02
Pierścień
7,00 zł
1 szt.
—
10
860446-00
Pręt
7,00 zł
1 szt.
—
11
860443-00
Zakończenie
57,00 zł
1 szt.
—
12
860444-00
Wentylator
21,00 zł
1 szt.
—
13
860445-00
Pokrywa
27,00 zł
1 szt.
—
14
868413-00
Stojan
Zapytaj
1 szt.
—
14
868413-01
Stojan - Podzespół
Zapytaj
1 szt.
—
15
197312
Wirnik 3 Fazowy
Zapytaj
1 szt.
—
16
860806-00
Pierścień
9,00 zł
1 szt.
—
17
930566
Łożysko
Zapytaj
1 szt.
—
18
860808-00
Osłona
Zapytaj
1 szt.
—
19
863266-00
Pierścień Wewnętrzny
Zapytaj
1 szt.
—
21
177135
Kołnierz
Zapytaj
1 szt.
—
22
860126-01
Nakrętka
Zapytaj
1 szt.
—
23
860098-05
Klucz Imbusowy 8 Mm
15,00 zł
1 szt.
—