Części
Maszyny
Kontakt
Home
Maszyny
Wiertarki udarowe
DeWalt
Wiertarka udarowa
SB22EK-Type-2 -
Wiertarka udarowa DeWalt
100%
Poz:
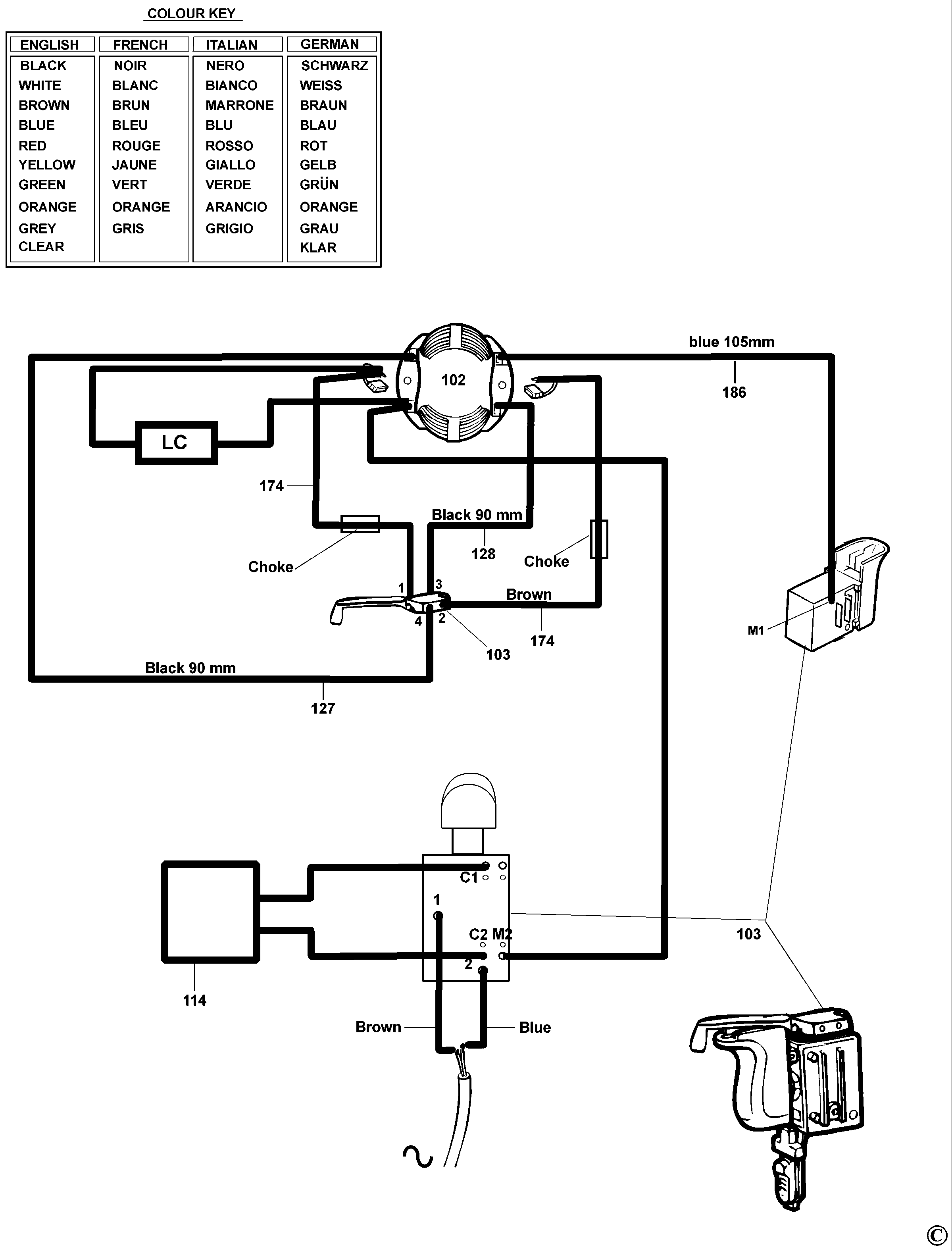
101
102
103
105
106
107
108
109
110
113
114
115
116
117
118
119
120
121
122
123
124
125
125
126
127
128
135
140
141
142
143
144
145
146
147
148
149
150
151
152
153
154
155
156
157
158
159
160
161
167
168
168
169
170
171
172
174
186
800
816
830
61 części
Sortuj
Poz.
Nr kat.
Nazwa
Cena brutto
Ilość
Zamów
101
327471-02
Twornik 230V
Zapytaj
1 szt.
—
102
328961-02
Stojan 230V
Zapytaj
1 szt.
—
103
176830-15
Wyłącznik
Zapytaj
1 szt.
—
105
402760-01
Kołek
Zapytaj
1 szt.
—
106
401878-00
Uchwty Szczotki - Podzespół
Zapytaj
1 szt.
—
107
401877-00
Uchwty Szczotki - Podzespół
Zapytaj
1 szt.
—
108
327293-00
Baffle Fan
Zapytaj
1 szt.
—
109
949638-01
Zderzak
7,00 zł
1 szt.
—
110
390198-00
Śruba
7,00 zł
1 szt.
—
113
327290-04
Osłona - Podzespół
Zapytaj
1 szt.
—
114
949877-01
Kondensator
9,00 zł
1 szt.
—
115
330065-06
Śruba
7,00 zł
1 szt.
—
116
330003-19
Łożysko
16,00 zł
1 szt.
—
117
949876-25
Podkładka
Zapytaj
1 szt.
—
118
870052
Tuleja
7,00 zł
1 szt.
—
119
329794-00
Śruba
Zapytaj
1 szt.
—
120
327296-00
Kołpak
Zapytaj
1 szt.
—
121
327298-00
Pokrywa
Zapytaj
1 szt.
—
122
330065-08
Śruba
7,00 zł
1 szt.
—
123
930026-01
Odbój
7,00 zł
1 szt.
—
124
402648-00
Zacisk Przewodu
7,00 zł
1 szt.
—
125
403395-00
Osłona Przewodu
15,00 zł
1 szt.
—
125
401751-00
Osłona Przewodu
14,00 zł
1 szt.
—
126
N571221
Cordset (Euro)
78,00 zł
1 szt.
—
127
949801-86
Lead Black 90Mm
Zapytaj
1 szt.
—
128
949801-85
Lead Black 90Mm
Zapytaj
1 szt.
—
135
605040-05
Łożysko
9,00 zł
1 szt.
—
140
327313-02
Wrzeciono - Podzespół
Zapytaj
1 szt.
—
141
930028-00
O-Ring
7,00 zł
1 szt.
—
142
931890
Sprężyna
7,00 zł
1 szt.
—
143
605040-25
Bearing,Ball
18,00 zł
1 szt.
—
144
944137-00
Pierścień Sprężynujący
Zapytaj
1 szt.
—
145
931398
Pierścień
Zapytaj
1 szt.
—
146
1008288-00
Przekładnia
Zapytaj
1 szt.
—
147
945706-00
Zapadka
12,00 zł
1 szt.
—
148
917725
Kulka
7,00 zł
1 szt.
—
149
330041-25
Kołek
Zapytaj
1 szt.
—
150
327311-00
Skrzynka Przekładni - Podzespół
Zapytaj
1 szt.
—
151
1006305-00
Uszczelniacz
7,00 zł
1 szt.
—
152
323711-34
O-Ring
7,00 zł
1 szt.
—
153
N403227
Zapadka
7,00 zł
1 szt.
—
154
330065-22
Śruba
7,00 zł
1 szt.
—
155
327309-01
Gałka
Zapytaj
1 szt.
—
156
930102-00
Podkładka
Zapytaj
1 szt.
—
157
327314-00
Urządzenie Uruchamiające
Zapytaj
1 szt.
—
158
577850-01
Wał Wewnętrzny - Podzespół
Zapytaj
1 szt.
—
159
327291-00
Uszczelniacz
Zapytaj
1 szt.
—
160
583999-01
Pokrywa Skrzynki Przekładni - Podzespół
Zapytaj
1 szt.
—
161
916010
Odbój
Zapytaj
1 szt.
—
167
580095-00
Śruba
Zapytaj
1 szt.
—
168
5140071-68
Uchwyt Wiertarski 13Mm
51,00 zł
1 szt.
—
168
586200-01
Uchwyt Bezkluczykowy
Zapytaj
1 szt.
—
169
330034-07
Kluczyk Wiertarski
8,00 zł
1 szt.
—
170
575237-00
Śruba
Zapytaj
1 szt.
—
171
939794-02
Uchwyt Boczny - Podzespół
51,00 zł
1 szt.
—
172
580787-00
Ogranicznik Głębokości
8,00 zł
1 szt.
—
174
329604-02
Szczotka Pair 230V Sa
Zapytaj
1 szt.
—
186
573310-01
Przewód - Podzespół
Zapytaj
1 szt.
—
800
870889-02
Smar
51,00 zł
1 szt.
—
816
152529-00
Etykieta
Zapytaj
1 szt.
—
830
559596-99
Ściągacz
241,00 zł
1 szt.
—