Części
Maszyny
Kontakt
Home
Maszyny
Wiertarka
Bosch
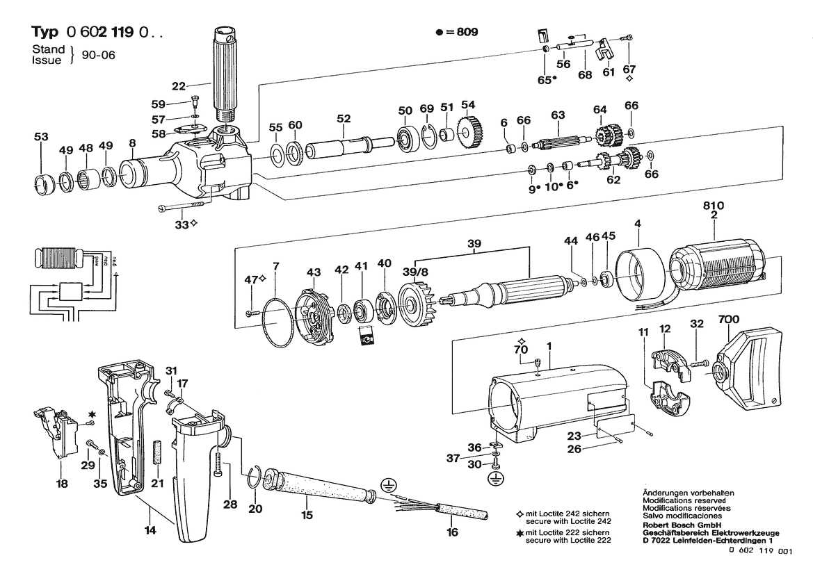
WIERTARKA GR.77
0602119009 -
WIERTARKA Bosch GR.77
100%
Poz:
1
4
6
7
8
9
11
12
14
15
16
17
18
20
21
22
23
26
28
30
31
32
33
35
36
37
39
40
41
42
43
44
45
46
47
48
49
50
51
52
53
54
55
56
57
58
59
60
61
62
63
64
65
66
67
68
69
70
71
651
700
800
809
810
64 części
Sortuj
Poz.
Nr kat.
Nazwa
Cena brutto
Ilość
Zamów
1
3605102054
Kadłub Silnika
Zapytaj
1 szt.
—
4
1600209002
Pierścień Kier. Powietrza
9,59 zł
1 szt.
6
1600910013
Tuleja Igłowa
18,08 zł
2 szt.
7
1600210006
Pierścień Samouszczeln.
5,29 zł
1 szt.
8
3605806124
Łożysko Wrzeciona
Zapytaj
1 szt.
—
9
1600000004
Tarcza Oporowa
Zapytaj
1 szt.
—
11
3605500058
Pokrywa Zamykająca
43,91 zł
1 szt.
12
3605500059
Pokrywa Zamykająca
48,83 zł
1 szt.
14
3605132023
Rękojeść
Zapytaj
1 szt.
—
15
1600703009
Końcówka
16,85 zł
1 szt.
16
3607030235
Grupa Części Zamiennych
382,53 zł
1 szt.
17
1601303003
Zacisk Mocujący
7,13 zł
1 szt.
18
1607200038
Wyłącznik
189,30 zł
1 szt.
20
2916600017
Pierścień Sprężysty
Zapytaj
1 szt.
—
21
1602381001
Taśma Izolacyjna
Zapytaj
1 szt.
—
22
1600763010
Rękojeść
145,39 zł
1 szt.
23
3601106053
Tabliczka Znamionowa
11,07 zł
1 szt.
26
3603133001
Nitokołek
5,29 zł
2 szt.
28
2910141163
Śr.Z Łb.Okr.O Gnieź.Sześ.
4,06 zł
4 szt.
30
2910110120
Śruba Z Łbem Płaskim
4,06 zł
1 szt.
31
2910021116
Śruba Z Łbem Walcowym
7,26 zł
2 szt.
32
2910141160
Śr.Z Łb.Okr.O Gnieź.Sześ.
4,06 zł
4 szt.
33
3603414007
Śruba Z Łbem Walcowym
Zapytaj
4 szt.
—
35
2916690003
Pierścień Sprężysty
4,06 zł
2 szt.
36
3601321001
Pałąk Zaciskowy
9,59 zł
1 szt.
37
3600150006
Podkładka Sprężysta
5,29 zł
1 szt.
39
1604080056
Wirnik Bez Uzwojenia
Zapytaj
1 szt.
—
40
1600501019
Pokrywa Łożyska
85,24 zł
1 szt.
41
1600900001
Łożysko Kulkowe Zwykłe
Zapytaj
1 szt.
—
42
1600108003
Tarcza Filcowa
Zapytaj
1 szt.
—
43
3605820063
Magazyn Przejściowy
Zapytaj
1 szt.
—
44
1600A004DT
Podkładka Regulacyjna
7,13 zł
2 szt.
45
1900900005
Łożysko Kulkowe Rozłączne
Zapytaj
1 szt.
—
46
1600100632
Podkładka Regulacyjna
4,06 zł
1 szt.
47
2910021125
Śruba Z Łbem Walcowym
4,06 zł
3 szt.
48
1600910001
Tuleja Igłowa
Zapytaj
1 szt.
—
49
3600283018
Pierśc. Uszcz. Promien.
38,87 zł
2 szt.
50
1600900004
Łożysko Kulkowe Zwykłe
Zapytaj
1 szt.
—
51
1600300028
Tulejka Dystansowa
Zapytaj
1 szt.
—
52
1606135009
WRZECIONO WIERTARSKIE
Zapytaj
1 szt.
—
53
1600201006
Tuleja Prowadząca
Zapytaj
1 szt.
—
54
1606317045
Koło Zębate Czołowe
Zapytaj
1 szt.
—
55
1600102678
Podkładka Regulacyjna
Zapytaj
1 szt.
—
56
1603104005
Trzpień Nastawczy
192,00 zł
1 szt.
57
1420100620
Podkładka Regulacyjna
5,41 zł
3 szt.
58
1602026026
Dźwignia Zmiany Biegów
34,32 zł
1 szt.
59
1603413005
Śruba Z Łbem Walcowym
9,72 zł
1 szt.
60
1600205009
Pierścień Filcowy
Zapytaj
1 szt.
—
61
1602120006
Dźwignia Zmiany Biegów
20,91 zł
1 szt.
62
1606328060
Wał Z Kołem Zębatym
Zapytaj
1 szt.
—
63
1606309036
Wał Z Kołem Zębatym
382,53 zł
1 szt.
64
1606328059
Koło Zębate Czołowe
Zapytaj
1 szt.
—
65
1600283003
PIERŚCIEN USZCZELNIAJĄCY
13,65 zł
1 szt.
66
1600100631
Podkładka Regulacyjna
5,29 zł
1 szt.
67
2910021122
Śruba Z Łbem Walcowym
4,06 zł
1 szt.
68
2916680004
Pierścień Sprężysty
7,26 zł
1 szt.
69
2916660019
Pierścień Zabezpieczajacy
13,65 zł
1 szt.
70
1603402002
Wkręt Bez Łba
5,29 zł
6 szt.
71
3604477008
Tuleja Końcowa Żyły
4,06 zł
3 szt.
651
3601030002
Wybijak
38,87 zł
1 szt.
700
3605133010
Rękojeść
Zapytaj
1 szt.
—
800
3605820033
Magazyn Przejściowy
404,18 zł
1 szt.
809
3605806066
Łożysko Wrzeciona
Zapytaj
1 szt.
—
810
1604229174
Stojan
Zapytaj
1 szt.
—