Części
Maszyny
Kontakt
Home
Maszyny
Wiertarka
Bosch
WIERTARKA GBM 13-2 RE
0601169532 -
WIERTARKA Bosch GBM 13-2 RE
100%
Poz:
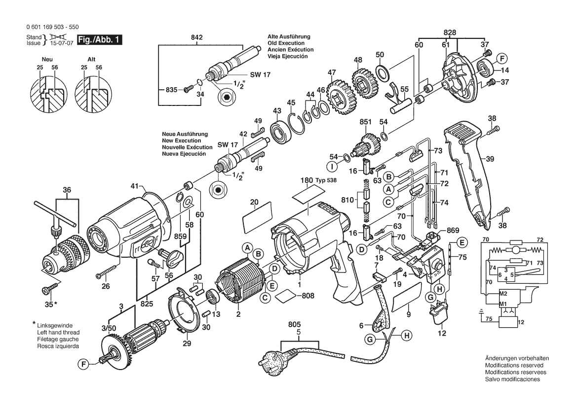
1
2
3
4
5
6
7
9
12
13
14
16
18
19
20
26
29
30
34
35
36
37
38
39
41
42
43
44
45
46
47
48
49
50
54
55
56
57
58
60
61
63
70
71
72
73
74
75
3/50
654
753
808
810
825
828
835
842
851
859
869
653/20
653/30
653/50
653/60
64 części
Sortuj
Poz.
Nr kat.
Nazwa
Cena brutto
Ilość
Zamów
1
2605104332
Kadłub Silnika
Zapytaj
1 szt.
—
2
2604220495
Stojan
97,79 zł
1 szt.
3
2604010858
Twornik
189,30 zł
1 szt.
4
2607200209
Wyłącznik
145,39 zł
1 szt.
5
1604460432
Przewód Zasil. Sieciowy
33,83 zł
1 szt.
6
2600707059
Końcówka
8,36 zł
1 szt.
7
2601035001
Uchwyt Przewodu
5,29 zł
1 szt.
9
2601116664
Tabliczka Firmy
11,07 zł
1 szt.
12
2607329114
Filtr Przeciwzakłóceniowy
Zapytaj
1 szt.
—
13
1900905018
Łożysko Kulkowe
59,53 zł
1 szt.
14
2600905095
Łożysko Kulkowe
38,87 zł
1 szt.
16
2604337003
Uchwyt Szczotek
7,13 zł
2 szt.
18
2603410001
Śruba Z Łbem Walcowym
5,29 zł
2 szt.
19
2603490022
Śruba
4,06 zł
2 szt.
20
9920490116
Tabliczka Informacyjna
11,07 zł
1 szt.
26
2603490025
Wkręt Soczewkowy Torx
4,06 zł
4 szt.
29
2601328046
Pierścień Zakrywający
9,59 zł
1 szt.
30
3602391503
Zderzak Gumowy
Zapytaj
3 szt.
—
34
2604601004
Pierścień Sprężysty
5,29 zł
1 szt.
35
2603421226
Wkręt Z Łbem Stożk. Płas.
5,29 zł
1 szt.
36
1608571088
Uchwyt Wiertarski
97,79 zł
1 szt.
37
2603410048
Śruba Do Gwint. Bezwiórk.
5,29 zł
2 szt.
38
2603490023
Wkręt Soczewkowy Torx
4,06 zł
2 szt.
39
2605132050
Pokrywa Obudowy
31,37 zł
1 szt.
41
2601015012
Pierśc. Uszczeln. Płaski
5,29 zł
1 szt.
42
2606135011
WRZECIONO WIERTARSKIE
Zapytaj
1 szt.
—
43
1900905110
Łożysko Kulkowe
31,37 zł
1 szt.
44
2916650006
UCHWYT
5,29 zł
2 szt.
45
2916660013
UCHWYT
7,13 zł
1 szt.
46
2600100695
Podkładka Regulacyjna
5,29 zł
1 szt.
47
2606316316
Koło Zębate Czołowe
97,79 zł
1 szt.
48
2606316317
Koło Zębate Czołowe
85,24 zł
1 szt.
49
2602300033
Klin Płaski
18,08 zł
2 szt.
50
2600101668
Podkładka Regulacyjna
7,13 zł
1 szt.
54
2600100607
Podkładka Regulacyjna
5,29 zł
2 szt.
55
2602033007
Zasuwa Nastawna
Zapytaj
1 szt.
—
56
2602026006
Gałka Obrotowa
Zapytaj
1 szt.
—
57
2600590006
Kołpak Ustalający
5,29 zł
1 szt.
58
2600100618
Podkładka Dystansowa
4,06 zł
1 szt.
60
2600914010
Łożysko Igiełkowe
9,59 zł
3 szt.
61
2603105043
Kołek Ustalający
Zapytaj
1 szt.
—
63
2603490017
Wkręt Soczewkowy Torx
4,06 zł
4 szt.
70
2604448005
Przewód Elektryczny
5,29 zł
2 szt.
71
2604448074
KABEL PRZYŁĄCZENIOWY
5,29 zł
1 szt.
72
2604448100
Kabel Łączący
4,06 zł
1 szt.
73
2604465086
Filtr Przeciwzakłóceniowy
18,08 zł
1 szt.
74
2604465097
Filtr Przeciwzakłóceniowy
18,08 zł
1 szt.
75
2604448097
Przewód Uziemiający
5,29 zł
1 szt.
3/50
2606610049
Wentylator
7,13 zł
1 szt.
654
2609005615
Ogran. Miernika Głębok.
13,65 zł
1 szt.
753
1619PB4323
Uchwyt Dodatkowy
31,37 zł
1 szt.
808
160111A3H3
Tabliczka Znamionowa
8,36 zł
1 szt.
810
1607000484
Zestaw Szczotek Węglowych
235,67 zł
1 szt.
825
2605806997
Obudowa Przekładni
Zapytaj
1 szt.
—
828
2605700940
Kołnierz Pośredni
Zapytaj
1 szt.
—
835
2603421208
Wkręt Z Łbem Stożk. Płas.
Zapytaj
1 szt.
—
842
2606135944
WRZECIONO WIERTARSKIE
97,79 zł
1 szt.
851
2606308915
Wał Zębaty
Zapytaj
1 szt.
—
859
2916080007
Podkładka Zabezpieczająca
7,13 zł
1 szt.
869
2607200231
Przełącznik
43,91 zł
1 szt.
653/20
2915011007
Nakrętka Sześciokątna
4,06 zł
1 szt.
653/30
1613480007
Śruba Skrzydełkowa
5,29 zł
1 szt.
653/50
2608040014
Płyta Mocująca
Zapytaj
1 szt.
—
653/60
1613480008
Śruba Skrzydełkowa
5,29 zł
1 szt.