Części
Maszyny
Kontakt
Home
Maszyny
Wiertarka
Bosch
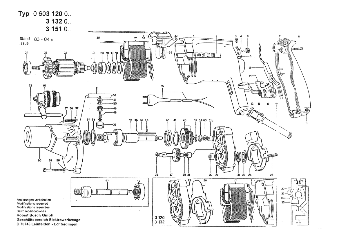
WIERTARKA M 21 S
0603120031 -
WIERTARKA Bosch M 21 S
100%
Poz:
1
2
3
4
5
6
7
8
10
11
12
13
14
15
17
18
19
20
21
22
23
24
25
26
27
28
29
30
31
32
33
34
35
36
37
38
39
40
41
42
43
44
45
46
47
48
49
50
51
52
53
54
55
56
57
58
59
60
61
62
63
64
62 części
Sortuj
Poz.
Nr kat.
Nazwa
Cena brutto
Ilość
Zamów
1
2605104901
Kadłub Silnika
Zapytaj
1 szt.
—
2
2601007003
Tabliczka Naklejana
Zapytaj
2 szt.
—
3
2603410010
Śruba Z Łbem Walcowym
Zapytaj
2 szt.
—
4
2604320906
Zestaw Szczotek Węglowych
Zapytaj
1 szt.
—
5
2604652002
Sprężyna Spiralna
Zapytaj
2 szt.
—
6
2910211004
Wkręt Do Blach
Zapytaj
2 szt.
—
7
2605132031
Pokrywa Obudowy
Zapytaj
1 szt.
—
8
2910211021
Wkręt Do Blach
4,06 zł
3 szt.
10
2600703011
Końcówka
9,59 zł
1 szt.
11
2910211019
Wkręt Do Blach
4,06 zł
2 szt.
12
2601035001
Uchwyt Przewodu
5,29 zł
1 szt.
13
2603410023
Śruba Z Łbem Walcowym
Zapytaj
4 szt.
—
14
2607200043
Przeł. Wejścia/Wyjścia
Zapytaj
1 szt.
—
15
2607329051
Filtr Przeciwzakłóceniowy
Zapytaj
1 szt.
—
17
2604222227
Nabiegunnik
Zapytaj
1 szt.
—
18
2600101020
Podkładka Regulacyjna
5,29 zł
1 szt.
19
2600150004
Podkładka Regulacyjna
7,13 zł
1 szt.
20
1900905018
Łożysko Kulkowe
59,53 zł
1 szt.
21
2600121002
Tarcza Twornika
Zapytaj
1 szt.
—
22
2604010441
Twornik Z Wentylatorem
Zapytaj
1 szt.
—
23
2606610032
Wentylator
Zapytaj
1 szt.
—
24
2600905007
Łożysko Kulkowe Zwykłe
Zapytaj
1 szt.
—
25
2604611026
Sprężyna Dociskowa
Zapytaj
2 szt.
—
26
2601328018
Szczotka
Zapytaj
1 szt.
—
27
2600500008
Podkładka
Zapytaj
1 szt.
—
28
2600108020
Pierścień Filcowy
Zapytaj
1 szt.
—
29
2605700902
Kołnierz Pośredni
Zapytaj
1 szt.
—
30
2600400020
Tuleja Wciskana
Zapytaj
1 szt.
—
31
2600914004
Tuleja Igłowa
13,65 zł
2 szt.
32
2607200053
Przeł. Wejścia/Wyjścia
Zapytaj
1 szt.
—
33
2607320008
Dioda Krzemowa
Zapytaj
1 szt.
—
34
2607202900
Wyłącznik
Zapytaj
1 szt.
—
35
2604411519
PRZEWÓD ŁĄCZĄCY
Zapytaj
1 szt.
—
36
2600508029
Pokrywa Zamykająca
Zapytaj
1 szt.
—
37
2603160900
Wał Zębaty
Zapytaj
1 szt.
—
38
2600100570
Podkładka Regulacyjna
5,29 zł
2 szt.
39
2916650003
Pierścień Zabezpieczajacy
5,29 zł
3 szt.
40
2606328036
Koło Zębate
Zapytaj
1 szt.
—
41
2916660013
UCHWYT
7,13 zł
1 szt.
42
2600114025
Podkładka Dystansowa
Zapytaj
1 szt.
—
43
1900900302
Łożysko Kulkowe Zwykłe
Zapytaj
1 szt.
—
44
1903230006
Kula
7,13 zł
1 szt.
45
2604611016
Sprężyna Dociskowa
Zapytaj
1 szt.
—
46
2602300014
Klin Płaski
Zapytaj
1 szt.
—
47
2603122019
WRZECIONO WIERTARSKIE
Zapytaj
1 szt.
—
48
2603413020
Śruba Z Łbem Płaskim
Zapytaj
1 szt.
—
49
2603340015
Przyc. Dźw. Zmiany Bieg.
Zapytaj
1 szt.
—
50
2916690004
Pierścień Sprężysty
5,29 zł
1 szt.
51
2916011011
Podkładka
4,06 zł
1 szt.
52
2603103017
Oś Przełączająca
Zapytaj
1 szt.
—
53
2600500033
Podkładka
7,13 zł
1 szt.
54
2600108033
Pierścień Filcowy
5,29 zł
1 szt.
55
1903201042
Rolka Igłowa
7,13 zł
1 szt.
56
160111A3H3
Tabliczka Znamionowa
8,36 zł
1 szt.
57
2917724031
Nitokołek Z Łbem Półokr.
Zapytaj
2 szt.
—
58
2916690003
Pierścień Sprężysty
4,06 zł
3 szt.
59
2603410025
Śruba Z Łbem Walcowym
Zapytaj
3 szt.
—
60
2605806902
Obudowa Przekładni
Zapytaj
1 szt.
—
61
1608571069
Uchwyt Wiertarski
85,24 zł
1 szt.
62
2607950007
KLUCZ DO UCHWYTU ZĘBATEGO
20,66 zł
1 szt.
63
2600100565
Podkładka Regulacyjna
Zapytaj
1 szt.
—
64
2600500001
Podkładka
Zapytaj
1 szt.
—