Części
Maszyny
Kontakt
Home
Maszyny
Wiertarka
Bosch
WIERTARKA PBM 400-RE
0603112738 -
WIERTARKA Bosch PBM 400-RE
100%
Poz:
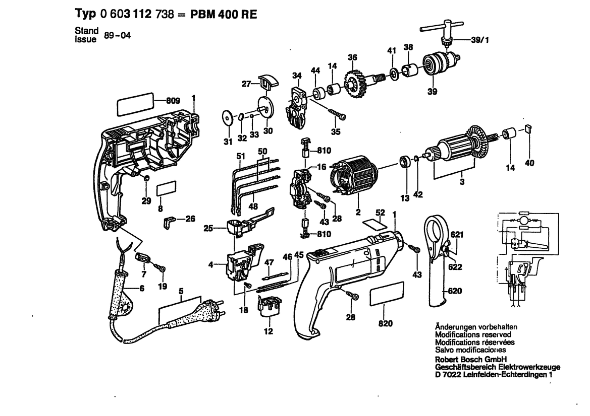
1
2
3
4
5
6
7
8
12
13
14
16
18
19
25
26
27
28
29
30
31
32
33
34
35
36
38
39
40
41
42
43
44
45
46
47
48
50
51
52
39/1
620
621
622
809
810
820
47 części
Sortuj
Poz.
Nr kat.
Nazwa
Cena brutto
Ilość
Zamów
1
2605104837
Skorupa Obudowy
33,83 zł
1 szt.
2
2604220446
Stojan
67,65 zł
1 szt.
3
2604010705
Twornik
Zapytaj
1 szt.
—
4
2607200203
Wyłącznik
Zapytaj
1 szt.
—
5
2604460153
Przewód Zasil. Sieciowy
60,39 zł
1 szt.
6
2600707059
Końcówka
8,36 zł
1 szt.
7
2601035001
Uchwyt Przewodu
5,29 zł
1 szt.
8
160111A3H3
Tabliczka Znamionowa
8,36 zł
1 szt.
12
2607329114
Filtr Przeciwzakłóceniowy
Zapytaj
1 szt.
—
13
2600905032
Łożysko Kulkowe
16,85 zł
1 szt.
14
2600917003
Łożysko Igiełkowe
9,59 zł
2 szt.
16
2605807060
Płytka Szczotkowa
Zapytaj
1 szt.
—
18
2603410001
Śruba Z Łbem Walcowym
5,29 zł
2 szt.
19
2603490022
Śruba
4,06 zł
2 szt.
25
2607200231
Przełącznik
43,91 zł
1 szt.
26
2601022000
Płyta Izolacyjna
Zapytaj
1 szt.
—
27
2605510044
Wkładka
Zapytaj
1 szt.
—
28
2912401020
Wkręt Do Blach
4,06 zł
8 szt.
29
2600210036
Pierścień Samouszczeln.
Zapytaj
1 szt.
—
30
2601990002
Tarcza Pośrednia
Zapytaj
1 szt.
—
31
2600100034
Tarcza Oporowa
4,06 zł
1 szt.
32
2600025005
Płyta Dociskowa
4,06 zł
1 szt.
33
1903230011
Kula
5,29 zł
1 szt.
34
2605807919
Most Łożyskowy
Zapytaj
1 szt.
—
35
2910951132
Wkręt Soczewkowy
Zapytaj
2 szt.
—
36
2606135909
WRZECIONO WIERTARSKIE
Zapytaj
1 szt.
—
38
2600301013
Tuleja Spiekana
Zapytaj
1 szt.
—
39
1608571047
UCHWYT WIERTARSKI ZĘBATY
Zapytaj
1 szt.
—
40
2601330005
Płyta Dociskowa
Zapytaj
1 szt.
—
41
2600101604
Podkładka Regulacyjna
Zapytaj
1 szt.
—
42
2916640004
Pierścień Zabezpieczajacy
5,29 zł
1 szt.
43
2603490017
Wkręt Soczewkowy Torx
4,06 zł
4 szt.
44
2600200031
Tuleja Łożyskowa
Zapytaj
1 szt.
—
45
2604448170
Przewód Uziemiający
Zapytaj
1 szt.
—
46
2604448060
Przewód Elektryczny
Zapytaj
1 szt.
—
47
2604448045
Przewód Elektryczny
Zapytaj
1 szt.
—
48
2604448034
PRZEWÓD ŁĄCZĄCY
5,29 zł
1 szt.
50
2604448115
Kabel Łączący
4,06 zł
2 szt.
51
2604448132
PRZEWÓD ŁĄCZĄCY
4,06 zł
1 szt.
52
2601110847
Tabliczka Naklejana
Zapytaj
1 szt.
—
39/1
2607950007
KLUCZ DO UCHWYTU ZĘBATEGO
20,66 zł
1 szt.
620
2602025032
Uchwyt Dodatkowy
Zapytaj
1 szt.
—
621
2911001211
Śruba Z Łbem Sześciokątn.
Zapytaj
1 szt.
—
622
2915191006
Nakrętka Skrzydełkowa
Zapytaj
1 szt.
—
809
2601110845
Tabliczka Naklejana
Zapytaj
1 szt.
—
810
2604321905
Zestaw Szczotek Węglowych
26,32 zł
1 szt.
820
2601110846
Tabliczka Naklejana
Zapytaj
1 szt.
—