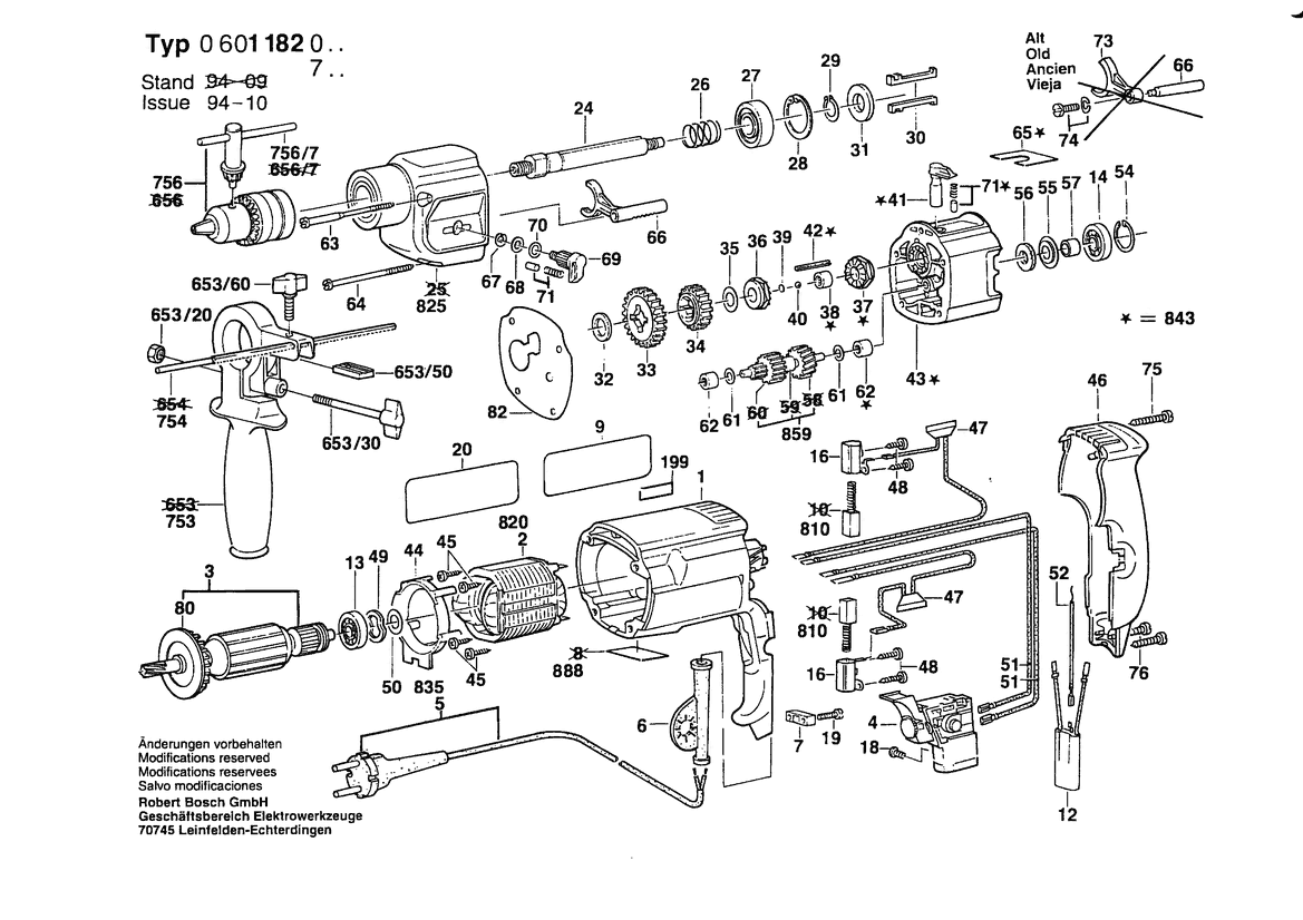
Części
Maszyny
Kontakt
Home
Maszyny
Wiertarka
Bosch
WIERTARKA GSB 16-2
0601182703 -
WIERTARKA Bosch GSB 16-2
100%
Poz:
1
2
3
4
6
7
9
12
13
14
16
18
19
20
24
26
27
28
29
30
31
32
33
34
35
36
37
38
39
40
41
42
43
44
45
46
47
48
49
50
51
52
54
55
56
57
61
62
63
64
65
66
67
68
69
70
71
75
76
80
82
199
753
754
756
810
825
835
859
888
70 części
Sortuj
Poz.
Nr kat.
Nazwa
Cena brutto
Ilość
Zamów
1
2605104116
Kadłub Silnika
Zapytaj
1 szt.
—
2
2604220429
Stojan
85,24 zł
1 szt.
3
2604010575
Twornik
205,53 zł
1 szt.
4
1617200089
Wyłącznik
Zapytaj
1 szt.
—
6
2600707059
Końcówka
8,36 zł
1 szt.
7
2601035001
Uchwyt Przewodu
5,29 zł
1 szt.
9
2601110314
Tabliczka Naklejana
Zapytaj
1 szt.
—
12
2607329096
Filtr Przeciwzakłóceniowy
26,32 zł
1 szt.
13
1900905018
Łożysko Kulkowe
59,53 zł
1 szt.
14
2600905021
Łożysko Kulkowe Zwykłe
28,78 zł
1 szt.
16
2604337003
Uchwyt Szczotek
7,13 zł
2 szt.
18
2603410001
Śruba Z Łbem Walcowym
5,29 zł
2 szt.
19
2603490022
Śruba
4,06 zł
2 szt.
20
2601110093
Tabliczka Naklejana
Zapytaj
1 szt.
—
24
2606135013
WRZECIONO WIERTARSKIE
Zapytaj
1 szt.
—
26
2604616002
Sprężyna Dociskowa
5,29 zł
1 szt.
27
1900905163
Łożysko Kulkowe Zwykłe
33,83 zł
1 szt.
28
2916660014
Pierścień Zabezpieczajacy
5,29 zł
1 szt.
29
2916650008
Pierścień Zabezpieczajacy
5,29 zł
1 szt.
30
2602300028
Klin Płaski
Zapytaj
2 szt.
—
31
2600101671
Tarcza Ustalająca
5,29 zł
1 szt.
32
2600101515
Podkładka Regulacyjna
4,06 zł
1 szt.
33
2606317045
Koło Zębate Czołowe
33,83 zł
1 szt.
34
2606317037
Koło Zębate Czołowe
Zapytaj
1 szt.
—
35
2600101616
Podkładka Regulacyjna
9,59 zł
1 szt.
36
2600190052
Płytka Ryglująca
Zapytaj
1 szt.
—
37
2600190051
Płytka Ryglująca
Zapytaj
1 szt.
—
38
2600917003
Łożysko Igiełkowe
9,59 zł
1 szt.
39
2600000012
Podkładka Dystansowa
4,06 zł
1 szt.
40
1903230010
Kula
4,06 zł
1 szt.
41
2602026017
Gałka Obrotowa
26,32 zł
1 szt.
42
2917780105
Kołek Sprężysty
4,06 zł
1 szt.
43
2605700936
Kołnierz Pośredni
Zapytaj
1 szt.
—
44
2601328033
Pierścień Zakrywający
Zapytaj
1 szt.
—
45
2603435015
Wkręt Z Rowkiem Krzyżowym
4,06 zł
4 szt.
46
2605132040
Pokrywa Obudowy
Zapytaj
1 szt.
—
47
2604465068
Filtr Przeciwzakłóceniowy
Zapytaj
2 szt.
—
48
2603490017
Wkręt Soczewkowy Torx
4,06 zł
4 szt.
49
2600150004
Podkładka Regulacyjna
7,13 zł
1 szt.
50
2600101020
Podkładka Regulacyjna
5,29 zł
1 szt.
51
2604448005
Przewód Elektryczny
5,29 zł
2 szt.
52
2604448003
Przewód Elektryczny
Zapytaj
1 szt.
—
54
2916660008
Pierścień Zabezpieczajacy
7,13 zł
1 szt.
55
2600500002
Podkładka
5,29 zł
1 szt.
56
2600108077
Pierścień Filcowy
5,29 zł
1 szt.
57
2600400008
Tuleja Wciskana
5,29 zł
1 szt.
61
2600100607
Podkładka Regulacyjna
5,29 zł
2 szt.
62
2600914010
Łożysko Igiełkowe
9,59 zł
2 szt.
63
2603435012
Wkręt Do Blach
Zapytaj
2 szt.
—
64
2603435071
Śruba Bez Łba
Zapytaj
2 szt.
—
65
2601110076
Tabliczka Naklejana
Zapytaj
1 szt.
—
66
2602033006
Zasuwa Nastawna
9,59 zł
1 szt.
67
2916080007
Podkładka Zabezpieczająca
7,13 zł
1 szt.
68
2600100618
Podkładka Dystansowa
4,06 zł
1 szt.
69
2602026038
Gałka Obrotowa
Zapytaj
1 szt.
—
70
2607010226
Zestaw Części
Zapytaj
1 szt.
—
71
2600590006
Kołpak Ustalający
5,29 zł
2 szt.
75
2603490024
Wkręt Soczewkowy Torx
5,29 zł
1 szt.
76
2603490023
Wkręt Soczewkowy Torx
4,06 zł
2 szt.
80
2606610049
Wentylator
7,13 zł
1 szt.
82
2601073012
Uszczelka Płaska
4,06 zł
1 szt.
199
1601110265
Tabliczka Informacyjna
Zapytaj
1 szt.
—
753
1619PB4323
Uchwyt Dodatkowy
31,37 zł
1 szt.
754
1613001005
Ogran. Miernika Głębok.
Zapytaj
1 szt.
—
756
1608571069
Uchwyt Wiertarski
85,24 zł
1 szt.
810
2604321905
Zestaw Szczotek Węglowych
26,32 zł
1 szt.
825
2605806990
Obudowa Przekładni
Zapytaj
1 szt.
—
835
1607000385
Przewód Zasil. Sieciowy
33,83 zł
1 szt.
859
2606100903
Wał Zębaty
Zapytaj
1 szt.
—
888
160111A3H3
Tabliczka Znamionowa
8,36 zł
1 szt.