Części
Maszyny
Kontakt
Home
Maszyny
Wiertarka
Bosch
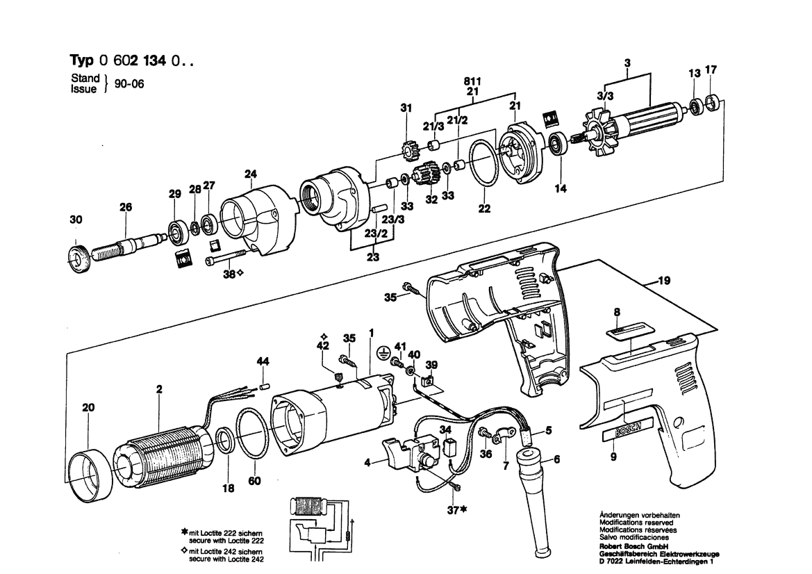
WIERTARKA *HF-BOHRMASCHIN
0602134004 -
WIERTARKA Bosch *HF-BOHRMASCHIN
100%
Poz:
1
2
3
4
5
6
7
8
9
13
14
17
18
19
20
21
22
23
24
26
27
28
29
30
31
32
3/3
33
34
35
36
37
38
39
40
41
42
44
60
21/3
23/2
23/3
42 części
Sortuj
Poz.
Nr kat.
Nazwa
Cena brutto
Ilość
Zamów
1
16051082ZX
Kadłub Silnika
Zapytaj
1 szt.
—
2
3604229006
Stojan
644,51 zł
1 szt.
3
3604080021
Wirnik
867,27 zł
1 szt.
4
3607200003
Wyłącznik
97,79 zł
1 szt.
5
3604462050
Przewód Elekt. Ze Złączem
Zapytaj
1 szt.
—
6
3600703011
Końcówka
8,36 zł
1 szt.
7
1601302014
Zacisk Mocujący
5,29 zł
1 szt.
8
3601106053
Tabliczka Znamionowa
11,07 zł
1 szt.
9
1601110130
Tabliczka Firmy
Zapytaj
2 szt.
—
13
1900900232
Łożysko Kulkowe Zwykłe
43,91 zł
1 szt.
14
1900905036
Łożysko Kulkowe Zwykłe
Zapytaj
1 szt.
—
17
3600206002
Pierścień Gumowy
Zapytaj
1 szt.
—
18
1600209011
Pierścień Uszczelniający
7,13 zł
1 szt.
19
3605132038
Rękojeść
77,74 zł
1 szt.
20
1600502005
Pierścień Kier. Powietrza
8,36 zł
1 szt.
21
3605820006
Osłona Łożyska
Zapytaj
1 szt.
—
22
1900210146
Pierścień Samouszczeln.
13,65 zł
1 szt.
23
3607031325
Grupa Części Zamiennych
Zapytaj
1 szt.
—
24
3605108096
Obudowa Izolacyjna
Zapytaj
1 szt.
—
26
3603124003
WRZECIONO WIERTARSKIE
Zapytaj
1 szt.
—
27
3600290006
PIERŚCIEN USZCZELNIAJĄCY
Zapytaj
1 szt.
—
28
2916650001
Pierścień Zabezpieczajacy
5,29 zł
1 szt.
29
1900905100
Łożysko Kulkowe Zwykłe
Zapytaj
1 szt.
—
30
3603344013
Pierścień Gwintowany
Zapytaj
1 szt.
—
31
3606317008
Koło Zębate
Zapytaj
1 szt.
—
32
3606328003
Koło Zębate
Zapytaj
1 szt.
—
3/3
1606610105
Wentylator
48,83 zł
1 szt.
33
2600100613
Podkładka Regulacyjna
5,29 zł
2 szt.
34
1901091012
Listwa Zaciskowa
16,85 zł
1 szt.
35
2603490023
Wkręt Soczewkowy Torx
4,06 zł
7 szt.
36
2910021116
Śruba Z Łbem Walcowym
7,26 zł
2 szt.
37
2603410023
Śruba Z Łbem Walcowym
Zapytaj
4 szt.
—
38
2910141138
Śr.Z Łb.Okr.O Gnieź.Sześ.
5,29 zł
3 szt.
39
3601321001
Pałąk Zaciskowy
9,59 zł
1 szt.
40
3600150006
Podkładka Sprężysta
5,29 zł
1 szt.
41
2910110120
Śruba Z Łbem Płaskim
4,06 zł
1 szt.
42
3603402000
Wkręt Bez Łba
5,29 zł
2 szt.
44
3604477008
Tuleja Końcowa Żyły
4,06 zł
3 szt.
60
3600210017
Pierścień Samouszczeln.
11,07 zł
1 szt.
21/3
3600300002
Tuleja Łożyskowa
Zapytaj
1 szt.
—
23/2
2917500122
Kołek Walcowy
4,06 zł
1 szt.
23/3
3600300008
Tuleja Łożyskowa
Zapytaj
1 szt.
—