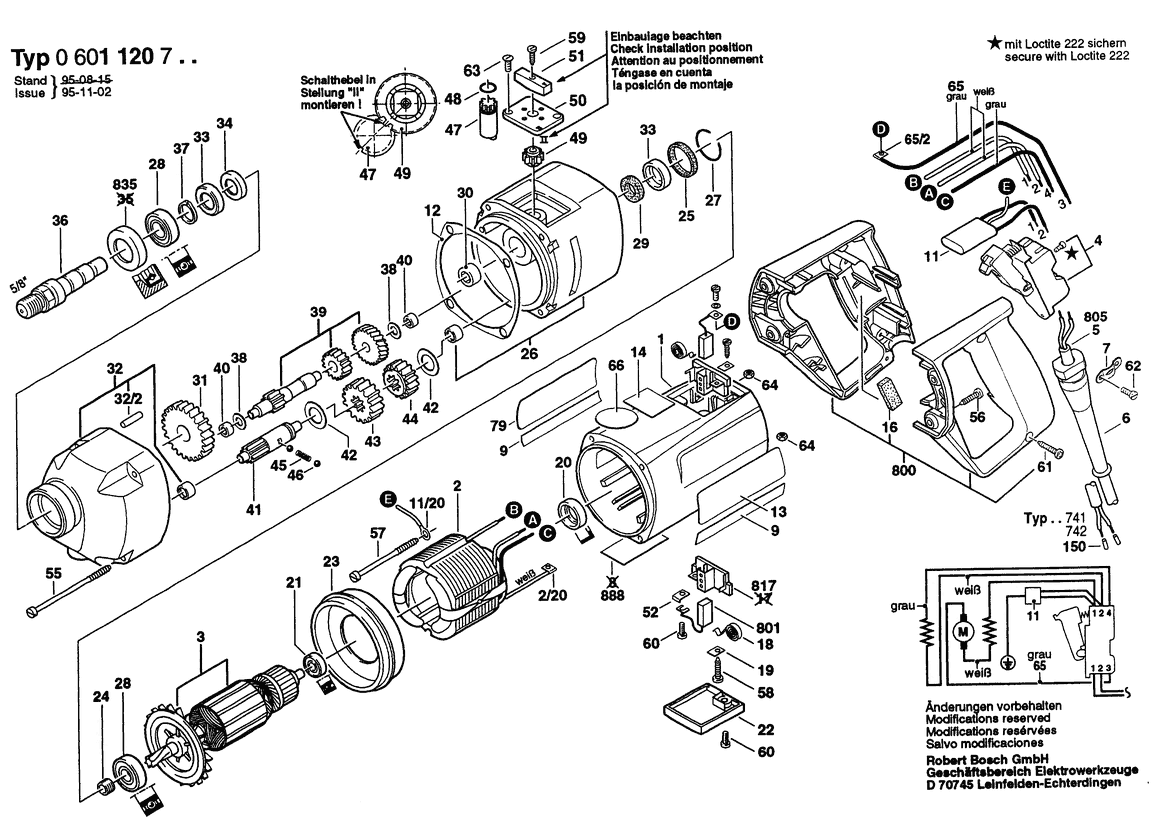
Części
Maszyny
Kontakt
Home
Maszyny
Wiertarka
Bosch
WIERTARKA ELECTRONIC
0601120748 -
WIERTARKA Bosch ELECTRONIC
100%
Poz:
1
2
3
4
6
7
9
11
12
13
16
18
19
20
21
22
23
24
25
26
27
28
29
30
31
32
33
34
36
37
38
39
40
41
42
43
44
45
46
47
48
49
50
51
52
55
56
57
58
59
60
61
62
63
64
65
66
2/20
32/2
650
651
652
800
801
805
817
835
888
11/20
650/1
650/2
650/3
650/4
650/5
650/8
651/8
76 części
Sortuj
Poz.
Nr kat.
Nazwa
Cena brutto
Ilość
Zamów
1
3605108145
Kadłub Silnika
97,79 zł
1 szt.
2
1604220179
Stojan
Zapytaj
1 szt.
—
3
1604010157
Twornik
Zapytaj
1 szt.
—
4
1607200075
Wyłącznik
271,95 zł
1 szt.
6
3600703011
Końcówka
8,36 zł
1 szt.
7
1601302014
Zacisk Mocujący
5,29 zł
1 szt.
9
1601110046
Tabliczka Naklejana
5,29 zł
2 szt.
11
1607328024
Filtr Przeciwzakłóceniowy
Zapytaj
1 szt.
—
12
1601015013
Płytka Uszczelniająca
5,29 zł
1 szt.
13
1601110121
Tabliczka Naklejana
Zapytaj
1 szt.
—
16
1602381001
Taśma Izolacyjna
Zapytaj
1 szt.
—
18
1604652006
Sprężyna Spiralna
5,29 zł
2 szt.
19
1601030022
Blacha Zabezpieczająca
5,29 zł
2 szt.
20
1600502020
Tuleja Gumowa
5,29 zł
1 szt.
21
2600905032
Łożysko Kulkowe
16,85 zł
1 szt.
22
3605500060
Pokrywa Zamykająca
5,41 zł
2 szt.
23
1600502015
Pierścień Kier. Powietrza
Zapytaj
1 szt.
—
24
1600202034
Pierścień Pośredni
Zapytaj
1 szt.
—
25
1600206018
Pierścień Pośredni
Zapytaj
1 szt.
—
26
1605820214
Magazyn Przejściowy
Zapytaj
1 szt.
—
27
2916600018
Pierścień Sprężysty
5,29 zł
1 szt.
28
1600905003
Łożysko Kulkowe Zwykłe
Zapytaj
2 szt.
—
29
1600108003
Tarcza Filcowa
Zapytaj
1 szt.
—
30
2600910001
Łożysko Igiełkowe
13,65 zł
1 szt.
31
1606317080
Koło Zębate Czołowe
97,79 zł
1 szt.
32
1605806368
Łożysko Wrzeciona
307,13 zł
1 szt.
33
1610500004
Pierścień Mocujący
Zapytaj
1 szt.
—
34
1600108058
Tarcza Filcowa
Zapytaj
1 szt.
—
36
1603523087
WRZECIONO WIERTARSKIE
189,30 zł
1 szt.
37
2916650006
UCHWYT
5,29 zł
1 szt.
38
1600100631
Podkładka Regulacyjna
5,29 zł
2 szt.
39
1606309064
Wał Z Kołem Zębatym
Zapytaj
1 szt.
—
40
1600910013
Tuleja Igłowa
18,08 zł
2 szt.
41
1606309063
Wał Zębaty
170,48 zł
1 szt.
42
1600101647
Podkładka Regulacyjna
5,29 zł
2 szt.
43
1606317082
Koło Zębate Czołowe
119,06 zł
1 szt.
44
1606317074
Koło Zębate Czołowe
110,33 zł
1 szt.
45
1604611022
Sprężyna Dociskowa
5,29 zł
1 szt.
46
1903230009
Kula
4,06 zł
2 szt.
47
1606325027
Wałek Przełączający
28,78 zł
1 szt.
48
1900210105
Pierścień Samouszczeln.
5,29 zł
1 szt.
49
1606325025
Wałek Przełączający
9,59 zł
1 szt.
50
1601038025
Płyta Spoczynkowa
5,29 zł
1 szt.
51
1602026044
Dźwignia Zmiany Biegów
26,32 zł
1 szt.
52
1611331007
Blacha Zabezpieczająca
Zapytaj
2 szt.
—
55
1603435015
Wkręt Do Blach
Zapytaj
4 szt.
—
56
2914201527
Wkręt Soczewkowy Torx
7,13 zł
4 szt.
57
1603435012
Wkręt Do Blach
5,29 zł
2 szt.
58
2910211011
Wkręt Do Blach
4,06 zł
2 szt.
59
2910211019
Wkręt Do Blach
4,06 zł
1 szt.
60
2910021118
Śruba Z Łbem Walcowym
4,06 zł
4 szt.
61
2910211220
Wkręt Do Blach
Zapytaj
2 szt.
—
62
2910021116
Śruba Z Łbem Walcowym
7,26 zł
2 szt.
63
2910511120
ATRAPA
Zapytaj
2 szt.
—
64
2915011005
Nakrętka Sześciokątna
4,06 zł
2 szt.
65
1604445006
PRZEWÓD ŁĄCZĄCY
13,65 zł
1 szt.
66
2601110041
Tabliczka Informacyjna
Zapytaj
1 szt.
—
2/20
1901350003
Końcówka Kablowa
4,06 zł
1 szt.
32/2
2917500121
Kołek Walcowy
4,06 zł
1 szt.
650
3602025021
Uchwyt Dodatkowy
145,39 zł
1 szt.
651
1608571056
UCHWYT WIERTARSKI ZĘBATY
Zapytaj
1 szt.
—
652
1613001008
Ogran. Miernika Głębok.
28,78 zł
1 szt.
800
3605133019
Rękojeść
Zapytaj
1 szt.
—
801
1607014126
Zestaw Szczotek Węglowych
53,26 zł
1 szt.
805
1607000227
Przewód Zasil. Sieciowy
85,24 zł
1 szt.
817
1604336017
Uchwyt Szczotek
20,66 zł
2 szt.
835
3607030355
Pierścień Mocujący
48,83 zł
1 szt.
888
160111A3H3
Tabliczka Znamionowa
8,36 zł
1 szt.
11/20
1601353003
Końcówka Kablowa
Zapytaj
1 szt.
—
650/1
160202509Z
Uchwyt Dodatkowy
53,26 zł
1 szt.
650/2
1618040077
Uchwyt Zaciskowy
Zapytaj
1 szt.
—
650/3
1613521001
Kołek Gwintowany
13,65 zł
1 szt.
650/4
3601038048
Taśma Zawiesz. Z Naciąg.
59,53 zł
1 szt.
650/5
1613100012
Kołek Walcowy
5,29 zł
1 szt.
650/8
3602025022
Dźwignia
59,53 zł
1 szt.
651/8
2607950011
KLUCZ DO UCHWYTU ZĘBATEGO
33,83 zł
1 szt.