Części
Maszyny
Kontakt
Home
Maszyny
Wiertarka
Bosch
WIERTARKA Drill
0601105934 -
WIERTARKA Bosch Drill
100%
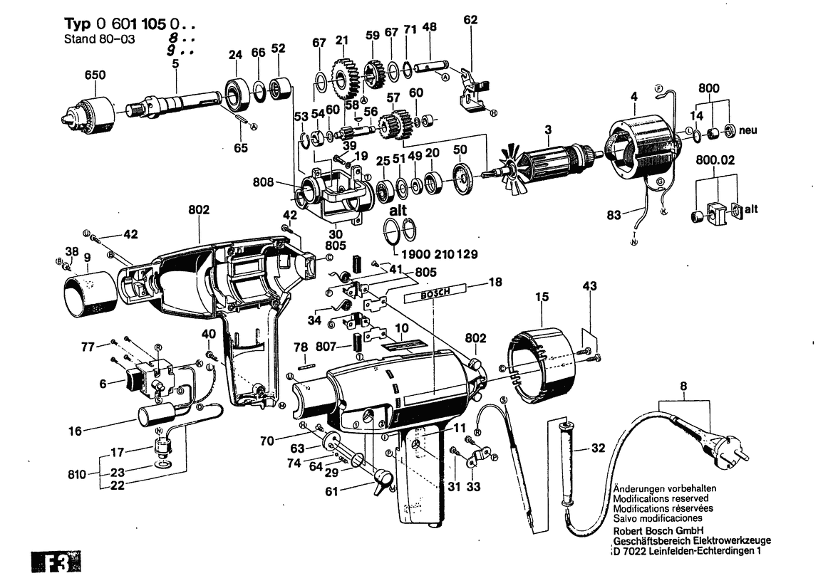
Poz:
3
4
5
6
8
9
10
11
14
15
18
19
20
21
24
25
29
31
32
33
34
38
39
40
41
42
43
48
49
50
51
52
53
54
56
57
58
59
60
61
62
63
64
65
66
67
70
71
74
77
78
650
800
802
805
807
808
57 części
Sortuj
Poz.
Nr kat.
Nazwa
Cena brutto
Ilość
Zamów
3
1604010119
Twornik Z Wentylatorem
Zapytaj
1 szt.
—
4
1604220070
Stojan
Zapytaj
1 szt.
—
5
1603523062
WRZECIONO WIERTARSKIE
Zapytaj
1 szt.
—
6
1607200060
Przeł. Wejścia/Wyjścia
Zapytaj
1 szt.
—
8
1604460056
Przewód Zasil. Sieciowy
86,35 zł
1 szt.
9
1600400900
Tuleja Prowadząca
Zapytaj
1 szt.
—
10
160111A3H5
Tabliczka Znamionowa
8,36 zł
1 szt.
11
1602381001
Taśma Izolacyjna
Zapytaj
2 szt.
—
14
1610210014
Pierścień Samouszczeln.
Zapytaj
1 szt.
—
15
1605500066
Pokrywa Zamykająca
Zapytaj
1 szt.
—
18
1601110481
Tabliczka Firmy
7,13 zł
2 szt.
19
2616690003
Pierścień Sprężysty
Zapytaj
2 szt.
—
20
1600501055
Pierścień Oporowy
Zapytaj
1 szt.
—
21
1606320052
Koło Zębate
Zapytaj
1 szt.
—
24
1900905102
Łożysko Kulkowe Zwykłe
Zapytaj
1 szt.
—
25
1900900235
Łożysko Kulkowe Zwykłe
Zapytaj
1 szt.
—
29
1600210024
Pierścień Samouszczeln.
Zapytaj
1 szt.
—
31
2603435011
Wkręt Do Blach
Zapytaj
2 szt.
—
32
1600703016
Końcówka
4,06 zł
1 szt.
33
1601302014
Zacisk Mocujący
5,29 zł
1 szt.
34
1604652004
Sprężyna Spiralna
8,36 zł
2 szt.
38
2910211016
Wkręt Do Blach
Zapytaj
1 szt.
—
39
2910021120
Śruba Z Łbem Walcowym
4,06 zł
2 szt.
40
2910211019
Wkręt Do Blach
4,06 zł
5 szt.
41
2910601304
Wkręt Do Blach
Zapytaj
4 szt.
—
42
2910211006
Wkręt Do Blach
4,06 zł
4 szt.
43
2910211017
Wkręt Do Blach
Zapytaj
4 szt.
—
48
2603105011
Wałek Przełączający
Zapytaj
1 szt.
—
49
1600108052
Pierścień Uszczelniający
Zapytaj
1 szt.
—
50
1600502008
Pierścień Samouszczeln.
Zapytaj
1 szt.
—
51
1600500017
Podkładka
Zapytaj
1 szt.
—
52
1600910008
Łożysko Igiełkowe
Zapytaj
1 szt.
—
53
2916600008
Pierścień Sprężysty
7,13 zł
1 szt.
54
2600301043
Tuleja Łożyskowa
Zapytaj
1 szt.
—
56
1606312008
Wał Zębaty
Zapytaj
1 szt.
—
57
1606328099
Koło Zębate
Zapytaj
1 szt.
—
58
1900023004
Sprężyna Krążkowa
Zapytaj
1 szt.
—
59
1606320053
Koło Zębate Czołowe
Zapytaj
1 szt.
—
60
1600100611
Podkładka Regulacyjna
5,29 zł
1 szt.
61
1602026040
Dźwignia Zmiany Biegów
Zapytaj
1 szt.
—
62
1601328001
Widełki Przełącz. Biegów
Zapytaj
1 szt.
—
63
1600148005
Mimośród
Zapytaj
1 szt.
—
64
1604611016
Sprężyna Dociskowa
Zapytaj
1 szt.
—
65
1602300017
Klin Płaski
Zapytaj
1 szt.
—
66
2600210025
Pierścień Uszczelniający
Zapytaj
1 szt.
—
67
2000101600
Podkładka Regulacyjna
Zapytaj
2 szt.
—
70
2910611017
Wkręt Do Blach
Zapytaj
1 szt.
—
71
2916652005
Pierścień Zabezpieczajacy
Zapytaj
1 szt.
—
74
1903230304
Kartka Z Ostrzeżeniem
Zapytaj
1 szt.
—
77
2603410001
Śruba Z Łbem Walcowym
5,29 zł
4 szt.
78
5541468300
null
Zapytaj
2 szt.
—
650
1608571081
UCHWYT WIERTARSKI ZĘBATY
97,79 zł
1 szt.
800
1600301900
Tuleja Spiekana
Zapytaj
1 szt.
—
802
1605104910
Grupa Części Zamiennych
Zapytaj
1 szt.
—
805
1601323901
Uchwyt Szczotek
Zapytaj
2 szt.
—
807
1604321900
Szczotka Węglowa
Zapytaj
1 szt.
—
808
1605807906
Grupa Części Zamiennych
Zapytaj
1 szt.
—