Części
Maszyny
Kontakt
Home
Maszyny
Wiertarka
Bosch
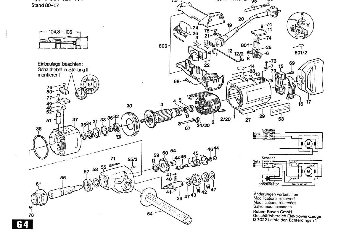
WIERTARKA 1121.7
0601121742 -
WIERTARKA Bosch 1121.7
100%
Poz:
1
2
3
4
5
6
7
8
9
11
12
14
16
17
19
21
22
24
26
27
28
29
30
31
32
33
34
35
36
37
38
39
40
41
42
43
44
45
46
47
48
49
50
51
52
53
54
55
56
57
58
59
60
61
64
67
68
69
71
72
73
74
75
76
77
78
79
96
12/2
150
55/3
800
801
24/20
801/2
75 części
Sortuj
Poz.
Nr kat.
Nazwa
Cena brutto
Ilość
Zamów
1
3605108113
Kadłub Silnika
Zapytaj
1 szt.
—
2
1604220193
Stojan
Zapytaj
1 szt.
—
3
1604010190
Twornik Z Wentylatorem
Zapytaj
1 szt.
—
4
2600905032
Łożysko Kulkowe
21,00 zł
1 szt.
—
5
1600502011
Pierścień Pośredni
12,00 zł
1 szt.
—
6
1604336017
Uchwyt Szczotek
25,00 zł
2 szt.
—
7
1601030022
Blacha Zabezpieczająca
9,00 zł
2 szt.
—
8
1604652006
Sprężyna Spiralna
9,00 zł
2 szt.
—
9
1602381001
Taśma Izolacyjna
Zapytaj
1 szt.
—
11
3605500063
Pokrywa Zamykająca
13,65 zł
2 szt.
—
12
1604445006
PRZEWÓD ŁĄCZĄCY
22,00 zł
1 szt.
—
14
2601110041
Tabliczka Informacyjna
Zapytaj
1 szt.
—
16
3605500058
Pokrywa Zamykająca
49,00 zł
1 szt.
—
17
3605133010
Rękojeść
Zapytaj
1 szt.
—
19
3600703011
Końcówka
13,00 zł
1 szt.
—
21
1601302014
Zacisk Mocujący
9,00 zł
1 szt.
—
22
1607200075
Wyłącznik
271,95 zł
1 szt.
—
24
1607328024
Filtr Przeciwzakłóceniowy
Zapytaj
1 szt.
—
26
3604477009
Tuleja Końcowa Żyły
12,00 zł
2 szt.
—
27
160111A3H3
Tabliczka Znamionowa
12,00 zł
1 szt.
—
28
1601110130
Tabliczka Firmy
Zapytaj
1 szt.
—
29
1601110005
Tabliczka Firmy
Zapytaj
1 szt.
—
30
1600502019
Pierścień Kier. Powietrza
15,00 zł
1 szt.
—
31
1600206018
Pierścień Pośredni
Zapytaj
1 szt.
—
32
1600905004
Łożysko Kulkowe Zwykłe
Zapytaj
1 szt.
—
33
2916600018
Pierścień Sprężysty
9,00 zł
1 szt.
—
34
1600500023
Pierścień Zakrywający
Zapytaj
1 szt.
—
35
1600108003
Tarcza Filcowa
Zapytaj
1 szt.
—
36
1600202034
Pierścień Pośredni
Zapytaj
1 szt.
—
37
3605820035
Magazyn Przejściowy
Zapytaj
1 szt.
—
38
1601015013
Płytka Uszczelniająca
9,00 zł
1 szt.
—
39
1606309066
Wał Zębaty
359,00 zł
1 szt.
—
40
1604611022
Sprężyna Dociskowa
9,00 zł
1 szt.
—
41
1903230009
Kula
8,00 zł
2 szt.
—
42
1606317074
Koło Zębate Czołowe
117,00 zł
1 szt.
—
43
1606317082
Koło Zębate Czołowe
140,00 zł
1 szt.
—
44
1600910013
Tuleja Igłowa
22,00 zł
2 szt.
—
45
1606309065
WAŁEK Z KOŁEM ZĘBATYM
359,00 zł
1 szt.
—
46
1600100631
Podkładka Regulacyjna
9,00 zł
2 szt.
—
47
1600101647
Podkładka Regulacyjna
11,00 zł
2 szt.
—
48
1606325025
Wałek Przełączający
13,00 zł
1 szt.
—
49
1601038025
Płyta Spoczynkowa
9,00 zł
1 szt.
—
50
1602026044
Dźwignia Zmiany Biegów
31,00 zł
1 szt.
—
51
1606325027
Wałek Przełączający
34,00 zł
1 szt.
—
52
1900210105
Pierścień Samouszczeln.
9,00 zł
1 szt.
—
53
1601110127
Tabliczka Naklejana
Zapytaj
1 szt.
—
54
2600910001
Łożysko Igiełkowe
17,00 zł
1 szt.
—
55
1605806382
Łożysko Wrzeciona
484,00 zł
1 szt.
—
56
1606135017
WRZECIONO WIERTARSKIE
Zapytaj
1 szt.
—
57
1900905126
Łożysko Kulkowe Zwykłe
126,00 zł
1 szt.
—
58
2916650014
Pierścień Zabezpieczajacy
9,00 zł
1 szt.
—
59
3600290035
Pierścień Uszczelniający
49,00 zł
1 szt.
—
60
3606316108
Koło Zębate Czołowe
126,00 zł
1 szt.
—
61
1605703075
Kołnierz Mocujący
198,00 zł
1 szt.
—
64
1600763010
Rękojeść
153,00 zł
1 szt.
—
67
3603435508
Wkręt Do Blach
Zapytaj
2 szt.
—
68
3603435027
Wkręt Do Blach
8,00 zł
4 szt.
—
69
2914201529
Wkręt Soczewkowy Torx
8,00 zł
4 szt.
—
71
1603435015
Wkręt Do Blach
Zapytaj
4 szt.
—
72
2914201508
Wkręt Soczewkowy Torx
8,00 zł
3 szt.
—
73
2910211011
Wkręt Do Blach
8,00 zł
2 szt.
—
74
2910021118
Śruba Z Łbem Walcowym
8,00 zł
4 szt.
—
75
2910021116
Śruba Z Łbem Walcowym
11,00 zł
2 szt.
—
76
2910211019
Wkręt Do Blach
8,00 zł
1 szt.
—
77
2910501120
Wkręt Z Łbem Stożk. Płas.
8,00 zł
2 szt.
—
78
2910021154
Śruba Z Łbem Walcowym
8,00 zł
4 szt.
—
79
2915011005
Nakrętka Sześciokątna
8,00 zł
2 szt.
—
96
2601110154
Tabliczka Informacyjna
Zapytaj
1 szt.
—
12/2
1901350003
Końcówka Kablowa
8,00 zł
1 szt.
—
150
1900452012
Tuleja Końcowa Żyły
9,00 zł
1 szt.
—
55/3
2917500121
Kołek Walcowy
8,00 zł
1 szt.
—
800
3605132031
Rękojeść
117,00 zł
1 szt.
—
801
3607014012
Zestaw Szczotek Węglowych
92,00 zł
1 szt.
—
24/20
1601353003
Końcówka Kablowa
Zapytaj
1 szt.
—
801/2
1604682006
Hak Do Wyciągania
9,00 zł
1 szt.
—