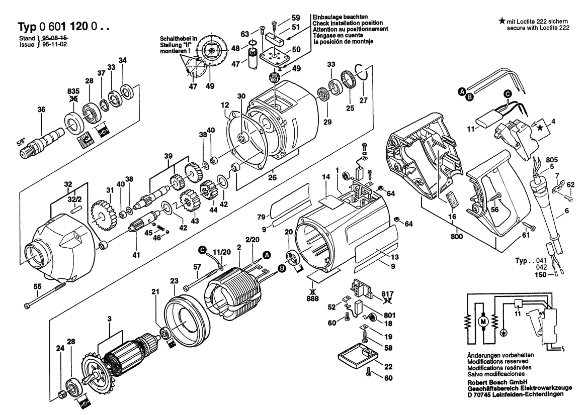
Części
Maszyny
Kontakt
Home
Maszyny
Wiertarka
Bosch
WIERTARKA DRILL
0601120041 -
WIERTARKA Bosch DRILL
100%
Poz:
1
2
3
4
6
7
9
11
12
13
16
18
19
20
21
22
23
24
25
26
27
28
29
30
31
32
33
34
36
37
38
39
40
41
42
43
44
45
46
47
48
49
50
51
55
56
57
58
59
60
61
62
63
64
150
2/20
32/2
650
651
652
800
801
805
817
835
888
11/20
650/1
650/2
650/3
650/4
650/5
650/8
651/8
74 części
Sortuj
Poz.
Nr kat.
Nazwa
Cena brutto
Ilość
Zamów
1
3605108145
Kadłub Silnika
105,00 zł
1 szt.
—
2
1604220131
Stojan
Zapytaj
1 szt.
—
3
1604010160
Twornik
Zapytaj
1 szt.
—
4
1607200037
Wyłącznik
178,00 zł
1 szt.
—
6
3600703011
Końcówka
13,00 zł
1 szt.
—
7
1601302014
Zacisk Mocujący
9,00 zł
1 szt.
—
9
1601110046
Tabliczka Naklejana
5,29 zł
2 szt.
—
11
1607328012
Filtr Przeciwzakłóceniowy
Zapytaj
1 szt.
—
12
1601015013
Płytka Uszczelniająca
9,00 zł
1 szt.
—
13
1601110070
Tabliczka Naklejana
Zapytaj
1 szt.
—
16
1602381001
Taśma Izolacyjna
Zapytaj
1 szt.
—
18
1604652006
Sprężyna Spiralna
9,00 zł
2 szt.
—
19
1601030022
Blacha Zabezpieczająca
9,00 zł
2 szt.
—
20
1600502020
Tuleja Gumowa
12,00 zł
1 szt.
—
21
2600905032
Łożysko Kulkowe
21,00 zł
1 szt.
—
22
3605500060
Pokrywa Zamykająca
9,00 zł
2 szt.
—
23
1600502015
Pierścień Kier. Powietrza
Zapytaj
1 szt.
—
24
1600202034
Pierścień Pośredni
Zapytaj
1 szt.
—
25
1600206018
Pierścień Pośredni
Zapytaj
1 szt.
—
26
1605820214
Magazyn Przejściowy
Zapytaj
1 szt.
—
27
2916600018
Pierścień Sprężysty
9,00 zł
1 szt.
—
28
1600905003
Łożysko Kulkowe Zwykłe
Zapytaj
2 szt.
—
29
1600108003
Tarcza Filcowa
Zapytaj
1 szt.
—
30
2600910001
Łożysko Igiełkowe
17,00 zł
1 szt.
—
31
1606317080
Koło Zębate Czołowe
105,00 zł
1 szt.
—
32
1605806368
Łożysko Wrzeciona
316,00 zł
1 szt.
—
33
1610500004
Pierścień Mocujący
Zapytaj
1 szt.
—
34
1600108058
Tarcza Filcowa
Zapytaj
1 szt.
—
36
1603523087
WRZECIONO WIERTARSKIE
198,00 zł
1 szt.
—
37
2916650006
UCHWYT
9,00 zł
1 szt.
—
38
1600100631
Podkładka Regulacyjna
9,00 zł
2 szt.
—
39
1606309064
Wał Z Kołem Zębatym
Zapytaj
1 szt.
—
40
1600910013
Tuleja Igłowa
22,00 zł
2 szt.
—
41
1606309063
Wał Zębaty
178,00 zł
1 szt.
—
42
1600101647
Podkładka Regulacyjna
11,00 zł
2 szt.
—
43
1606317082
Koło Zębate Czołowe
140,00 zł
1 szt.
—
44
1606317074
Koło Zębate Czołowe
117,00 zł
1 szt.
—
45
1604611022
Sprężyna Dociskowa
9,00 zł
1 szt.
—
46
1903230009
Kula
8,00 zł
2 szt.
—
47
1606325027
Wałek Przełączający
34,00 zł
1 szt.
—
48
1900210105
Pierścień Samouszczeln.
9,00 zł
1 szt.
—
49
1606325025
Wałek Przełączający
13,00 zł
1 szt.
—
50
1601038025
Płyta Spoczynkowa
9,00 zł
1 szt.
—
51
1602026044
Dźwignia Zmiany Biegów
31,00 zł
1 szt.
—
55
1603435015
Wkręt Do Blach
Zapytaj
4 szt.
—
56
2914201527
Wkręt Soczewkowy Torx
11,00 zł
4 szt.
—
57
1603435012
Wkręt Do Blach
9,00 zł
2 szt.
—
58
2910211011
Wkręt Do Blach
8,00 zł
2 szt.
—
59
2910211019
Wkręt Do Blach
8,00 zł
1 szt.
—
60
2910021118
Śruba Z Łbem Walcowym
8,00 zł
4 szt.
—
61
2910021128
Śruba Z Łbem Walcowym
Zapytaj
2 szt.
—
62
2910021116
Śruba Z Łbem Walcowym
11,00 zł
2 szt.
—
63
2910511120
ATRAPA
Zapytaj
2 szt.
—
64
2915011005
Nakrętka Sześciokątna
8,00 zł
2 szt.
—
150
1900452012
Tuleja Końcowa Żyły
9,00 zł
2 szt.
—
2/20
1901350003
Końcówka Kablowa
8,00 zł
2 szt.
—
32/2
2917500121
Kołek Walcowy
8,00 zł
1 szt.
—
650
3602025021
Uchwyt Dodatkowy
153,00 zł
1 szt.
—
651
1608571056
UCHWYT WIERTARSKI ZĘBATY
Zapytaj
1 szt.
—
652
1613001008
Ogran. Miernika Głębok.
34,00 zł
1 szt.
—
800
3605133019
Rękojeść
Zapytaj
1 szt.
—
801
1607014126
Zestaw Szczotek Węglowych
59,00 zł
1 szt.
—
805
3607030489
Przewód Zasil. Sieciowy
117,00 zł
1 szt.
—
817
1604336017
Uchwyt Szczotek
25,00 zł
2 szt.
—
835
3607030355
Pierścień Mocujący
66,00 zł
1 szt.
—
888
160111A3H3
Tabliczka Znamionowa
12,00 zł
1 szt.
—
11/20
1601353003
Końcówka Kablowa
Zapytaj
1 szt.
—
650/1
160202509Z
Uchwyt Dodatkowy
59,00 zł
1 szt.
—
650/2
1618040077
Uchwyt Zaciskowy
Zapytaj
1 szt.
—
650/3
1613521001
Kołek Gwintowany
22,00 zł
1 szt.
—
650/4
3601038048
Taśma Zawiesz. Z Naciąg.
66,00 zł
1 szt.
—
650/5
1613100012
Kołek Walcowy
12,00 zł
1 szt.
—
650/8
3602025022
Dźwignia
66,00 zł
1 szt.
—
651/8
2607950011
KLUCZ DO UCHWYTU ZĘBATEGO
39,00 zł
1 szt.
—