Części
Maszyny
Kontakt
Home
Maszyny
Wiertarka
Bosch
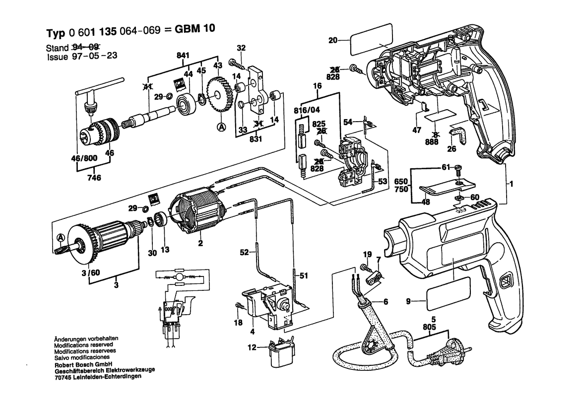
WIERTARKA GBM 10
0601135064 -
WIERTARKA Bosch GBM 10
100%
Poz:
1
2
3
4
5
6
7
9
13
14
16
18
19
20
29
30
32
33
43
44
45
47
51
52
53
54
60
61
3/60
746
750
825
828
831
841
888
46/800
816/04
816/06
39 części
Sortuj
Poz.
Nr kat.
Nazwa
Cena brutto
Ilość
Zamów
1
2605104316
Skorupa Obudowy
Zapytaj
1 szt.
—
2
2604220398
Stojan
Zapytaj
1 szt.
—
3
2604010784
Twornik
Zapytaj
1 szt.
—
4
2607200260
Wyłącznik
36,00 zł
1 szt.
—
5
1604460431
Przewód Zasil. Sieciowy
39,00 zł
1 szt.
—
6
2600707059
Końcówka
15,00 zł
1 szt.
—
7
2601035001
Uchwyt Przewodu
9,00 zł
1 szt.
—
9
2601110954
Tabliczka Naklejana
Zapytaj
1 szt.
—
13
2600905032
Łożysko Kulkowe
21,00 zł
1 szt.
—
14
2600917003
Łożysko Igiełkowe
13,00 zł
1 szt.
—
16
2605807052
Płytka Szczotkowa
Zapytaj
1 szt.
—
18
2603410001
Śruba Z Łbem Walcowym
9,00 zł
2 szt.
—
19
2910611019
Wkręt Do Blach
13,00 zł
2 szt.
—
20
2601118572
Tabliczka Informacyjna
15,00 zł
1 szt.
—
29
2600210036
Pierścień Samouszczeln.
Zapytaj
2 szt.
—
30
2600209004
Pierścień Dystansowy
Zapytaj
1 szt.
—
32
2603490025
Wkręt Soczewkowy Torx
8,00 zł
2 szt.
—
33
2605500111
Pokrywa Zamykająca
Zapytaj
1 szt.
—
43
2606320021
Koło Zębate Czołowe
59,53 zł
1 szt.
—
44
1900905232
Łożysko Kulkowe Zwykłe
74,00 zł
1 szt.
—
45
2916650001
Pierścień Zabezpieczajacy
12,00 zł
1 szt.
—
47
2601330005
Płyta Dociskowa
Zapytaj
1 szt.
—
51
2604448129
Kabel Łączący
Zapytaj
1 szt.
—
52
2604448060
Przewód Elektryczny
Zapytaj
1 szt.
—
53
2604448130
Kabel Łączący
5,29 zł
1 szt.
—
54
2604448123
PRZEWÓD ŁĄCZĄCY
Zapytaj
1 szt.
—
60
2915121004
Nakrętka Czworokątna
Zapytaj
1 szt.
—
61
2910091120
Śruba Z Łbem Płaskim
8,00 zł
1 szt.
—
3/60
1619P11262
wentylator
13,00 zł
1 szt.
—
746
1608571054
UCHWYT WIERTARSKI ZĘBATY
Zapytaj
1 szt.
—
750
2608040050
ZAMKNIĘCIE
Zapytaj
1 szt.
—
825
2910611007
Wkręt Do Blach
8,00 zł
2 szt.
—
828
2912401020
Wkręt Do Blach
8,00 zł
10 szt.
—
831
2605807921
Tuleja Łożyskowa
Zapytaj
1 szt.
—
841
2606135913
WRZECIONO WIERTARSKIE
Zapytaj
1 szt.
—
888
160111A3H3
Tabliczka Znamionowa
12,00 zł
1 szt.
—
46/800
2607950007
KLUCZ DO UCHWYTU ZĘBATEGO
25,00 zł
1 szt.
—
816/04
2604321905
Zestaw Szczotek Węglowych
31,00 zł
1 szt.
—
816/06
2601322013
Kołpak Ustalający
9,00 zł
2 szt.
—