Części
Maszyny
Kontakt
Home
Maszyny
Wiertarka udarowa
Bosch
WIERTARKA UDAROWA GSB 18-2 RE
0601141670 -
WIERTARKA UDAROWA Bosch GSB 18-2 RE
100%
Poz:
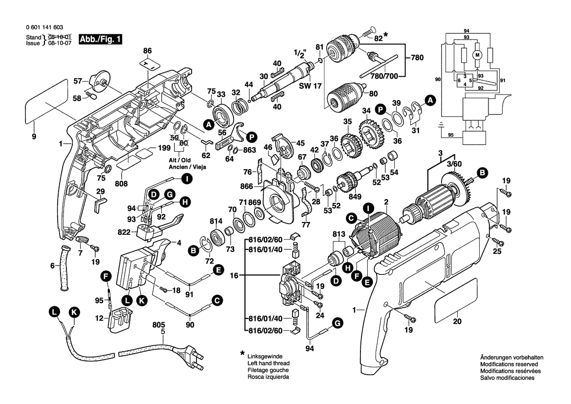
1
2
3
4
6
7
9
12
16
18
19
20
24
25
28
29
30
31
32
33
34
35
36
37
39
40
42
44
45
46
52
53
54
56
57
58
62
64
67
70
71
72
73
75
76
77
80
81
82
86
90
91
92
93
94
95
3/60
753
754
755
805
808
813
814
822
849
863
866
869
753/20
753/30
753/50
753/60
816/01/40
816/02/60
75 części
Sortuj
Poz.
Nr kat.
Nazwa
Cena brutto
Ilość
Zamów
1
2605104437
Skorupa Obudowy
Zapytaj
1 szt.
—
2
2604220429
Stojan
85,24 zł
1 szt.
3
2604010862
Twornik
Zapytaj
1 szt.
—
4
2607200209
Wyłącznik
145,39 zł
1 szt.
6
2600703012
Końcówka
9,72 zł
1 szt.
7
2601035001
Uchwyt Przewodu
5,29 zł
1 szt.
9
2601118437
Tabliczka Firmy
Zapytaj
1 szt.
—
12
2607329114
Filtr Przeciwzakłóceniowy
Zapytaj
1 szt.
—
16
2605807060
Płytka Szczotkowa
Zapytaj
1 szt.
—
18
2603410001
Śruba Z Łbem Walcowym
5,29 zł
2 szt.
19
2603490022
Śruba
4,06 zł
11 szt.
20
2601118439
Tabliczka Informacyjna
Zapytaj
1 szt.
—
24
2603490017
Wkręt Soczewkowy Torx
4,06 zł
2 szt.
25
2603490019
Wkręt Soczewkowy Torx
4,06 zł
1 szt.
28
2603429005
Śruba Z Łbem Walcowym
5,29 zł
2 szt.
29
2601022000
Płyta Izolacyjna
Zapytaj
1 szt.
—
30
2606135044
WRZECIONO WIERTARSKIE
Zapytaj
1 szt.
—
31
2600118001
Podkładka Zabezpieczająca
4,06 zł
1 szt.
32
2604616002
Sprężyna Dociskowa
5,29 zł
1 szt.
33
1900905163
Łożysko Kulkowe Zwykłe
33,83 zł
1 szt.
34
2606317045
Koło Zębate Czołowe
33,83 zł
1 szt.
35
2606317037
Koło Zębate Czołowe
Zapytaj
1 szt.
—
36
2600101515
Podkładka Regulacyjna
4,06 zł
1 szt.
37
2916650006
UCHWYT
5,29 zł
1 szt.
39
2600101671
Tarcza Ustalająca
5,29 zł
1 szt.
40
2602300028
Klin Płaski
Zapytaj
2 szt.
—
42
2600190052
Płytka Ryglująca
Zapytaj
1 szt.
—
44
1903230010
Kula
4,06 zł
1 szt.
45
2601990001
TARCZA WŁĄCZAJĄCA
Zapytaj
1 szt.
—
46
2601074003
Płyta Dociskowa
4,06 zł
1 szt.
52
2600100607
Podkładka Regulacyjna
5,29 zł
2 szt.
53
2600914010
Łożysko Igiełkowe
9,59 zł
2 szt.
54
2600400027
Tuleja Łożyskowa
13,65 zł
1 szt.
56
2602033005
Widełki Przełącz. Biegów
Zapytaj
1 szt.
—
57
2602026091
Głowica Obrotowa
Zapytaj
1 szt.
—
58
2600590006
Kołpak Ustalający
5,29 zł
1 szt.
62
2601335001
Kołek Zabierakowy
7,13 zł
1 szt.
64
2600100618
Podkładka Dystansowa
4,06 zł
1 szt.
67
2600190057
Płytka Ryglująca
Zapytaj
1 szt.
—
70
2600500014
Podkładka
Zapytaj
1 szt.
—
71
1900210117
Pierścień Samouszczeln.
11,07 zł
1 szt.
72
2916660008
Pierścień Zabezpieczajacy
7,13 zł
1 szt.
73
2600400008
Tuleja Wciskana
5,29 zł
1 szt.
75
1900210000
Pierścień Samouszczeln.
5,29 zł
2 szt.
76
2601005011
Pasek Filcowy
Zapytaj
1 szt.
—
77
2601005016
Pasek Filcowy
Zapytaj
1 szt.
—
80
2608572123
UCHWYT SZYBKOMOCUJĄCY
Zapytaj
1 szt.
—
81
2604601004
Pierścień Sprężysty
5,29 zł
1 szt.
82
2603421208
Wkręt Z Łbem Stożk. Płas.
Zapytaj
1 szt.
—
86
2601110580
Tabliczka Naklejana
Zapytaj
1 szt.
—
90
2604448060
Przewód Elektryczny
Zapytaj
1 szt.
—
91
2604448045
Przewód Elektryczny
Zapytaj
1 szt.
—
92
2604448034
PRZEWÓD ŁĄCZĄCY
5,29 zł
1 szt.
93
2604448132
PRZEWÓD ŁĄCZĄCY
4,06 zł
1 szt.
94
2604448115
Kabel Łączący
4,06 zł
2 szt.
95
2604448170
Przewód Uziemiający
Zapytaj
1 szt.
—
3/60
2606610029
Wentylator
8,36 zł
1 szt.
753
1619PB4323
Uchwyt Dodatkowy
31,37 zł
1 szt.
754
2607000122
UCHWYT WIERTŁĄ
Zapytaj
1 szt.
—
755
2603001019
Ogran. Miernika Głębok.
Zapytaj
1 szt.
—
805
1607000385
Przewód Zasil. Sieciowy
33,83 zł
1 szt.
808
2601119002
TABLICZKA ZNAMIONOWA
Zapytaj
1 szt.
—
813
2600917902
Łożysko Igiełkowe
Zapytaj
1 szt.
—
814
2600905039
Łożysko Kulkowe Zwykłe
38,87 zł
1 szt.
822
2607200231
Przełącznik
43,91 zł
1 szt.
849
2606309913
Wał Zębaty
Zapytaj
1 szt.
—
863
2916080007
Podkładka Zabezpieczająca
7,13 zł
1 szt.
866
2605807928
Most Łożyskowy
Zapytaj
1 szt.
—
869
2600108000
Pierścień Filcowy
Zapytaj
1 szt.
—
753/20
2915011007
Nakrętka Sześciokątna
4,06 zł
2 szt.
753/30
1613480007
Śruba Skrzydełkowa
5,29 zł
1 szt.
753/50
2608040014
Płyta Mocująca
Zapytaj
1 szt.
—
753/60
1613480008
Śruba Skrzydełkowa
5,29 zł
1 szt.
816/01/40
2604321913
Zestaw Szczotek Węglowych
Zapytaj
1 szt.
—
816/02/60
2601322017
Kołpak Ustalający
5,29 zł
2 szt.