Części
Maszyny
Kontakt
Home
Maszyny
Wiertarka udarowa
Bosch
WIERTARKA UDAROWA CSB 400-2
0603147032 -
WIERTARKA UDAROWA Bosch CSB 400-2
100%
Poz:
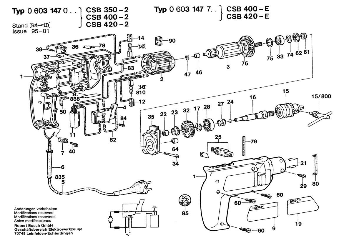
1
2
3
4
5
6
7
9
11
12
14
15
16
17
19
21
22
23
24
25
26
27
28
29
32
33
34
35
36
37
38
40
46
47
50
60
61
62
64
74
75
76
78
79
80
82
83
84
85
90
654
810
888
15/800
54 części
Sortuj
Poz.
Nr kat.
Nazwa
Cena brutto
Ilość
Zamów
1
2605104945
Skorupa Obudowy
Zapytaj
1 szt.
—
2
2604220392
Stojan
85,24 zł
1 szt.
3
2604010520
Twornik
Zapytaj
1 szt.
—
4
2607200084
Wyłącznik
31,37 zł
1 szt.
5
2604460053
Przewód Elekt. Ze Złączem
Zapytaj
1 szt.
—
6
1600703016
Końcówka
4,06 zł
1 szt.
7
2601035001
Uchwyt Przewodu
5,29 zł
1 szt.
9
2601110219
Tabliczka Firmy
Zapytaj
1 szt.
—
11
2607329095
Kondensator Przeciwzakł.
Zapytaj
1 szt.
—
12
2604465099
Człon Przeciwzakłóceniowy
Zapytaj
1 szt.
—
14
2604465024
Człon Przeciwzakłóceniowy
Zapytaj
1 szt.
—
15
1608571005
UCHWYT WIERTARSKI ZĘBATY
Zapytaj
1 szt.
—
16
2606135000
WRZECIONO WIERTARSKIE
Zapytaj
1 szt.
—
17
2600118001
Podkładka Zabezpieczająca
4,06 zł
1 szt.
19
2601110200
Tabliczka Informacyjna
Zapytaj
1 szt.
—
21
1900210129
Pierścień Samouszczeln.
8,36 zł
2 szt.
22
2600917003
Łożysko Igiełkowe
9,59 zł
1 szt.
23
2606490031
Tarcza Zapadkowa
Zapytaj
1 szt.
—
24
1903230010
Kula
4,06 zł
1 szt.
25
2607001039
Zestaw Do Przebudowy
Zapytaj
1 szt.
—
26
2600522026
Kołpak Ochronny
Zapytaj
2 szt.
—
27
2604617000
Sprężyna Dociskowa
8,36 zł
1 szt.
28
1900905122
Łożysko Kulkowe Zwykłe
31,37 zł
1 szt.
29
2603490017
Wkręt Soczewkowy Torx
4,06 zł
4 szt.
32
2606320019
Koło Zębate Czołowe
Zapytaj
1 szt.
—
33
2600905003
PODZESP'OŁ
Zapytaj
1 szt.
—
34
2910021134
Śruba Z Łbem Walcowym
5,29 zł
2 szt.
35
2605807903
Most Łożyskowy
Zapytaj
1 szt.
—
36
2607200039
Przełącznik
Zapytaj
1 szt.
—
37
2607320008
Dioda Krzemowa
Zapytaj
2 szt.
—
38
2604448002
PRZEWÓD ŁĄCZĄCY
Zapytaj
1 szt.
—
40
2910211019
Wkręt Do Blach
4,06 zł
2 szt.
46
2600910005
Tuleja Igłowa
Zapytaj
1 szt.
—
47
1610210014
Pierścień Samouszczeln.
Zapytaj
1 szt.
—
50
2601022000
Płyta Izolacyjna
Zapytaj
1 szt.
—
60
2912401020
Wkręt Do Blach
4,06 zł
5 szt.
61
2600108002
Pierścień Filcowy
5,29 zł
1 szt.
62
2600500002
Podkładka
5,29 zł
1 szt.
64
2600400008
Tuleja Wciskana
5,29 zł
1 szt.
74
2600150005
Podkładka Regulacyjna
5,29 zł
1 szt.
75
2916660008
Pierścień Zabezpieczajacy
7,13 zł
1 szt.
76
2606610047
PODZESP'OŁ
Zapytaj
1 szt.
—
78
2601105060
Tabliczka Informacyjna
Zapytaj
1 szt.
—
79
2601005006
Pasek Filcowy
Zapytaj
1 szt.
—
80
2601005007
Pasek Filcowy
Zapytaj
1 szt.
—
82
2604448000
PRZEWÓD ŁĄCZĄCY
Zapytaj
2 szt.
—
83
2604448001
PRZEWÓD ŁĄCZĄCY
Zapytaj
2 szt.
—
84
2603410001
Śruba Z Łbem Walcowym
5,29 zł
2 szt.
85
2601110041
Tabliczka Informacyjna
Zapytaj
1 szt.
—
90
1619P09928
Sprężyna Trzymająca
4,06 zł
2 szt.
654
2602025032
Uchwyt Dodatkowy
Zapytaj
1 szt.
—
810
2604321904
Zestaw Szczotek Węglowych
31,37 zł
1 szt.
888
160111A3H3
Tabliczka Znamionowa
8,36 zł
1 szt.
15/800
2607950007
KLUCZ DO UCHWYTU ZĘBATEGO
20,66 zł
1 szt.