Części
Maszyny
Kontakt
Home
Maszyny
Wiertarka udarowa
Bosch
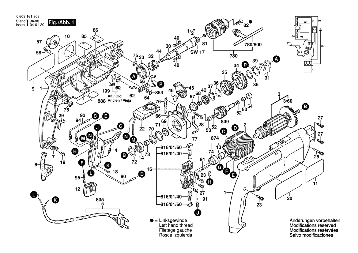
WIERTARKA UDAROWA CSB 650-2 RET
0603161850 -
WIERTARKA UDAROWA Bosch CSB 650-2 RET
100%
Poz:
1
2
3
4
5
6
7
9
10
11
12
13
14
16
18
19
20
22
23
25
27
28
29
30
31
32
33
34
35
36
37
39
40
42
44
45
46
52
53
54
56
57
58
62
64
66
67
68
69
70
71
72
73
74
75
76
77
81
82
85
86
90
91
92
94
95
3/60
753
754
755
780
849
863
888
753/20
753/30
753/50
753/60
780/800
816/01/40
816/01/60
81 części
Sortuj
Poz.
Nr kat.
Nazwa
Cena brutto
Ilość
Zamów
1
2609994551
Skorupa Obudowy
Zapytaj
1 szt.
—
2
1604220254
Stojan
84,00 zł
1 szt.
—
3
2604010862
Twornik
Zapytaj
1 szt.
—
4
2607200237
Przeł. Wejścia/Wyjścia
Zapytaj
1 szt.
—
5
2604460283
Przewód Zasil. Sieciowy
44,00 zł
1 szt.
—
6
2600707059
Końcówka
15,00 zł
1 szt.
—
7
2601035001
Uchwyt Przewodu
9,00 zł
1 szt.
—
9
2601118566
Tabliczka Firmy
Zapytaj
1 szt.
—
10
2601118117
Tabliczka Firmy
Zapytaj
1 szt.
—
11
2601118118
Tabliczka Naklejana
Zapytaj
1 szt.
—
12
2607329114
Filtr Przeciwzakłóceniowy
Zapytaj
1 szt.
—
13
2600917902
Łożysko Igiełkowe
Zapytaj
1 szt.
—
14
2600905039
Łożysko Kulkowe Zwykłe
44,00 zł
1 szt.
—
16
2605807060
Płytka Szczotkowa
Zapytaj
1 szt.
—
18
2603410001
Śruba Z Łbem Walcowym
9,00 zł
2 szt.
—
19
2603490022
Śruba
8,00 zł
2 szt.
—
20
2601118563
Tabliczka Informacyjna
Zapytaj
1 szt.
—
22
2607233005
REGULATOR OBROTÓW
Zapytaj
1 szt.
—
23
2912401420
Wkręt Do Blach
8,00 zł
9 szt.
—
25
2603490019
Wkręt Soczewkowy Torx
8,00 zł
1 szt.
—
27
2603490018
Wkręt Soczewkowy Torx
8,00 zł
3 szt.
—
28
2603429005
Śruba Z Łbem Walcowym
9,00 zł
2 szt.
—
29
2601022000
Płyta Izolacyjna
Zapytaj
1 szt.
—
30
2606135044
WRZECIONO WIERTARSKIE
Zapytaj
1 szt.
—
31
2600118001
Podkładka Zabezpieczająca
8,00 zł
2 szt.
—
32
2604616002
Sprężyna Dociskowa
9,00 zł
1 szt.
—
33
1900905163
Łożysko Kulkowe Zwykłe
39,00 zł
1 szt.
—
34
2606317045
Koło Zębate Czołowe
39,00 zł
1 szt.
—
35
2606317037
Koło Zębate Czołowe
Zapytaj
1 szt.
—
36
2600101515
Podkładka Regulacyjna
8,00 zł
2 szt.
—
37
2916650006
UCHWYT
9,00 zł
1 szt.
—
39
2600101671
Tarcza Ustalająca
9,00 zł
1 szt.
—
40
2602300028
Klin Płaski
Zapytaj
2 szt.
—
42
2600190052
Płytka Ryglująca
Zapytaj
1 szt.
—
44
1903230010
Kula
8,00 zł
1 szt.
—
45
2601990001
TARCZA WŁĄCZAJĄCA
Zapytaj
1 szt.
—
46
2601074003
Płyta Dociskowa
8,00 zł
1 szt.
—
52
2600100607
Podkładka Regulacyjna
9,00 zł
1 szt.
—
53
2600914010
Łożysko Igiełkowe
13,00 zł
2 szt.
—
54
2600400027
Tuleja Łożyskowa
17,00 zł
1 szt.
—
56
2602033005
Widełki Przełącz. Biegów
Zapytaj
1 szt.
—
57
2602026091
Głowica Obrotowa
Zapytaj
1 szt.
—
58
2600590006
Kołpak Ustalający
9,00 zł
1 szt.
—
62
2601335001
Kołek Zabierakowy
11,00 zł
1 szt.
—
64
2600100618
Podkładka Dystansowa
8,00 zł
1 szt.
—
66
2605807928
Most Łożyskowy
Zapytaj
1 szt.
—
67
2600190057
Płytka Ryglująca
Zapytaj
1 szt.
—
68
2600917003
Łożysko Igiełkowe
13,00 zł
1 szt.
—
69
2600108000
Pierścień Filcowy
Zapytaj
1 szt.
—
70
2600500014
Podkładka
Zapytaj
1 szt.
—
71
1900210117
Pierścień Samouszczeln.
15,00 zł
1 szt.
—
72
2916660008
Pierścień Zabezpieczajacy
11,00 zł
1 szt.
—
73
2600400008
Tuleja Wciskana
9,00 zł
1 szt.
—
74
2600222002
Tuleja Łożyskowa
Zapytaj
1 szt.
—
75
1900210000
Pierścień Samouszczeln.
9,00 zł
2 szt.
—
76
2601005011
Pasek Filcowy
Zapytaj
1 szt.
—
77
2601005016
Pasek Filcowy
Zapytaj
1 szt.
—
81
2604601004
Pierścień Sprężysty
9,00 zł
1 szt.
—
82
2603421208
Wkręt Z Łbem Stożk. Płas.
Zapytaj
1 szt.
—
85
2601110842
Tabliczka Naklejana
8,00 zł
1 szt.
—
86
2601110580
Tabliczka Naklejana
Zapytaj
1 szt.
—
90
2604448001
PRZEWÓD ŁĄCZĄCY
Zapytaj
1 szt.
—
91
2604448147
PRZEWÓD ŁĄCZĄCY
8,00 zł
2 szt.
—
92
2604448096
PRZEWÓD ŁĄCZĄCY
Zapytaj
1 szt.
—
94
2604448034
PRZEWÓD ŁĄCZĄCY
9,00 zł
1 szt.
—
95
2604448170
Przewód Uziemiający
Zapytaj
1 szt.
—
3/60
2606610029
Wentylator
12,00 zł
1 szt.
—
753
1619PB4323
Uchwyt Dodatkowy
36,00 zł
1 szt.
—
754
2607000122
UCHWYT WIERTŁĄ
Zapytaj
1 szt.
—
755
1613001005
Ogran. Miernika Głębok.
Zapytaj
1 szt.
—
780
1608571069
Uchwyt Wiertarski
92,00 zł
1 szt.
—
849
2606309913
Wał Zębaty
Zapytaj
1 szt.
—
863
2916080007
Podkładka Zabezpieczająca
11,00 zł
1 szt.
—
888
160111A3H3
Tabliczka Znamionowa
12,00 zł
1 szt.
—
753/20
2915011007
Nakrętka Sześciokątna
8,00 zł
1 szt.
—
753/30
1613480007
Śruba Skrzydełkowa
9,00 zł
2 szt.
—
753/50
2608040014
Płyta Mocująca
Zapytaj
1 szt.
—
753/60
1613480008
Śruba Skrzydełkowa
9,00 zł
1 szt.
—
780/800
2607950007
KLUCZ DO UCHWYTU ZĘBATEGO
25,00 zł
1 szt.
—
816/01/40
2604321905
Zestaw Szczotek Węglowych
31,00 zł
1 szt.
—
816/01/60
2601322013
Kołpak Ustalający
9,00 zł
2 szt.
—