Części
Maszyny
Kontakt
Home
Maszyny
Wiertarka udarowa
Bosch
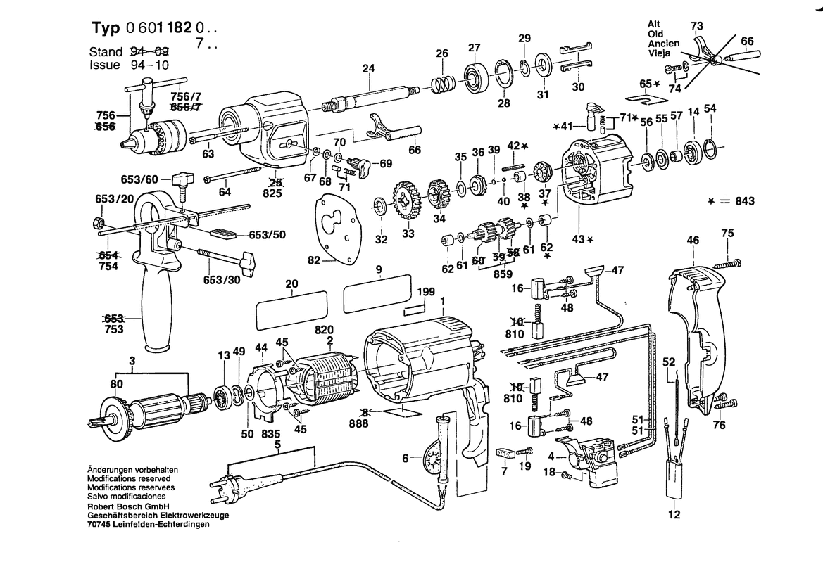
WIERTARKA UDAROWA GSB 16-2
0601182732 -
WIERTARKA UDAROWA Bosch GSB 16-2
100%
Poz:
1
2
3
4
5
6
7
9
12
13
14
16
18
19
20
24
26
27
28
29
30
31
32
33
34
35
36
37
38
39
40
41
42
43
44
45
46
47
48
49
50
51
52
54
55
56
57
61
62
63
64
65
66
67
68
69
70
71
75
76
80
82
199
753
754
756
810
825
859
888
70 części
Sortuj
Poz.
Nr kat.
Nazwa
Cena brutto
Ilość
Zamów
1
2605104116
Kadłub Silnika
Zapytaj
1 szt.
—
2
2604220429
Stojan
92,00 zł
1 szt.
—
3
2604010575
Twornik
214,00 zł
1 szt.
—
4
1617200089
Wyłącznik
Zapytaj
1 szt.
—
5
2604460053
Przewód Elekt. Ze Złączem
Zapytaj
1 szt.
—
6
2600707059
Końcówka
15,00 zł
1 szt.
—
7
2601035001
Uchwyt Przewodu
9,00 zł
1 szt.
—
9
2601110314
Tabliczka Naklejana
Zapytaj
1 szt.
—
12
2607329096
Filtr Przeciwzakłóceniowy
31,00 zł
1 szt.
—
13
1900905018
Łożysko Kulkowe
66,00 zł
1 szt.
—
14
2600905021
Łożysko Kulkowe Zwykłe
34,00 zł
1 szt.
—
16
2604337003
Uchwyt Szczotek
11,00 zł
2 szt.
—
18
2603410001
Śruba Z Łbem Walcowym
9,00 zł
2 szt.
—
19
2603490022
Śruba
8,00 zł
2 szt.
—
20
2601110093
Tabliczka Naklejana
Zapytaj
1 szt.
—
24
2606135013
WRZECIONO WIERTARSKIE
Zapytaj
1 szt.
—
26
2604616002
Sprężyna Dociskowa
9,00 zł
1 szt.
—
27
1900905163
Łożysko Kulkowe Zwykłe
39,00 zł
1 szt.
—
28
2916660014
Pierścień Zabezpieczajacy
9,00 zł
1 szt.
—
29
2916650008
Pierścień Zabezpieczajacy
9,00 zł
1 szt.
—
30
2602300028
Klin Płaski
Zapytaj
2 szt.
—
31
2600101671
Tarcza Ustalająca
9,00 zł
1 szt.
—
32
2600101515
Podkładka Regulacyjna
8,00 zł
1 szt.
—
33
2606317045
Koło Zębate Czołowe
39,00 zł
1 szt.
—
34
2606317037
Koło Zębate Czołowe
Zapytaj
1 szt.
—
35
2600101616
Podkładka Regulacyjna
13,00 zł
1 szt.
—
36
2600190052
Płytka Ryglująca
Zapytaj
1 szt.
—
37
2600190051
Płytka Ryglująca
Zapytaj
1 szt.
—
38
2600917003
Łożysko Igiełkowe
13,00 zł
1 szt.
—
39
2600000012
Podkładka Dystansowa
8,00 zł
1 szt.
—
40
1903230010
Kula
8,00 zł
1 szt.
—
41
2602026017
Gałka Obrotowa
31,00 zł
1 szt.
—
42
2917780105
Kołek Sprężysty
8,00 zł
1 szt.
—
43
2605700936
Kołnierz Pośredni
Zapytaj
1 szt.
—
44
2601328033
Pierścień Zakrywający
Zapytaj
1 szt.
—
45
2603435015
Wkręt Z Rowkiem Krzyżowym
11,00 zł
4 szt.
—
46
2605132040
Pokrywa Obudowy
Zapytaj
1 szt.
—
47
2604465068
Filtr Przeciwzakłóceniowy
Zapytaj
2 szt.
—
48
2603490017
Wkręt Soczewkowy Torx
11,00 zł
4 szt.
—
49
2600150004
Podkładka Regulacyjna
11,00 zł
1 szt.
—
50
2600101020
Podkładka Regulacyjna
9,00 zł
1 szt.
—
51
2604448005
Przewód Elektryczny
9,00 zł
2 szt.
—
52
2604448003
Przewód Elektryczny
Zapytaj
1 szt.
—
54
2916660008
Pierścień Zabezpieczajacy
11,00 zł
1 szt.
—
55
2600500002
Podkładka
9,00 zł
1 szt.
—
56
2600108077
Pierścień Filcowy
9,00 zł
1 szt.
—
57
2600400008
Tuleja Wciskana
9,00 zł
1 szt.
—
61
2600100607
Podkładka Regulacyjna
9,00 zł
2 szt.
—
62
2600914010
Łożysko Igiełkowe
13,00 zł
2 szt.
—
63
2603435012
Wkręt Do Blach
Zapytaj
2 szt.
—
64
2603435071
Śruba Bez Łba
Zapytaj
2 szt.
—
65
2601110076
Tabliczka Naklejana
Zapytaj
1 szt.
—
66
2602033006
Zasuwa Nastawna
13,00 zł
1 szt.
—
67
2916080007
Podkładka Zabezpieczająca
11,00 zł
1 szt.
—
68
2600100618
Podkładka Dystansowa
8,00 zł
1 szt.
—
69
2602026038
Gałka Obrotowa
Zapytaj
1 szt.
—
70
2607010226
Zestaw Części
Zapytaj
1 szt.
—
71
2600590006
Kołpak Ustalający
9,00 zł
2 szt.
—
75
2603490024
Wkręt Soczewkowy Torx
9,00 zł
1 szt.
—
76
2603490023
Wkręt Soczewkowy Torx
8,00 zł
2 szt.
—
80
2606610049
Wentylator
11,00 zł
1 szt.
—
82
2601073012
Uszczelka Płaska
8,00 zł
1 szt.
—
199
1601110265
Tabliczka Informacyjna
Zapytaj
1 szt.
—
753
1619PB4323
Uchwyt Dodatkowy
36,00 zł
1 szt.
—
754
1613001005
Ogran. Miernika Głębok.
Zapytaj
1 szt.
—
756
1608571069
Uchwyt Wiertarski
92,00 zł
1 szt.
—
810
2604321905
Zestaw Szczotek Węglowych
31,00 zł
1 szt.
—
825
2605806990
Obudowa Przekładni
Zapytaj
1 szt.
—
859
2606100903
Wał Zębaty
Zapytaj
1 szt.
—
888
160111A3H3
Tabliczka Znamionowa
12,00 zł
1 szt.
—