Części
Maszyny
Kontakt
Home
Maszyny
Wiertarka udarowa
Bosch
WIERTARKA UDAR. 2-BIEGOWA PSB 420
0603246012 -
WIERTARKA UDAR. 2-BIEGOWA Bosch PSB 420
100%
Poz:
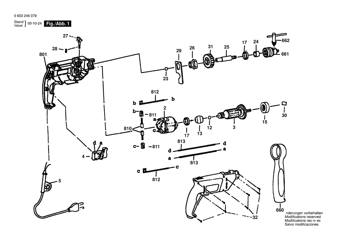
2
3
4
5
12
13
15
17
23
24
25
26
27
28
29
30
31
32
660
662
801
810
812
813
24 części
Sortuj
Poz.
Nr kat.
Nazwa
Cena brutto
Ilość
Zamów
2
9618086997
Nabiegunnik
Zapytaj
1 szt.
—
3
9618086995
Twornik Z Wentylatorem
Zapytaj
1 szt.
—
4
9618086703
Wyłącznik
22,00 zł
1 szt.
—
5
F000609094
Przewód Zasil. Sieciowy
Zapytaj
1 szt.
—
12
1903230005
Kula
Zapytaj
1 szt.
—
13
F000600348
Łoż. Z Materiału Sinter.
Zapytaj
1 szt.
—
15
9618089281
Łożysko Kulkowe Zwykłe
Zapytaj
1 szt.
—
17
1600205032
Pierścień Filcowy
Zapytaj
2 szt.
—
23
9618083800
Kula
4,06 zł
1 szt.
—
24
9618086698
Tuleja Spiekana
9,00 zł
1 szt.
—
25
9618087174
WRZECIONO WIERTARSKIE
36,00 zł
1 szt.
—
26
9618087166
Tarcza Zapadkowa
Zapytaj
1 szt.
—
27
F000623005
Zasuwa Nastawna
8,00 zł
1 szt.
—
28
9618089195
Płyta Zderzakowa
Zapytaj
1 szt.
—
29
9618087096
SUWAK PRZEŁĄCZNIKA
Zapytaj
1 szt.
—
30
1601000013
Płyta Dociskowa
Zapytaj
1 szt.
—
31
9618086704
Koło Zębate Czołowe
Zapytaj
1 szt.
—
32
9618087099
Śruba
9,00 zł
7 szt.
—
660
9618086864
Rękojeść
Zapytaj
1 szt.
—
662
F000632059
KLUCZ DO UCHWYTU ZĘBATEGO
15,00 zł
1 szt.
—
801
9618086790
Kadłub Silnika
Zapytaj
1 szt.
—
810
9618086870
Szczotka Węglowa
31,00 zł
1 szt.
—
812
9618086695
Uchwyt Szczotek
Zapytaj
2 szt.
—
813
2604448018
PRZEWÓD ŁĄCZĄCY
Zapytaj
2 szt.
—