Części
Maszyny
Kontakt
Home
Maszyny
Wiertarka udarowa
Bosch
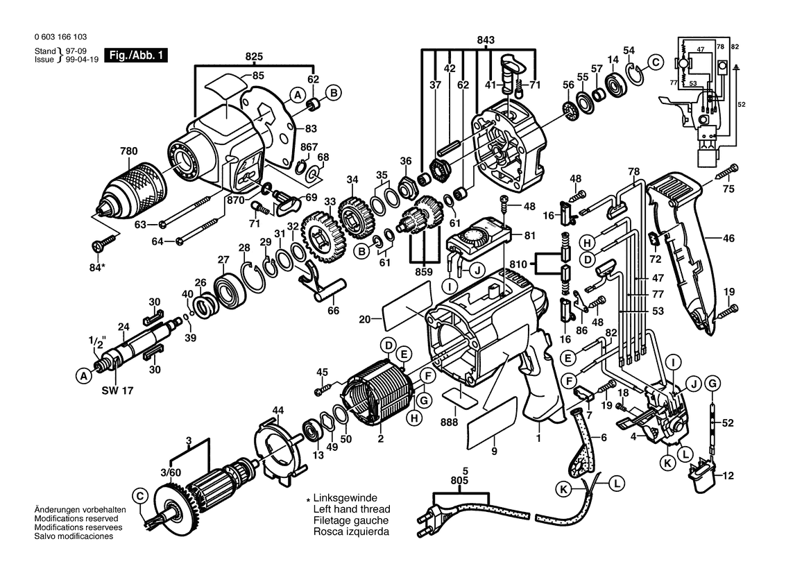
WIERTARKA UDAROWA CSB 100-2 RET
0603166132 -
WIERTARKA UDAROWA Bosch CSB 100-2 RET
100%
Poz:
1
2
3
4
5
6
7
9
12
13
14
16
18
19
20
24
26
27
28
29
30
31
32
33
34
35
36
37
39
40
41
42
44
45
46
47
48
49
50
52
53
54
55
56
57
61
62
63
64
66
68
69
71
72
75
77
78
81
82
83
85
86
3/60
753
754
780
810
825
843
859
865
867
870
888
753/20
753/30
753/50
753/60
78 części
Sortuj
Poz.
Nr kat.
Nazwa
Cena brutto
Ilość
Zamów
1
2605104296
Kadłub Silnika
Zapytaj
1 szt.
—
2
2604220436
Stojan
Zapytaj
1 szt.
—
3
2604010865
Twornik
Zapytaj
1 szt.
—
4
2607200238
Wyłącznik
Zapytaj
1 szt.
—
5
1604460432
Przewód Zasil. Sieciowy
39,00 zł
1 szt.
—
6
2600703012
Końcówka
13,00 zł
1 szt.
—
7
2601035001
Uchwyt Przewodu
9,00 zł
1 szt.
—
9
2601119418
Tabliczka Firmy
Zapytaj
1 szt.
—
12
2607329114
Filtr Przeciwzakłóceniowy
Zapytaj
1 szt.
—
13
1900905018
Łożysko Kulkowe
66,00 zł
1 szt.
—
14
2600905050
Łożysko Kulkowe Zwykłe
Zapytaj
1 szt.
—
16
2604337016
Uchwyt Szczotek
8,00 zł
2 szt.
—
18
2603410001
Śruba Z Łbem Walcowym
9,00 zł
2 szt.
—
19
2603490022
Śruba
8,00 zł
4 szt.
—
20
2601119414
Tabliczka Informacyjna
Zapytaj
1 szt.
—
24
2606135013
WRZECIONO WIERTARSKIE
Zapytaj
1 szt.
—
26
2604616002
Sprężyna Dociskowa
9,00 zł
1 szt.
—
27
1900905163
Łożysko Kulkowe Zwykłe
39,00 zł
1 szt.
—
28
2916660014
Pierścień Zabezpieczajacy
9,00 zł
1 szt.
—
29
2916650008
Pierścień Zabezpieczajacy
9,00 zł
1 szt.
—
30
2602300028
Klin Płaski
Zapytaj
2 szt.
—
31
2600101671
Tarcza Ustalająca
9,00 zł
1 szt.
—
32
2600101515
Podkładka Regulacyjna
8,00 zł
1 szt.
—
33
2606317045
Koło Zębate Czołowe
39,00 zł
1 szt.
—
34
2606317037
Koło Zębate Czołowe
Zapytaj
1 szt.
—
35
2600101616
Podkładka Regulacyjna
13,00 zł
2 szt.
—
36
2600190052
Płytka Ryglująca
Zapytaj
1 szt.
—
37
2600190057
Płytka Ryglująca
Zapytaj
1 szt.
—
39
2600000012
Podkładka Dystansowa
8,00 zł
1 szt.
—
40
1903230010
Kula
8,00 zł
1 szt.
—
41
2602026017
Gałka Obrotowa
31,00 zł
1 szt.
—
42
2917780105
Kołek Sprężysty
8,00 zł
1 szt.
—
44
2601328033
Pierścień Zakrywający
Zapytaj
1 szt.
—
45
2603435086
Wkręt Do Blach
8,00 zł
4 szt.
—
46
2605132025
Pokrywa Obudowy
20,66 zł
1 szt.
—
47
2604448145
PRZEWÓD ŁĄCZĄCY
Zapytaj
1 szt.
—
48
2603490017
Wkręt Soczewkowy Torx
11,00 zł
6 szt.
—
49
2600150004
Podkładka Regulacyjna
11,00 zł
1 szt.
—
50
2600101027
Podkładka Dystansowa
9,00 zł
1 szt.
—
52
2604448103
Przewód Uziemiający
Zapytaj
1 szt.
—
53
2604465086
Filtr Przeciwzakłóceniowy
22,00 zł
1 szt.
—
54
2916660008
Pierścień Zabezpieczajacy
11,00 zł
1 szt.
—
55
2600500002
Podkładka
9,00 zł
1 szt.
—
56
2600108077
Pierścień Filcowy
9,00 zł
1 szt.
—
57
2600400008
Tuleja Wciskana
9,00 zł
1 szt.
—
61
2600100607
Podkładka Regulacyjna
9,00 zł
3 szt.
—
62
2600914010
Łożysko Igiełkowe
13,00 zł
2 szt.
—
63
2603435070
Śruba Bez Łba
Zapytaj
2 szt.
—
64
2603435071
Śruba Bez Łba
Zapytaj
2 szt.
—
66
2602033006
Zasuwa Nastawna
13,00 zł
1 szt.
—
68
2600100618
Podkładka Dystansowa
8,00 zł
1 szt.
—
69
2602026038
Gałka Obrotowa
Zapytaj
1 szt.
—
71
2600590006
Kołpak Ustalający
9,00 zł
2 szt.
—
72
2601010049
Wkład
Zapytaj
1 szt.
—
75
2603490024
Wkręt Soczewkowy Torx
9,00 zł
3 szt.
—
77
2604448137
PRZEWÓD ŁĄCZĄCY
Zapytaj
1 szt.
—
78
2604465087
Filtr Przeciwzakłóceniowy
Zapytaj
1 szt.
—
81
2607233006
REGULATOR OBROTÓW
Zapytaj
1 szt.
—
82
2604448004
PRZEWÓD ŁĄCZĄCY
Zapytaj
1 szt.
—
83
2601073012
Uszczelka Płaska
8,00 zł
1 szt.
—
85
2601118187
Tabliczka Naklejana
Zapytaj
1 szt.
—
86
2600034003
Płyta
Zapytaj
1 szt.
—
3/60
2606610049
Wentylator
11,00 zł
1 szt.
—
753
1619PB4323
Uchwyt Dodatkowy
36,00 zł
1 szt.
—
754
2603001019
Ogran. Miernika Głębok.
Zapytaj
1 szt.
—
780
2608572106
UCHWYT SZYBKOMOCUJĄCY
359,00 zł
1 szt.
—
810
2604321905
Zestaw Szczotek Węglowych
31,00 zł
1 szt.
—
825
2605806987
Obudowa Przekładni
Zapytaj
1 szt.
—
843
2605700936
Kołnierz Pośredni
Zapytaj
1 szt.
—
859
2606100914
Wał Zębaty
Zapytaj
1 szt.
—
865
2601110076
Tabliczka Naklejana
Zapytaj
1 szt.
—
867
2916080007
Podkładka Zabezpieczająca
11,00 zł
1 szt.
—
870
2607010226
Zestaw Części
Zapytaj
1 szt.
—
888
160111A3H3
Tabliczka Znamionowa
12,00 zł
1 szt.
—
753/20
2915011007
Nakrętka Sześciokątna
8,00 zł
2 szt.
—
753/30
1613480007
Śruba Skrzydełkowa
9,00 zł
1 szt.
—
753/50
2608040014
Płyta Mocująca
Zapytaj
1 szt.
—
753/60
1613480008
Śruba Skrzydełkowa
9,00 zł
1 szt.
—