Części
Maszyny
Kontakt
Home
Maszyny
Wiertarka udarowa
Bosch
WIERTARKA UDAROWA P 120 SB
0603240647 -
WIERTARKA UDAROWA Bosch P 120 SB
100%
Poz:
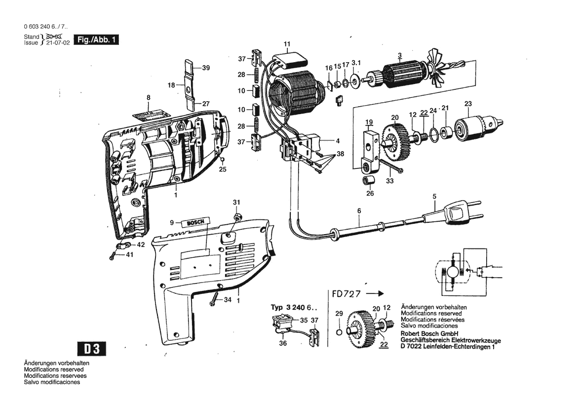
1
2
3
4
5
6
8
9
12
13
15
16
17
18
19
20
21
22
23
24
25
26
27
28
29
31
32
33
34
35
36
37
38
39
41
42
700
810
888
39 części
Sortuj
Poz.
Nr kat.
Nazwa
Cena brutto
Ilość
Zamów
1
2605104933
Skorupa Obudowy
Zapytaj
1 szt.
—
2
2604220354
Nabiegunnik
Zapytaj
1 szt.
—
3
2604010487
Twornik Z Wentylatorem
Zapytaj
1 szt.
—
4
1607200060
Przeł. Wejścia/Wyjścia
Zapytaj
1 szt.
—
5
2604460075
Przewód Zasil. Sieciowy
Zapytaj
1 szt.
—
6
1600703016
Końcówka
8,00 zł
1 szt.
—
8
2601105051
Tabliczka Znamionowa
Zapytaj
1 szt.
—
9
1601110013
Tabliczka Firmy
Zapytaj
1 szt.
—
12
2600101616
Podkładka Regulacyjna
13,00 zł
1 szt.
—
13
2601020005
Filc Smarujący
Zapytaj
1 szt.
—
15
1900301004
Tuleja Spiekana
Zapytaj
1 szt.
—
16
1601000013
Płyta Dociskowa
Zapytaj
1 szt.
—
17
1610210014
Pierścień Samouszczeln.
Zapytaj
1 szt.
—
18
2601322003
Zasuwa Nastawna
Zapytaj
1 szt.
—
19
2605807901
Most Łożyskowy
Zapytaj
1 szt.
—
20
2606320013
Koło Zębate Czołowe
Zapytaj
1 szt.
—
21
1900301014
Tuleja Spiekana
Zapytaj
1 szt.
—
22
2603515003
WRZECIONO WIERTARSKIE
Zapytaj
1 szt.
—
23
1608571033
Uchwyt Wiertarski
Zapytaj
1 szt.
—
24
1900210113
Pierścień Samouszczeln.
12,00 zł
1 szt.
—
25
1903230009
Kula
8,00 zł
1 szt.
—
26
1610910057
Tuleja Igłowa
13,00 zł
1 szt.
—
27
2600522002
Kołpak Ochronny
Zapytaj
1 szt.
—
28
2604610009
Sprężyna Dociskowa
Zapytaj
2 szt.
—
29
1903230013
Kula
11,00 zł
1 szt.
—
31
2915011007
Nakrętka Sześciokątna
8,00 zł
1 szt.
—
32
1903201044
Rolka Igłowa
Zapytaj
1 szt.
—
33
2603490026
Wkręt O Socz. Łbie Stożk.
8,00 zł
2 szt.
—
34
2910211019
Wkręt Do Blach
8,00 zł
7 szt.
—
35
2607200904
Przeł. Wejścia/Wyjścia
Zapytaj
1 szt.
—
36
2607320008
Dioda Krzemowa
Zapytaj
1 szt.
—
37
2604337001
Uchwyt Szczotek
Zapytaj
1 szt.
—
38
2603410001
Śruba Z Łbem Walcowym
9,00 zł
4 szt.
—
39
2600522003
Kołpak Ochronny
Zapytaj
1 szt.
—
41
2910211004
Wkręt Do Blach
Zapytaj
2 szt.
—
42
1601034026
Zacisk Mocujący
Zapytaj
1 szt.
—
700
2602025023
Uchwyt Dodatkowy
Zapytaj
1 szt.
—
810
1604321900
Szczotka Węglowa
Zapytaj
1 szt.
—
888
160111A3H3
Tabliczka Znamionowa
12,00 zł
1 szt.
—