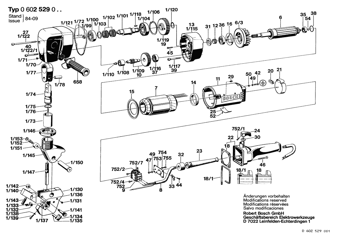
Części
Maszyny
Kontakt
Home
Maszyny
Wibrator
Bosch
formierz wysokoczęstotliw *SCHWEIßKANTENF
0602529007 -
formierz wysokoczęstotliw Bosch *SCHWEIßKANTENF
100%
Poz:
1
6
7
8
11
12
13
14
15
16
18
19
20
21
22
23
24
25
27
29
30
31
32
33
35
36
38
39
42
45
46
47
49
50
52
54
1/70
1/72
1/73
1/74
1/76
1/77
1/78
18/1
201
202
651
653
654
656
657
658
752
753
754
1/100
1/101
1/103
1/104
1/106
1/109
1/110
1/116
1/118
1/120
1/121
1/130
1/131
1/132
1/134
1/135
1/136
1/137
1/138
1/139
1/140
1/141
1/142
1/143
1/145
1/146
1/147
1/150
1/151
1/152
1/153
752/1
752/2
752/4
752/7
1/122/1
91 części
Sortuj
Poz.
Nr kat.
Nazwa
Cena brutto
Ilość
Zamów
1
1608584006
Głowica Przekładni
Zapytaj
1 szt.
—
6
1604080080
Wirnik Bez Uzwojenia
Zapytaj
1 szt.
—
7
1604229162
Stojan
27,04 zł
1 szt.
—
8
3604462041
Przewód Elekt. Ze Złączem
Zapytaj
1 szt.
—
11
1605102082
Kadłub Silnika
Zapytaj
1 szt.
—
12
1603344017
Pierścień Gwintowany
Zapytaj
1 szt.
—
13
1605820157
Osłona Łożyska
Zapytaj
1 szt.
—
14
1600209009
Pierścień Uszczelniający
25,00 zł
1 szt.
—
15
1600500014
Tarcza Kierująca
Zapytaj
1 szt.
—
16
1600134000
Pierścień Zakrywający
Zapytaj
1 szt.
—
18
1601015011
Uszczelka
Zapytaj
1 szt.
—
19
1606317058
Koło Zębate Czołowe
Zapytaj
1 szt.
—
20
1600306000
Końcówka
Zapytaj
1 szt.
—
21
1600502004
Kołpak Ochronny
13,65 zł
1 szt.
—
22
1605132067
Rękojeść
Zapytaj
1 szt.
—
23
1600703009
Końcówka
22,00 zł
1 szt.
—
24
1602026038
Dźwignia Zmiany Biegów
Zapytaj
1 szt.
—
25
3601106053
Tabliczka Znamionowa
21,00 zł
1 szt.
—
27
1603414003
Śr.Z Łb.Okr.O Gnieź.Sześ.
Zapytaj
2 szt.
—
29
1603402004
Wkręt Bez Łba
12,00 zł
6 szt.
—
30
1600108024
Uszczelka
Zapytaj
1 szt.
—
31
1600108048
Uszczelka
9,00 zł
1 szt.
—
32
1600113003
Płytka Uszczelniająca
13,00 zł
1 szt.
—
33
1601303003
Zacisk Mocujący
11,00 zł
1 szt.
—
35
1900900287
Łożysko Kulkowe Zwykłe
84,00 zł
1 szt.
—
36
1600900019
Łożysko Kulkowe Zwykłe
Zapytaj
1 szt.
—
38
1120210000
Pierścień Samouszczeln.
Zapytaj
1 szt.
—
39
2910141211
Śr.Z Łb.Okr.O Gnieź.Sześ.
Zapytaj
1 szt.
—
42
2910110122
Śruba Z Łbem Płaskim
Zapytaj
1 szt.
—
45
2910021130
Śruba Z Łbem Walcowym
8,00 zł
3 szt.
—
46
2910141209
Śr.Z Łb.Okr.O Gnieź.Sześ.
Zapytaj
4 szt.
—
47
2910021118
Śruba Z Łbem Walcowym
8,00 zł
2 szt.
—
49
1600150006
Podkładka Sprężysta
Zapytaj
3 szt.
—
50
3601321001
Pałąk Zaciskowy
15,00 zł
1 szt.
—
52
3603133001
Nitokołek
12,00 zł
2 szt.
—
54
2916610007
Pierścień Sprężysty
Zapytaj
1 szt.
—
1/70
1605110020
Obudowa Przekładni
Zapytaj
1 szt.
—
1/72
2917510120
Kołek Walcowy
Zapytaj
1 szt.
—
1/73
1600300070
Tuleja Łożyskowa
Zapytaj
1 szt.
—
1/74
1603121012
Popychacz
Zapytaj
1 szt.
—
1/76
2912040162
Wkręt Bez Łba
Zapytaj
1 szt.
—
1/77
1602001001
Korbowód
Zapytaj
1 szt.
—
1/78
1603100022
SWORZEŃ KORBOWODU
Zapytaj
1 szt.
—
18/1
1601014001
Wstęga Profilowa
Zapytaj
1 szt.
—
201
1601331031
Kątownik Zderzakowy
Zapytaj
1 szt.
—
202
2916680035
Pierścień Sprężysty
Zapytaj
1 szt.
—
651
1907950564
Klucz Hakowy
Zapytaj
1 szt.
—
653
2917761095
Kołek Sprężysty
Zapytaj
5 szt.
—
654
2910141242
Śr.Z Łb.Okr.O Gnieź.Sześ.
9,00 zł
1 szt.
—
656
1615437500
Praska Smarowa
Zapytaj
1 szt.
—
657
1907959021
Śrubokręt
Zapytaj
1 szt.
—
658
160202509Z
Uchwyt Dodatkowy
59,00 zł
1 szt.
—
752
1607200006
Przeł. Wejścia/Wyjścia
359,00 zł
1 szt.
—
753
3601023015
Płyta Mocująca
84,00 zł
1 szt.
—
754
2916690003
Pierścień Sprężysty
8,00 zł
2 szt.
—
1/100
1900910531
Łożysko Baryłkowe
Zapytaj
1 szt.
—
1/101
1606110000
Wał Mimośrodowy
Zapytaj
1 szt.
—
1/103
1600224029
Pierścień Zaciskowy
Zapytaj
1 szt.
—
1/104
1900910532
Łożysko Baryłkowe
Zapytaj
1 szt.
—
1/106
2916660027
Pierścień Zabezpieczajacy
17,00 zł
1 szt.
—
1/109
1606328082
Wał Z Kołem Zębatym
Zapytaj
1 szt.
—
1/110
1603203026
Trzpień Naciskowy
Zapytaj
1 szt.
—
1/116
1900900302
Łożysko Kulkowe Zwykłe
Zapytaj
1 szt.
—
1/118
1902300284
Wpust Pasowany
Zapytaj
1 szt.
—
1/120
2916650011
Pierścień Zabezpieczajacy
11,00 zł
1 szt.
—
1/121
1601015005
Uszczelka
Zapytaj
1 szt.
—
1/130
1608040075
Jarzmo Prowadzące
Zapytaj
1 szt.
—
1/131
1609274002
SMAROWNICA
Zapytaj
1 szt.
—
1/132
1602305015
Uchwyt Zaciskowy
Zapytaj
1 szt.
—
1/134
1609280001
Podparcie Drugostronne
Zapytaj
1 szt.
—
1/135
2917760095
Kołek Sprężysty
Zapytaj
2 szt.
—
1/136
1602307005
Powierzchnia Przylegania
Zapytaj
1 szt.
—
1/137
1600100014
Płyta Pośrednia
Zapytaj
1 szt.
—
1/138
2916680009
Pierścień Sprężysty
Zapytaj
1 szt.
—
1/139
2910141240
Śr.Z Łb.Okr.O Gnieź.Sześ.
Zapytaj
1 szt.
—
1/140
1602308010
Zbierak
Zapytaj
1 szt.
—
1/141
1603414004
Śr.Z Łb.Okr.O Gnieź.Sześ.
Zapytaj
1 szt.
—
1/142
1600363009
Tuleja Gwintowana
Zapytaj
1 szt.
—
1/143
1603402008
Wkręt Bez Łba
Zapytaj
1 szt.
—
1/145
1608010009
Wspornik Skośny
Zapytaj
1 szt.
—
1/146
1603342005
Nakrętka Okrągla Rowkowa
Zapytaj
1 szt.
—
1/147
1607930001
STEMPEL
Zapytaj
1 szt.
—
1/150
1603121013
Popychacz
Zapytaj
1 szt.
—
1/151
1600506012
Tuleja Prowadząca
Zapytaj
1 szt.
—
1/152
2910141237
Śr.Z Łb.Okr.O Gnieź.Sześ.
Zapytaj
1 szt.
—
1/153
2916660002
Pierścień Zabezpieczajacy
Zapytaj
1 szt.
—
752/1
2910001052
Śruba Z Łbem Walcowym
11,00 zł
1 szt.
—
752/2
1604650009
Sprężyna Ściągająca
Zapytaj
1 szt.
—
752/4
2910091118
Śruba Z Łbem Płaskim
Zapytaj
6 szt.
—
752/7
1603200007
Rolka Spoczynkowa
Zapytaj
1 szt.
—
1/122/1
2910141215
Śr.Z Łb.Okr.O Gnieź.Sześ.
15,00 zł
2 szt.
—