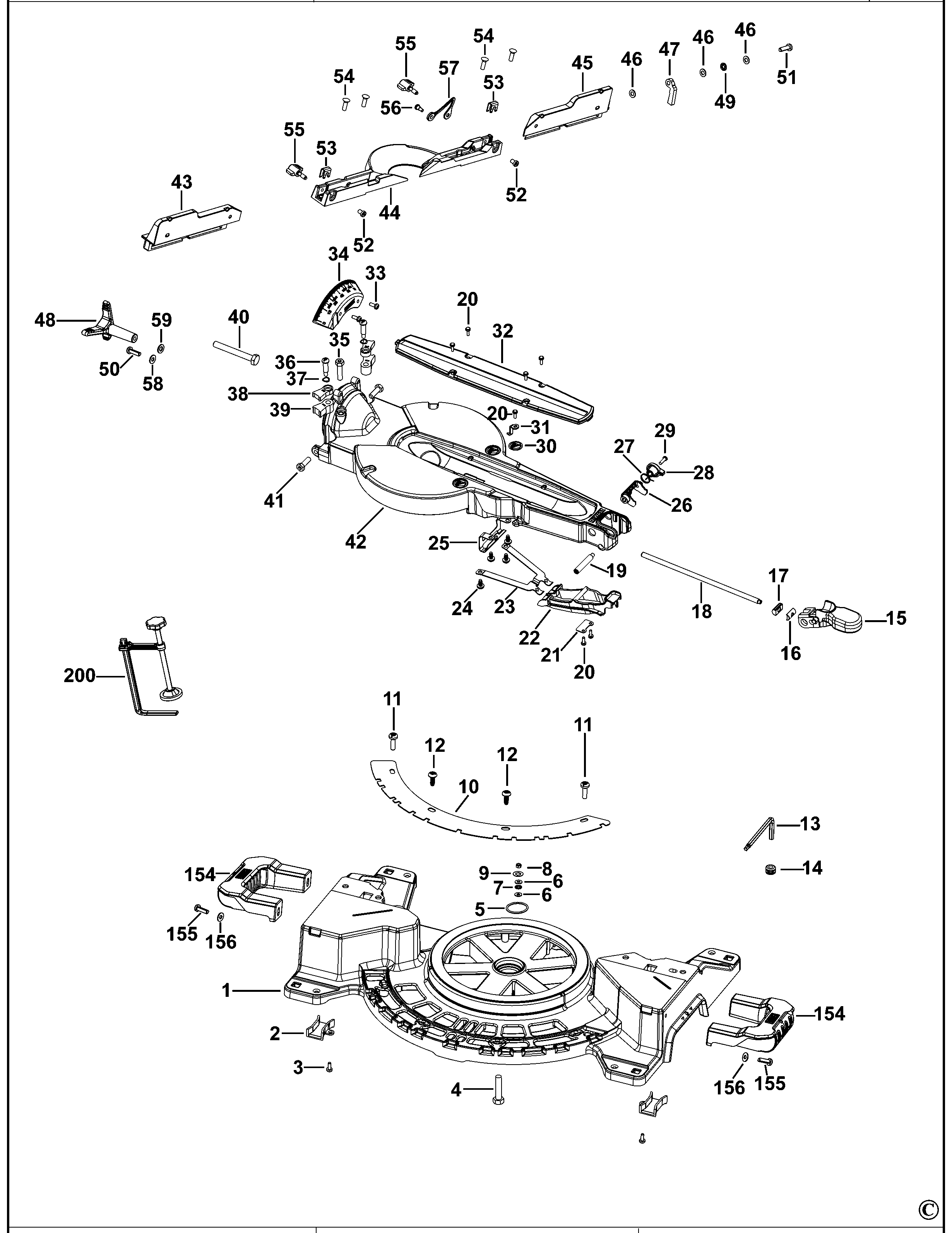
Części
Maszyny
Kontakt
Home
Maszyny
Ukośnice
DeWalt
Ukośnica
DWS727-Type-1 -
Ukośnica DeWalt
100%
Poz:
1
2
3
4
5
6
7
8
9
10
11
12
13
14
15
16
17
18
19
20
21
22
23
24
25
26
27
28
29
30
31
32
33
34
35
36
37
38
39
40
41
42
43
44
45
46
47
48
49
50
51
52
53
54
55
56
57
58
59
60
61
62
63
64
65
66
67
68
70
71
73
74
75
76
78
79
81
82
83
86
87
88
91
92
93
95
96
97
98
99
100
101
102
103
104
105
106
109
110
111
112
113
114
116
117
118
119
120
125
126
127
129
130
131
132
133
134
135
137
138
139
140
141
142
143
145
146
147
148
149
150
151
152
153
154
155
156
157
158
159
160
161
162
163
165
166
167
168
200
202
210
211
212
213
214
215
216
217
218
219
220
221
222
223
224
225
226
227
228
229
230
231
232
233
234
235
236
237
238
239
180 części
Sortuj
Poz.
Nr kat.
Nazwa
Cena brutto
Ilość
Zamów
1
N747692
Podstawa
709,00 zł
1 szt.
—
2
N542847
Uchwyt
7,00 zł
1 szt.
—
3
330045-05
Śruba
7,00 zł
1 szt.
—
4
98025-35
Śruba
Zapytaj
1 szt.
—
5
49787-00
O-Ring
7,00 zł
1 szt.
—
6
153792-00
Podkładka
7,00 zł
1 szt.
—
7
153451-00
Łożysko Oporowe
7,00 zł
1 szt.
—
8
N074448
Nakrętka
7,00 zł
1 szt.
—
9
N556926
Kołpak
7,00 zł
1 szt.
—
10
N690033
Podziałka
123,00 zł
1 szt.
—
11
604410-00
Śruba
7,00 zł
1 szt.
—
12
330045-23
Śruba
7,00 zł
1 szt.
—
13
N767631
Klucz Sześciokątny
15,00 zł
1 szt.
—
14
N592585
Klocek Do Szlifowania
7,00 zł
1 szt.
—
15
N540765
Dźwignia
16,00 zł
1 szt.
—
16
N419627
Nakrętka
7,00 zł
1 szt.
—
17
621322-00
Nakrętka
10,00 zł
1 szt.
—
18
N577744
Blokada Prętem
21,00 zł
1 szt.
—
19
N597803
Kołek
15,00 zł
1 szt.
—
20
330045-45
Śruba
7,00 zł
1 szt.
—
21
641448-00
Ustalacz
7,00 zł
1 szt.
—
22
N704030
Urządzenie Uruchamiające
16,00 zł
1 szt.
—
23
397070-00
Sprężyna
24,00 zł
1 szt.
—
24
330045-55
Śruba
7,00 zł
1 szt.
—
25
397062-00
Płyta
18,00 zł
1 szt.
—
26
N655907
Blokada
7,00 zł
1 szt.
—
27
641423-00
Sprężyna
7,00 zł
1 szt.
—
28
641422-00
Gałka
7,00 zł
1 szt.
—
29
330019-12
Śruba
7,00 zł
1 szt.
—
30
610707-00
Nalepka Uwaga
7,00 zł
1 szt.
—
31
397048-00
Wskaźnik
9,00 zł
1 szt.
—
32
N540767
Wkładka
27,00 zł
1 szt.
—
33
330045-49
Śruba
7,00 zł
1 szt.
—
34
N090294
Podziałka Kątowa
34,00 zł
1 szt.
—
35
N600059
Śruba
9,00 zł
1 szt.
—
36
N058315
Screw.Special
7,00 zł
1 szt.
—
37
385946-00
Podkładka Sprężysta
7,00 zł
1 szt.
—
38
N043045
Zapadka
14,00 zł
1 szt.
—
39
N043046
Zapadka
16,00 zł
1 szt.
—
40
N536137
Śruba
12,00 zł
1 szt.
—
41
N600034
Śruba
8,00 zł
1 szt.
—
42
N747695
Stół Obrotowy
685,00 zł
1 szt.
—
43
N540749
Prowadnica
149,00 zł
1 szt.
—
44
N540748
Prowadnica
235,00 zł
1 szt.
—
45
N540750
Prowadnica
149,00 zł
1 szt.
—
46
613270-00
Podkładka
7,00 zł
1 szt.
—
47
N638426
Ogranicznik
15,00 zł
1 szt.
—
48
N056883
Ochwyt Blokady
38,00 zł
1 szt.
—
49
N463949
Łożysko Oporowe
14,00 zł
1 szt.
—
50
612008-00
Śruba
9,00 zł
1 szt.
—
51
612008-00
Śruba
9,00 zł
1 szt.
—
52
N769115
Śruba Plastikowa
7,00 zł
1 szt.
—
53
N583687
Ustalacz
7,00 zł
1 szt.
—
54
098105-03
Śruba
18,00 zł
1 szt.
—
55
147107-07
Gałka Dolna
10,00 zł
1 szt.
—
56
153639-00
Śruba
7,00 zł
1 szt.
—
57
N587154
Przewód Zasilający
7,00 zł
1 szt.
—
58
153792-00
Podkładka
7,00 zł
1 szt.
—
59
330016-04
Podkładka
7,00 zł
1 szt.
—
60
N747696
Czop Zawieszenia Obrotowego
1876,00 zł
1 szt.
—
61
153576-04
Śruba
15,00 zł
1 szt.
—
62
N080677
Gałka
16,00 zł
1 szt.
—
63
659919-00
Sprężyna
8,00 zł
1 szt.
—
64
N083191
Panew
7,00 zł
1 szt.
—
65
153639-00
Śruba
7,00 zł
1 szt.
—
66
153655-00
Podkładka
7,00 zł
1 szt.
—
67
153603-01
Zapadka
9,00 zł
1 szt.
—
68
153666-00
Śruba
7,00 zł
1 szt.
—
70
387130-00
Kołek Blokujący
18,00 zł
1 szt.
—
71
N654500
Gałka
7,00 zł
1 szt.
—
73
N058308
Wskaźnik
8,00 zł
1 szt.
—
74
N058314
Śruba
8,00 zł
1 szt.
—
75
N058312
Śruba
7,00 zł
1 szt.
—
76
N058309
Wskaźnik
8,00 zł
1 szt.
—
78
167785-00
Sprężyna
7,00 zł
1 szt.
—
79
N049689
Ogranicznik Prawy
7,00 zł
1 szt.
—
81
N051519
Ogranicznik Lewy
9,00 zł
1 szt.
—
82
153655-00
Podkładka
7,00 zł
1 szt.
—
83
153639-00
Śruba
7,00 zł
1 szt.
—
86
N834068
Kołek
18,00 zł
1 szt.
—
87
N080199
Gałka
10,00 zł
1 szt.
—
88
60325-01
Pierścień
Zapytaj
1 szt.
—
91
N095579
Dźwignia - Podzespół
21,00 zł
1 szt.
—
92
N592588
Złącze Odprowadzenia Pyłu
57,00 zł
1 szt.
—
93
330019-05
Śruba
7,00 zł
1 szt.
—
95
N751540
Ślizg
32,00 zł
1 szt.
—
96
146751-00
Wał
18,00 zł
1 szt.
—
97
146732-00
Dystans
7,00 zł
1 szt.
—
98
N039404
Sprężyna
69,00 zł
1 szt.
—
99
150075-00
Śruba
7,00 zł
1 szt.
—
100
641436-00
Łącznik
21,00 zł
1 szt.
—
101
146740-00
Tuleja
7,00 zł
1 szt.
—
102
604770-00
Złączka
18,00 zł
1 szt.
—
103
N460123
Śruba
12,00 zł
1 szt.
—
104
N600011
Śruba Brzeszczotu
10,00 zł
1 szt.
—
105
N542995
Zacisk Zewnętrzny
42,00 zł
1 szt.
—
106
N913382
Podkładka Wewnętrzna Zaciskowa
18,00 zł
1 szt.
—
109
330019-76
Śruba
7,00 zł
1 szt.
—
110
N703990
Rękojeść
18,00 zł
1 szt.
—
111
N592587
Zacisk Przewodu
7,00 zł
1 szt.
—
112
N502785
Pół Uchwyt
34,00 zł
1 szt.
—
113
N502786
Pół Uchwyt
34,00 zł
1 szt.
—
114
N655904
Osłona Paska
57,00 zł
1 szt.
—
116
330045-18
Śruba
7,00 zł
1 szt.
—
117
330019-32
Śruba
7,00 zł
1 szt.
—
118
330045-49
Śruba
7,00 zł
1 szt.
—
119
330045-45
Śruba
7,00 zł
1 szt.
—
120
N589571
Pokrywa
7,00 zł
1 szt.
—
125
N515802
Zestaw Led I Zasilania
295,00 zł
1 szt.
—
126
34158-00
Uszczelniacz
7,00 zł
1 szt.
—
127
330019-12
Śruba
7,00 zł
1 szt.
—
129
384127-01
Śruba
7,00 zł
1 szt.
—
130
641495-00
Pokrywa Skrzynki Przekładni - Podzespół
359,00 zł
1 szt.
—
131
391616-00
Łożysko Igiełkowe
16,00 zł
1 szt.
—
132
641459-00
Uszczelnienie
16,00 zł
1 szt.
—
133
330003-66
Bearing,Ball
42,00 zł
1 szt.
—
134
385915-04
Śruba
7,00 zł
1 szt.
—
135
641465-00
Przekładnia I Wrzeciono - Podzespół
224,00 zł
1 szt.
—
137
330045-14
Śruba
7,00 zł
1 szt.
—
138
605040-69
Łożysko
27,00 zł
1 szt.
—
139
153752-00
Ustalacz
7,00 zł
1 szt.
—
140
330019-05
Śruba
7,00 zł
1 szt.
—
141
N185664
Śruba
16,00 zł
1 szt.
—
142
150718-00
Nakrętka Wing
7,00 zł
1 szt.
—
143
N066269
Wał - Podzespół
149,00 zł
1 szt.
—
145
N571290
Ramię
354,00 zł
1 szt.
—
146
386780-00
Łożysko
15,00 zł
1 szt.
—
147
153559-00
Podkładka
7,00 zł
1 szt.
—
148
448176-00
Sprężyna
7,00 zł
1 szt.
—
149
153561-00
Kołek Blokujący
9,00 zł
1 szt.
—
150
393071-00
Płyta
7,00 zł
1 szt.
—
151
330045-45
Śruba
7,00 zł
1 szt.
—
152
330045-15
Śruba
7,00 zł
1 szt.
—
153
N767583
Pasek
78,00 zł
1 szt.
—
154
N779654
Uchwyt Kit
188,00 zł
1 szt.
—
155
330045-23
Śruba
7,00 zł
1 szt.
—
156
N611941
Podkładka
7,00 zł
1 szt.
—
157
330045-23
Śruba
7,00 zł
1 szt.
—
158
N041974
Płyta
24,00 zł
1 szt.
—
159
146768-00
Odbój
7,00 zł
1 szt.
—
160
661454-00
Sprężyna
10,00 zł
1 szt.
—
161
148295-00
Tuleja
9,00 zł
1 szt.
—
162
N540770
Osłona Dolna
93,00 zł
1 szt.
—
163
N592582
Płyta
51,00 zł
1 szt.
—
165
146750-03
Płytka Ustalająca
15,00 zł
1 szt.
—
166
142273-00
Pierścień
7,00 zł
1 szt.
—
167
625825-00
Wałek
7,00 zł
1 szt.
—
168
330045-55
Śruba
7,00 zł
1 szt.
—
200
N753539
Zacisk - Podzespół
93,00 zł
1 szt.
—
202
N627027
Etykieta Towarowa
14,00 zł
1 szt.
—
210
N655905
Zakończenie - Podzespół
15,00 zł
1 szt.
—
211
N625165
Etykieta Towarowa
7,00 zł
1 szt.
—
212
330019-13
Śruba
7,00 zł
1 szt.
—
213
N620527
Tabliczka Znamionowa
27,00 zł
1 szt.
—
214
330120-23
Przewód Zasilający
137,00 zł
1 szt.
—
215
N458818
Przewód Silnika
51,00 zł
1 szt.
—
216
98094-55
Śruba
7,00 zł
1 szt.
—
217
145312-00
Wtyczka
7,00 zł
1 szt.
—
218
682149-00
Panew
15,00 zł
1 szt.
—
219
391317-00
Skrzynka Pola
57,00 zł
1 szt.
—
220
381028-08
Szczotka I Prowadnica
57,00 zł
1 szt.
—
221
N458123
Płya Szczotek
85,00 zł
1 szt.
—
222
N503672
Stojan 230V
199,00 zł
1 szt.
—
223
330019-19
Śruba
7,00 zł
1 szt.
—
224
394034-00
Śruba
8,00 zł
1 szt.
—
225
N284339
Twornik - Podzespół
560,00 zł
1 szt.
—
226
930098-00
Ustalacz
7,00 zł
1 szt.
—
227
605040-32
Łożysko
27,00 zł
1 szt.
—
228
391375-00
Przegroda
14,00 zł
1 szt.
—
229
394036-00
Płyta
69,00 zł
1 szt.
—
230
N004510
Napęd Koła Pasowego
42,00 zł
1 szt.
—
231
450212-00
Zacisk
9,00 zł
1 szt.
—
232
145332-00
Zacisk
7,00 zł
1 szt.
—
233
395716-00
Zacisk
7,00 zł
1 szt.
—
234
394034-00
Śruba
8,00 zł
1 szt.
—
235
153783-00
Pierścień
7,00 zł
1 szt.
—
236
618159-01
Przewód - Podzespół
57,00 zł
1 szt.
—
237
N482050
Przewód - Podzespół
51,00 zł
1 szt.
—
238
N548978V
Wyłącznik
78,00 zł
1 szt.
—
239
656549-00
Blok Zacisku
10,00 zł
1 szt.
—