Części
Maszyny
Kontakt
Home
Maszyny
Ukośnice
DeWalt
Ukośnica
DW744XP-Type-1 -
Ukośnica DeWalt
100%
Poz:
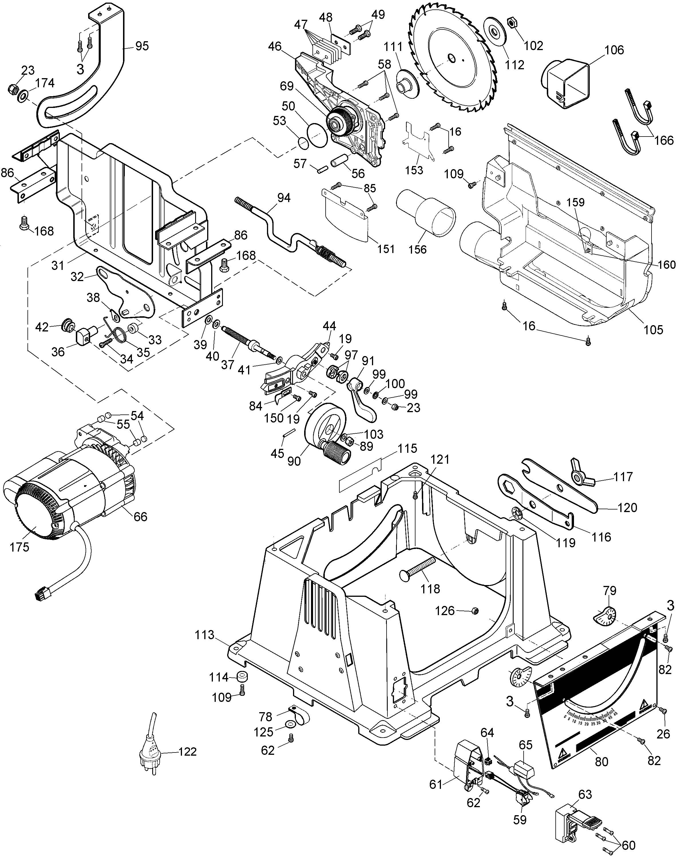
1
3
4
5
6
7
8
9
10
11
12
13
14
15
16
17
18
19
20
21
22
23
24
25
26
27
28
29
30
31
32
33
34
35
36
37
38
39
40
41
42
44
45
46
47
48
49
50
53
54
55
56
57
58
59
60
61
62
63
64
65
66
69
78
79
80
82
84
85
86
87
88
89
90
91
92
94
95
97
99
100
102
103
105
106
109
111
112
113
114
115
116
117
118
119
120
121
122
125
126
132
133
134
135
138
144
145
146
149
150
151
153
156
157
159
160
161
162
163
164
166
167
168
170
171
173
174
175
200
201
800
800
132 części
Sortuj
Poz.
Nr kat.
Nazwa
Cena brutto
Ilość
Zamów
1
153524-08
Stół - Podzespół
Zapytaj
1 szt.
—
3
330045-13
Śruba
7,00 zł
1 szt.
—
4
387689-00
Szyna
Zapytaj
1 szt.
—
5
387689-00
Szyna
Zapytaj
1 szt.
—
6
153453-00
Łożysko - Podzespół
Zapytaj
1 szt.
—
7
153472-00
Wał
Zapytaj
1 szt.
—
8
153434-00
Wałek Zębaty
Zapytaj
1 szt.
—
9
153433-01
Gałka
Zapytaj
1 szt.
—
10
398601-01
Indicator Scale
Zapytaj
1 szt.
—
11
153381-01
Ramię
Zapytaj
1 szt.
—
12
153384-00
Łącznik
Zapytaj
1 szt.
—
13
153385-00
Kołek Blokujący
Zapytaj
1 szt.
—
14
604177-00
Kołek Blokujący
Zapytaj
1 szt.
—
15
153406-00
Płyta
Zapytaj
1 szt.
—
16
153460-00
Śruba
7,00 zł
1 szt.
—
17
153537-00
Podkładka
Zapytaj
1 szt.
—
18
330045-12
Śruba
Zapytaj
1 szt.
—
19
330045-24
Śruba
7,00 zł
1 szt.
—
20
153459-01
Śruba
Zapytaj
1 szt.
—
21
385137-00
Nakrętka
Zapytaj
1 szt.
—
22
330016-04
Podkładka
7,00 zł
1 szt.
—
23
330021-03
Nakrętka
Zapytaj
1 szt.
—
24
098162-18
Kołek Sprężysty
Zapytaj
1 szt.
—
25
330022-02
Śruba
Zapytaj
1 szt.
—
26
330045-14
Śruba
7,00 zł
1 szt.
—
27
386420-01
Wałek Zębaty
Zapytaj
1 szt.
—
28
153541-00
Wspornik
Zapytaj
1 szt.
—
29
330045-15
Śruba
7,00 zł
1 szt.
—
30
153543-00
Etykieta
Zapytaj
1 szt.
—
31
153547-01
Płyta Podporowa
Zapytaj
1 szt.
—
32
153419-00
Łącznik
Zapytaj
1 szt.
—
33
153449-00
Dystans
Zapytaj
1 szt.
—
34
330045-32
Śruba
7,00 zł
1 szt.
—
35
153447-00
Sprężyna
Zapytaj
1 szt.
—
36
386158-00
Palec Prowadzący
Zapytaj
1 szt.
—
37
153473-00
Screw.Special
Zapytaj
1 szt.
—
38
153446-00
Ustalacz
Zapytaj
1 szt.
—
39
153441-00
Podkładka
Zapytaj
1 szt.
—
40
380061-00
Podkładka
Zapytaj
1 szt.
—
41
153442-00
Podkładka
Zapytaj
1 szt.
—
42
153443-00
Panew
Zapytaj
1 szt.
—
44
153424-01
Blok Łożyska
Zapytaj
1 szt.
—
45
330036-08
Kołek
7,00 zł
1 szt.
—
46
153476-08SV
Obudowa Przekładni Cover Assy
Zapytaj
1 szt.
—
47
153403-01
Podkładka Regulacyjna
7,00 zł
1 szt.
—
48
153404-01
Płyta
Zapytaj
1 szt.
—
49
397423-00
Śruba
Zapytaj
1 szt.
—
50
153389-00
O-Ring
Zapytaj
1 szt.
—
53
99180-24
Uszczelniacz
Zapytaj
1 szt.
—
54
153431-00
Podkładka
9,00 zł
1 szt.
—
55
153432-00
Dystans
7,00 zł
1 szt.
—
56
085931-00
Łożysko
Zapytaj
1 szt.
—
57
153402-00
Kołek
Zapytaj
1 szt.
—
58
330045-16
Śruba
7,00 zł
1 szt.
—
59
609915-00
Wyłącznik
Zapytaj
1 szt.
—
60
330019-05
Śruba
7,00 zł
1 szt.
—
61
605493-00
Osłona Wyłącznika
Zapytaj
1 szt.
—
62
330019-03
Śruba
7,00 zł
1 szt.
—
63
614495-00
Wyłącznik - Podzespół
Zapytaj
1 szt.
—
64
320078-00
Blok Zacisku
7,00 zł
1 szt.
—
65
610822-00
Moduł
Zapytaj
1 szt.
—
66
869208-00
Silnik - Podzespół
Zapytaj
1 szt.
—
69
605040-20
Łożysko
18,00 zł
1 szt.
—
78
153511-00
Zacisk Przewodu
Zapytaj
1 szt.
—
79
618084-00
Ogranicznik
Zapytaj
1 szt.
—
80
153427-09
Panel.Przedni
Zapytaj
1 szt.
—
82
153637-01
Śruba
Zapytaj
1 szt.
—
84
153401-02
Wskaźnik
Zapytaj
1 szt.
—
85
330045-44
Śruba
7,00 zł
1 szt.
—
86
153518-00
Wspornik
Zapytaj
1 szt.
—
87
153417-01
Gałka
Zapytaj
1 szt.
—
88
391821-00
Dźwignia
Zapytaj
1 szt.
—
89
330015-03
Nakrętka
7,00 zł
1 szt.
—
90
153412-00
Zestaw Korb
Zapytaj
1 szt.
—
91
153420-01
Rękojeść
Zapytaj
1 szt.
—
92
153379-00
Blok Łożyska
7,00 zł
1 szt.
—
94
153423-00
Pręt
Zapytaj
1 szt.
—
95
153405-00
Wspornik
Zapytaj
1 szt.
—
97
153421-00
Krzywka
Zapytaj
1 szt.
—
99
153450-00
Podkładka Oporowa
Zapytaj
1 szt.
—
100
153451-00
Łożysko Oporowe
7,00 zł
1 szt.
—
102
153439-00
Nakrętka
Zapytaj
1 szt.
—
103
330016-03
Podkładka
7,00 zł
1 szt.
—
105
648899-00SV
Tarcza Wzmacniająca
Zapytaj
1 szt.
—
106
153528-00
Złączka
Zapytaj
1 szt.
—
109
330019-13
Śruba
7,00 zł
1 szt.
—
111
153478-01
Podkładka Wewnętrzna Zaciskowa
Zapytaj
1 szt.
—
112
386764-02
Nakrętka Zewnętrzna
Zapytaj
1 szt.
—
113
153351-04
Podstawa
Zapytaj
1 szt.
—
114
153496-00
Stopa
Zapytaj
1 szt.
—
115
386588-00
Etykieta
Zapytaj
1 szt.
—
116
153430-00
Klucz
Zapytaj
1 szt.
—
117
392666-00
Nakrętka Wing
Zapytaj
1 szt.
—
118
153502-00
Śruba
Zapytaj
1 szt.
—
119
153503-00
Nakrętka
Zapytaj
1 szt.
—
120
153512-00
Klucz
Zapytaj
1 szt.
—
121
153460-01
Śruba
Zapytaj
1 szt.
—
122
330048-72
Przewód Zasilający
Zapytaj
1 szt.
—
125
330016-07
Podkładka
7,00 zł
1 szt.
—
126
148641-00
Nakrętka Blokady
7,00 zł
1 szt.
—
132
386606-02
Osłona - Podzespół
Zapytaj
1 szt.
—
133
429801-00
Skośne Prowadnice
Zapytaj
1 szt.
—
134
388292-01SV
Płyty - Podzespół
Zapytaj
1 szt.
—
135
390858-00
Krzywka
15,00 zł
1 szt.
—
138
386743-01
Prowadnica - Podzespół
Zapytaj
1 szt.
—
144
330045-08
Śruba
7,00 zł
1 szt.
—
145
330015-01
Nakrętka
7,00 zł
1 szt.
—
146
99361-14
Podkładka
Zapytaj
1 szt.
—
149
386617-00
Podziałka
Zapytaj
1 szt.
—
150
330045-05
Śruba
7,00 zł
1 szt.
—
151
385969-00
Osłona Dolna
Zapytaj
1 szt.
—
153
387435-00
Osłona Górna
Zapytaj
1 szt.
—
156
386756-00
Złączka
Zapytaj
1 szt.
—
157
147107-00
Gałka
9,00 zł
1 szt.
—
159
388062-00
Śruba
Zapytaj
1 szt.
—
160
386823-00
Nakrętka
Zapytaj
1 szt.
—
161
386615-00
Płyta
Zapytaj
1 szt.
—
162
147107-04
Gałka
Zapytaj
1 szt.
—
163
386616-00
Prowadnica
123,00 zł
1 szt.
—
164
330019-12
Śruba
7,00 zł
1 szt.
—
166
690673
Cięgno
7,00 zł
1 szt.
—
167
386604-00
Klin Rozszczepiający
93,00 zł
1 szt.
—
168
389198-00
Śruba
Zapytaj
1 szt.
—
170
389118-00
Nakrętka
Zapytaj
1 szt.
—
171
429915-00
Płyty - Zestaw
Zapytaj
1 szt.
—
173
429966-00
Gałka
Zapytaj
1 szt.
—
174
153781-00
Podkładka
8,00 zł
1 szt.
—
175
399125-01
Pokrywa
Zapytaj
1 szt.
—
200
385369-00
Podkładka Regulacyjna
Zapytaj
1 szt.
—
201
389276-00SV
PUSHSTICK&CHAIN
Zapytaj
1 szt.
—
800
583534-00
Smar
992,00 zł
1 szt.
—
800
429954-00
Smar
Zapytaj
1 szt.
—