Części
Maszyny
Kontakt
Home
Maszyny
Ukośnice
DeWalt
Ukośnica
DWS771-Type-2 -
Ukośnica DeWalt
100%
Poz:
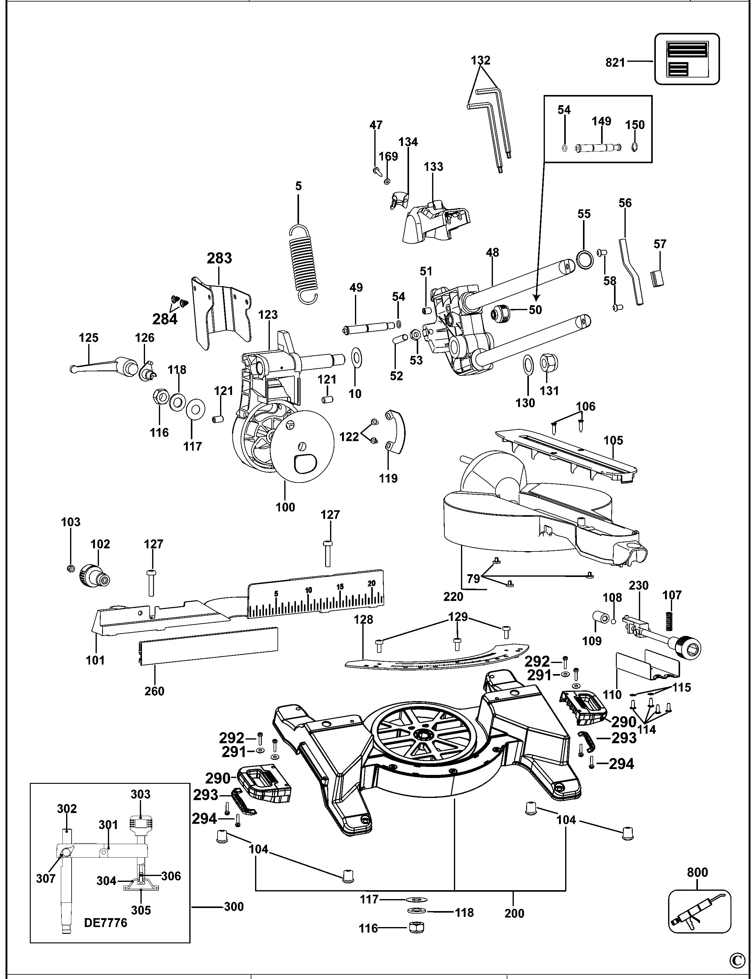
1
2
3
4
5
6
7
8
9
10
11
12
13
20
22
24
25
26
27
28
29
30
31
32
33
34
35
36
37
38
39
40
41
42
43
44
46
47
48
49
50
51
52
53
54
55
56
57
58
59
60
61
62
63
64
65
66
67
68
69
70
71
72
73
75
76
77
78
79
80
81
82
83
84
87
88
89
90
91
92
93
94
96
97
98
99
100
101
102
103
104
105
106
107
108
109
110
114
115
116
117
118
119
121
122
123
125
126
127
128
129
130
131
132
133
134
149
150
154
157
158
159
160
161
166
169
200
220
230
240
250
260
270
280
281
282
283
284
290
291
292
293
294
300
301
302
303
304
305
306
307
800
821
153 części
Sortuj
Poz.
Nr kat.
Nazwa
Cena brutto
Ilość
Zamów
1
330065-06
Śruba
7,00 zł
1 szt.
—
2
947018-00
Wkładka
10,00 zł
1 szt.
—
3
947638-00
Uszczelniacz
7,00 zł
1 szt.
—
4
946874-00
Regulator
7,00 zł
1 szt.
—
5
869142-00
Sprężyna
32,00 zł
1 szt.
—
6
940441-00
Klucz
7,00 zł
1 szt.
—
7
949886-26
Śruba
7,00 zł
1 szt.
—
8
869275-01
Ogranicznik Gumowy
7,00 zł
1 szt.
—
9
947067-00
Wtyczka
8,00 zł
1 szt.
—
10
869163-01
Podkładka
7,00 zł
1 szt.
—
11
N448900
Skrzynka Pola
159,00 zł
1 szt.
—
12
145312-00
Wtyczka
7,00 zł
1 szt.
—
13
330019-19
Śruba
7,00 zł
1 szt.
—
20
659512-00
Para Szczotek
57,00 zł
1 szt.
—
22
N460310
Zestaw Ze Szczotkami - Podzespół
123,00 zł
1 szt.
—
24
330019-13
Śruba
7,00 zł
1 szt.
—
25
391933-00
Zakończenie
16,00 zł
1 szt.
—
26
N625165
Etykieta Towarowa
7,00 zł
1 szt.
—
27
869138-01
Baffle Fan
15,00 zł
1 szt.
—
28
869246-00
Sprężyna
7,00 zł
1 szt.
—
29
949729-02
Pierścień Sprężynujący
7,00 zł
1 szt.
—
30
949729-03
Pierścień Sprężynujący
7,00 zł
1 szt.
—
31
869312-02
Wspornik - Podzespół
235,00 zł
1 szt.
—
32
869302-00
Twornik 230V
306,00 zł
1 szt.
—
33
N110359
Łożysko
10,00 zł
1 szt.
—
34
861721-13
Łożysko
24,00 zł
1 szt.
—
35
869139-00
Wentylator
9,00 zł
1 szt.
—
36
860094-02
Śruba
7,00 zł
1 szt.
—
37
605040-59
Łożysko
16,00 zł
1 szt.
—
38
861721-10
Łożysko
16,00 zł
1 szt.
—
39
869316-00
Wrzeciono
93,00 zł
1 szt.
—
40
N314939
Przewód Zasilający
Zapytaj
1 szt.
—
41
860468-00
Złącze
10,00 zł
1 szt.
—
42
394375-02P
Wyłącznik
57,00 zł
1 szt.
—
43
384127-01
Śruba
7,00 zł
1 szt.
—
44
N460314
Kondensator - Podzespół
115,00 zł
1 szt.
—
46
330045-10
Śruba
7,00 zł
1 szt.
—
47
949896-12
Śruba
7,00 zł
1 szt.
—
48
869318-00
Szyna - Podzespół
346,00 zł
1 szt.
—
49
869144-00
Kołek
42,00 zł
1 szt.
—
50
869203-00
Gałka
10,00 zł
1 szt.
—
51
330022-17
Wkręt Dociskowy
7,00 zł
1 szt.
—
52
760242-00
Śruba
7,00 zł
1 szt.
—
53
860083-14
Nakrętka
7,00 zł
1 szt.
—
54
943030-00
O-Ring
7,00 zł
1 szt.
—
55
869141-00
O-Ring
7,00 zł
1 szt.
—
56
947613-00
Wspornik
14,00 zł
1 szt.
—
57
869275-00
Odbój
7,00 zł
1 szt.
—
58
949609-03
Śruba
7,00 zł
1 szt.
—
59
869147-00
Napęd Koła Pasowego
21,00 zł
1 szt.
—
60
869150-00
Pasek Żłobiony
51,00 zł
1 szt.
—
61
869149-00
Koło Pasowe
38,00 zł
1 szt.
—
62
869140-00
Gałka Blokująca
9,00 zł
1 szt.
—
63
860083-12
Nakrętka
7,00 zł
1 szt.
—
64
868082-00
Sprężyna
7,00 zł
1 szt.
—
65
761306-00
Odbój
7,00 zł
1 szt.
—
66
949896-13
Śruba
7,00 zł
1 szt.
—
67
760296-01
Oś Przegubu
7,00 zł
1 szt.
—
68
869161-00
Drążek Skrętny
7,00 zł
1 szt.
—
69
869192-00
Panew
7,00 zł
1 szt.
—
70
760270-01
Podkładka
7,00 zł
1 szt.
—
71
949727-04
Pierścień Sprężynujący
7,00 zł
1 szt.
—
72
869166-00
Urządzenie Blokujące
7,00 zł
1 szt.
—
73
N448902
Uchwyt Pokrywy
115,00 zł
1 szt.
—
75
869154-00
Osłona Dolna
78,00 zł
1 szt.
—
76
861367-02
Wałek
7,00 zł
1 szt.
—
77
760295-01
Sprężyna
8,00 zł
1 szt.
—
78
860077-01
Podkładka
7,00 zł
1 szt.
—
79
760298-01
Wkładka
7,00 zł
1 szt.
—
80
860074-01
Podkładka
7,00 zł
1 szt.
—
81
943022-01
Śruba
7,00 zł
1 szt.
—
82
N445206
Dźwignia
32,00 zł
1 szt.
—
83
869156-00
Kołek
8,00 zł
1 szt.
—
84
869295-00
Panew
7,00 zł
1 szt.
—
87
939625-00
Podkładka
7,00 zł
1 szt.
—
88
930076-01
Śruba
7,00 zł
1 szt.
—
89
860073-00
Podkładka
7,00 zł
1 szt.
—
90
860084-20
Śruba
7,00 zł
1 szt.
—
91
949896-10
Śruba
7,00 zł
1 szt.
—
92
949894-04
Śruba
7,00 zł
1 szt.
—
93
330045-05
Śruba
7,00 zł
1 szt.
—
94
N292720
Pierścień Wewnętrzny
21,00 zł
1 szt.
—
96
869292-00
Nakrętka Zewnętrzna
34,00 zł
1 szt.
—
97
869245-00
Śruba
7,00 zł
1 szt.
—
98
N460315
Osłona Górna
85,00 zł
1 szt.
—
99
N456928
Śruba
12,00 zł
1 szt.
—
100
947614-00
Płyta
14,00 zł
1 szt.
—
101
N783370
Prowadnica
182,00 zł
1 szt.
—
102
869195-00
Gałka
12,00 zł
1 szt.
—
103
860092-03
Nakrętka
7,00 zł
1 szt.
—
104
868777-00
Stopa
7,00 zł
1 szt.
—
105
N448898
Wkładka
24,00 zł
1 szt.
—
106
860205-08
Śruba
7,00 zł
1 szt.
—
107
868778-00
Sprężyna
7,00 zł
1 szt.
—
108
868708-00
Kulka
7,00 zł
1 szt.
—
109
868707-01
Panew
7,00 zł
1 szt.
—
110
868737-00
Płyta
Zapytaj
1 szt.
—
114
868966-02
Śruba
Zapytaj
1 szt.
—
115
860074-01
Podkładka
7,00 zł
1 szt.
—
116
860092-07
Nakrętka
7,00 zł
1 szt.
—
117
949705-01
Podkładka
7,00 zł
1 szt.
—
118
860073-05
Podkładka
7,00 zł
1 szt.
—
119
869091-00
Podziałka
15,00 zł
1 szt.
—
121
949743-02
Śruba
7,00 zł
1 szt.
—
122
949894-12
Śruba
7,00 zł
1 szt.
—
123
869319-00
Segment - Podzespół
235,00 zł
1 szt.
—
125
861840-03
Dźwignia
21,00 zł
1 szt.
—
126
868680-00
Wkładka
15,00 zł
1 szt.
—
127
330045-26
Śruba
8,00 zł
1 szt.
—
128
N720979
Podziałka
34,00 zł
1 szt.
—
129
330045-49
Śruba
7,00 zł
1 szt.
—
130
869163-00
Podkładka
7,00 zł
1 szt.
—
131
860092-09
Nakrętka
7,00 zł
1 szt.
—
132
868682-00
Klucz Sześciokątny
8,00 zł
1 szt.
—
133
N295979
Osłona Dolna
14,00 zł
1 szt.
—
134
869310-00
Wlot
7,00 zł
1 szt.
—
149
N325259
Kołek
42,00 zł
1 szt.
—
150
860079-02
Pierścień Sprężynujący
7,00 zł
1 szt.
—
154
392131-00
Gałka
9,00 zł
1 szt.
—
157
869296-00
Pokrywa
7,00 zł
1 szt.
—
158
860093-19
Śruba
7,00 zł
1 szt.
—
159
861340-00
Nakrętka
7,00 zł
1 szt.
—
160
659514-00
Pcb
38,00 zł
1 szt.
—
161
659515-00
Przewód
69,00 zł
1 szt.
—
166
860084-12
Śruba
7,00 zł
1 szt.
—
169
249233-00
Podkładka
7,00 zł
1 szt.
—
200
N717629
Stół - Podzespół
610,00 zł
1 szt.
—
220
N717627
Stół Obrotowy
346,00 zł
1 szt.
—
230
868943-02
Urządzenie Blokujące
38,00 zł
1 szt.
—
240
N034006
Gacc Module 230V
279,00 zł
1 szt.
—
250
N467382
Dźwignia - Podzespół
38,00 zł
1 szt.
—
260
868743-02
Prowadnica
51,00 zł
1 szt.
—
270
N460321
Stojan 230V
235,00 zł
1 szt.
—
280
N459407
Etykieta
14,00 zł
1 szt.
—
281
N098063
Soczewka
7,00 zł
1 szt.
—
282
N467015
Żarówka
224,00 zł
1 szt.
—
283
N446603
Deflektor Pyłu
16,00 zł
1 szt.
—
284
607491-00
Nit
7,00 zł
1 szt.
—
290
N703083
Przedłużenie
32,00 zł
1 szt.
—
291
860083-02
Nakrętka
7,00 zł
1 szt.
—
292
860093-08
Śruba
7,00 zł
1 szt.
—
293
N725895
Pokrywa
10,00 zł
1 szt.
—
294
949896-12
Śruba
7,00 zł
1 szt.
—
300
869311-00
Zacisk - Podzespół
69,00 zł
1 szt.
—
301
869306-00
Ramię
32,00 zł
1 szt.
—
302
869307-00
Wał
27,00 zł
1 szt.
—
303
869308-00
Gałka
14,00 zł
1 szt.
—
304
630068-00
Podpora
16,00 zł
1 szt.
—
305
630085-00
Uchwyt
8,00 zł
1 szt.
—
306
330045-55
Śruba
7,00 zł
1 szt.
—
307
326573-01
Śruba Wing
7,00 zł
1 szt.
—
800
93488-00
Smar
93,00 zł
1 szt.
—
821
N680072
Tabliczka Znamionowa
12,00 zł
1 szt.
—