Części
Maszyny
Kontakt
Home
Maszyny
Ukośnica
Bosch
UKOŚNICA GCM 18V-07S
3601M46010 -
UKOŚNICA Bosch GCM 18V-07S
100%
Poz:
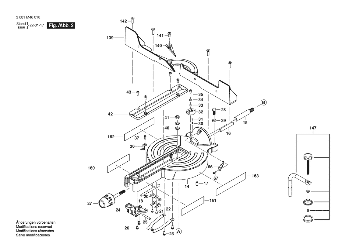
1
2
3
4
5
6
7
8
9
10
11
12
13
14
15
16
17
18
19
20
21
22
23
24
25
26
27
28
29
30
31
32
33
34
35
36
37
38
39
40
41
42
43
44
45
46
47
48
49
50
51
52
53
54
55
56
57
58
59
60
61
62
63
64
65
66
67
68
69
70
71
72
73
74
75
76
77
78
79
80
81
82
83
84
85
86
87
88
89
90
91
92
94
95
96
97
98
99
100
101
102
103
104
105
106
107
109
111
112
113
114
115
116
117
118
119
120
122
123
125
126
133
134
135
136
137
138
139
140
141
142
143
147
154
155
156
157
158
159
160
161
162
163
164
829
887
146 części
Sortuj
Poz.
Nr kat.
Nazwa
Cena brutto
Ilość
Zamów
1
1600A023K3
Wirnik
145,39 zł
1 szt.
2
1600A026W6
Stojan
189,30 zł
1 szt.
3
1609B07428
Kadłub Silnika
16,85 zł
1 szt.
4
16072335NG
Moduł Elektroniczny
528,90 zł
1 szt.
5
2607202554
Wyłącznik
53,26 zł
1 szt.
6
1600A026SD
Wspornik Akumulatora
59,53 zł
1 szt.
7
1609B07459
Tabliczka Znamionowa
8,36 zł
1 szt.
8
1609B07383
Cokół
398,52 zł
1 szt.
9
1609B07384
Skala
48,83 zł
1 szt.
10
1609B07385
Śruba
4,06 zł
3 szt.
11
1609B07145
Końcówka
4,06 zł
1 szt.
12
1609B07146
Wkładka Do Klucza Nasad.
11,07 zł
1 szt.
13
2610358846
Tuleja Gumowa
5,29 zł
4 szt.
14
1609B07387
STÓŁ PILARSKI
349,69 zł
1 szt.
15
1609B07388
Wał Palcowy
13,65 zł
1 szt.
16
1609B07337
Drążek Gwintowany
7,13 zł
1 szt.
17
1609B07389
Wkręt Bez Łba
4,06 zł
1 szt.
18
1609B07390
DRĄŻEK
5,29 zł
1 szt.
19
1609B07391
Sprężyna Płytkowa
4,06 zł
1 szt.
20
1609B07157
Jarzmo Prowadzące
4,06 zł
1 szt.
21
1609B07392
Śruba
4,06 zł
2 szt.
22
1609B07393
Sprężyna Dociskowa
11,07 zł
1 szt.
23
1609B07166
Śruba
4,06 zł
2 szt.
24
1609B07394
Dźwignia Blokująca
7,13 zł
1 szt.
25
1609B07395
Kołek Wtykowy
4,06 zł
1 szt.
26
1609B07155
Śruba
4,06 zł
2 szt.
27
1609B07396
null
13,65 zł
1 szt.
28
1609B07185
Wkręt Szyjkowy
4,06 zł
2 szt.
29
1609B07186
Nakrętka
4,06 zł
2 szt.
30
1609B07281
Sprężyna Obejmująca
4,06 zł
1 szt.
31
1609B07282
Kula
4,06 zł
1 szt.
32
1609B07398
Głowica rewolwerowa
16,85 zł
1 szt.
33
1609B07284
Podkładka
4,06 zł
1 szt.
34
1609B07285
Sprężyna falista
4,06 zł
1 szt.
35
1609B07286
Wkręt Do Blach
5,29 zł
1 szt.
36
1609B07399
Wskazówka
5,29 zł
1 szt.
37
1609B07197
Śruba
4,06 zł
1 szt.
38
1609B07400
PŁYTA
7,13 zł
1 szt.
39
1609B07171
Trzpień
4,06 zł
1 szt.
40
1609B07172
Podkładka
4,06 zł
2 szt.
41
1609B07173
Nakrętka
4,06 zł
1 szt.
42
1609B07401
Płyta Podporowa
8,36 zł
1 szt.
43
1609B07160
Śruba
4,06 zł
4 szt.
44
1609B07402
Jarzmo
119,06 zł
1 szt.
45
1609B07403
Szyna
67,65 zł
1 szt.
46
1609B07404
Szyna
67,65 zł
1 szt.
47
1609B07405
SŁUPEK
205,53 zł
1 szt.
48
1609B07406
Łożysko
33,83 zł
3 szt.
49
1609B07407
Skala
5,29 zł
1 szt.
50
1609B07408
Podkładka
4,06 zł
1 szt.
51
1609B07409
Filc
5,29 zł
1 szt.
52
1609B07410
Płyta Do Mocowania
5,29 zł
2 szt.
53
1609B07269
Śruba
4,06 zł
4 szt.
54
1609B07411
Wspornik
7,13 zł
1 szt.
55
1609B07412
Zawiasa
53,26 zł
1 szt.
56
2610950110
SZYNA KSZTAŁTOWA
Zapytaj
4 szt.
—
57
1609B07413
Wkręt Bez Łba
4,06 zł
2 szt.
58
1609B07202
Guzik
26,32 zł
1 szt.
59
2610911582
Sprężyna
4,06 zł
1 szt.
60
2610911584
Poduszka Gumowa
4,06 zł
2 szt.
61
1609B07415
Podkładka
4,06 zł
2 szt.
62
1609B07416
Podkładka
4,06 zł
1 szt.
63
2610911886
Nakrętka Zabezpieczająca
4,06 zł
1 szt.
64
2610912587
Podkładka
4,06 zł
1 szt.
65
1609B07289
Listwa Chwytowa
26,32 zł
1 szt.
66
1609B07418
Wskazówka
5,29 zł
1 szt.
67
1609B07419
Śruba
4,06 zł
1 szt.
68
1609B07208
Trzpień Ustalaj. Zatrzask
8,36 zł
1 szt.
69
1609B07209
Pierścień Samouszczeln.
4,06 zł
1 szt.
70
1609B07210
Pierścień Sprężysty
4,06 zł
1 szt.
71
1609B07211
PŁYTA
5,29 zł
2 szt.
72
1609B07420
CZĘŚĆ ZAMIENNA
307,13 zł
1 szt.
73
1609B07233
Tuleja Igłowa
Zapytaj
1 szt.
—
74
1609B07421
ZĘBNIK
31,37 zł
1 szt.
75
1609B07422
Łożysko Kulkowe
16,85 zł
1 szt.
76
1609B07353
Pierścień Sprężysty
4,06 zł
1 szt.
77
1609B07423
Przekładnia
53,26 zł
1 szt.
78
2610911923
Śruba
7,13 zł
1 szt.
79
1609B07425
Sprężyna Obejmująca
4,06 zł
1 szt.
80
1609B07426
Kołek Wtykowy
5,29 zł
1 szt.
81
1609B07241
Przycisk
4,06 zł
1 szt.
82
2610015031
Pierścień Zabezpieczajacy
4,06 zł
1 szt.
83
1609B07427
Łożysko Kulkowe
13,65 zł
1 szt.
84
1609B07195
Podkładka
Zapytaj
2 szt.
—
85
1609B07429
Śruba
4,06 zł
2 szt.
86
1609B07430
Ścianka Akustyczna
5,29 zł
1 szt.
87
1609B07263
Śruba
4,06 zł
6 szt.
88
1609B07444
Element Dystansowy
7,13 zł
1 szt.
89
1609B07445
Sprężyna Skrętowa
38,87 zł
1 szt.
90
1609B07446
Trzpień Przegubu
16,85 zł
1 szt.
91
1609B07447
Wkręt Bez Łba
4,06 zł
2 szt.
92
1609B07280
Śruba
5,29 zł
1 szt.
94
1609B07251
Przycisk
5,29 zł
1 szt.
95
1609B07252
Sprężyna Obejmująca
4,06 zł
1 szt.
96
1609B07253
Wspornik
5,29 zł
1 szt.
97
1609B07254
Śruba
4,06 zł
2 szt.
98
1609B07255
Wyzwalacz
Zapytaj
1 szt.
—
99
1609B07432
Wspornik Akumulatora
7,13 zł
1 szt.
100
1609B07248
Sprężyna Obejmująca
4,06 zł
1 szt.
101
1609B07358
null
33,83 zł
1 szt.
102
1609B07433
Obiektyw
5,29 zł
1 szt.
103
1609B07434
Pokrywa Obudowy
4,06 zł
1 szt.
104
1609B07435
Pokrywa Obudowy
16,85 zł
1 szt.
105
1609B07436
Wkręt Do Blach
4,06 zł
2 szt.
106
1609B07437
Wkręt Do Blach
4,06 zł
1 szt.
107
1609B07438
Wkręt Do Blach
5,29 zł
5 szt.
109
1609B07249
Śruba
4,06 zł
5 szt.
111
1609B07257
Wkręt Do Blach
Zapytaj
5 szt.
—
112
1609B07366
Śruba
4,06 zł
1 szt.
113
1609B07440
Wkręt Do Blach
4,06 zł
1 szt.
114
1609B07441
Uchwyt
28,78 zł
1 szt.
115
1609B07300
Śruba
4,06 zł
1 szt.
116
1609B07443
ODSYSANIE PYŁÓW
11,07 zł
1 szt.
117
1609B07503
Śruba
5,29 zł
4 szt.
118
1609B07267
ODSYSANIE PYŁÓW
5,29 zł
1 szt.
119
1609B07268
ODSYSANIE PYŁÓW
5,29 zł
1 szt.
120
1609B07270
Nit Ryglujący
4,06 zł
2 szt.
122
1609B07448
Kołnierz
16,85 zł
1 szt.
123
1609B07449
ŚRUBA ZACISKOWA
5,29 zł
1 szt.
125
2610915724
Rolka Jezdna
7,13 zł
1 szt.
126
1609B07316
Pierścień Sprężysty
4,06 zł
1 szt.
133
1609B07454
Śruba
4,06 zł
2 szt.
134
1609B07455
Zespół Dźwigni
11,07 zł
1 szt.
135
1609B07312
Tuleja Łożyskowa
Zapytaj
2 szt.
—
136
1609B07319
Sprężyna falista
4,06 zł
1 szt.
137
1609B07321
Śruba
4,06 zł
1 szt.
138
1609B07243
Śruba
4,06 zł
1 szt.
139
1609B07456
PRZYMIAR PROSTOKĄTNY
189,30 zł
1 szt.
140
1609B07505
Płyta
4,06 zł
1 szt.
141
1609B07141
Śruba
4,06 zł
1 szt.
142
1609B07457
Śruba
4,06 zł
4 szt.
143
1609B07323
WOREK NA PYŁ
38,87 zł
1 szt.
147
1609B07458
Obejma Zaciskowa
59,53 zł
1 szt.
154
1609B07325
Kartka Z Ostrzeżeniem
4,06 zł
2 szt.
155
1609B07476
Kartka Z Ostrzeżeniem
4,06 zł
1 szt.
156
1609B07477
Kartka Z Ostrzeżeniem
4,06 zł
1 szt.
157
1609B07516
Kartka Z Ostrzeżeniem
5,29 zł
1 szt.
158
1609B07484
Kartka Z Ostrzeżeniem
4,06 zł
1 szt.
159
1609B07517
Kartka Z Ostrzeżeniem
8,36 zł
1 szt.
160
1609B07518
Kartka Z Ostrzeżeniem
8,36 zł
1 szt.
161
1609B07519
Kartka Z Ostrzeżeniem
8,36 zł
1 szt.
162
1609B07522
Kartka Z Ostrzeżeniem
8,36 zł
1 szt.
163
1609B07523
Kartka Z Ostrzeżeniem
8,36 zł
1 szt.
164
1609B07488
Śruba
4,06 zł
1 szt.
829
1607000EG6
DOLNA CZĘŚĆ OSŁONY
59,53 zł
1 szt.
887
1607000EG9
Uchwyt Wyłącznika
59,53 zł
1 szt.