Części
Maszyny
Kontakt
Home
Maszyny
Ukośnica
Bosch
UKOŚNICA GCM 10 MX
3601M29020 -
UKOŚNICA Bosch GCM 10 MX
100%
Poz:
1
2
4
5
6
7
8
12
16
19
22
23
24
25
26
27
28
29
30
31
32
33
34
35
36
37
38
39
40
41
42
43
44
45
46
48
49
50
51
52
53
54
55
56
57
58
59
60
61
62
63
64
65
66
67
68
69
70
71
72
73
74
75
76
78
79
80
84
85
86
87
88
89
90
91
92
93
94
95
96
97
98
99
100
101
102
103
104
105
107
108
109
110
111
112
113
114
129
130
131
132
133
134
135
136
137
138
139
140
141
142
144
145
146
147
148
149
651
652
653
654
655
803
810
847
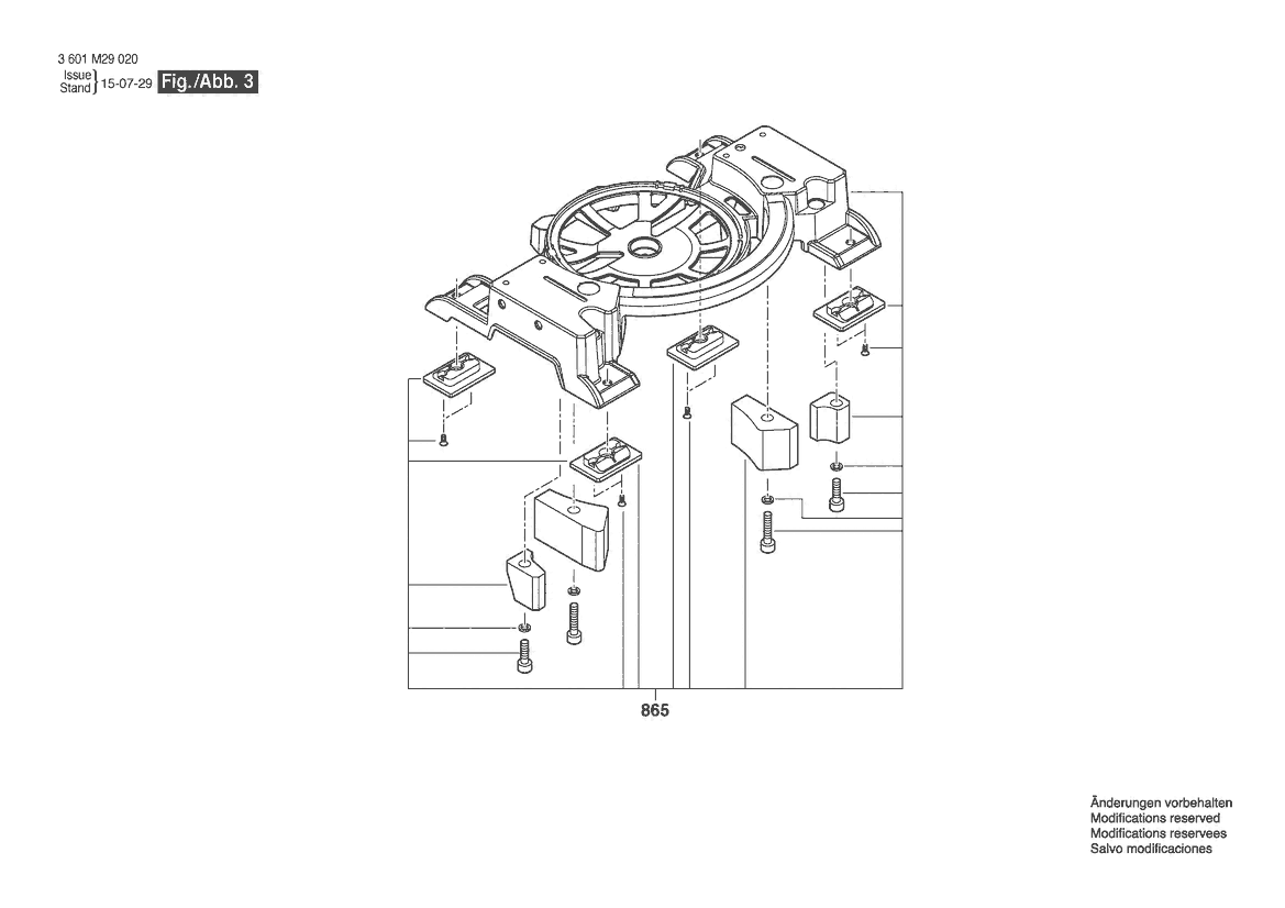
865
881
127 części
Sortuj
Poz.
Nr kat.
Nazwa
Cena brutto
Ilość
Zamów
1
1619PA7071
Kadłub Silnika
132,84 zł
1 szt.
2
1619PA6835
Stojan
271,95 zł
1 szt.
4
1619PA6703
Wyłącznik
43,91 zł
1 szt.
5
1619PA9471
Przewód Zasil. Sieciowy
43,91 zł
1 szt.
6
1619PA7081
Końcówka
5,29 zł
1 szt.
7
1609203J01
Zacisk Mocujący
4,06 zł
1 szt.
8
1619PA9473
Tabliczka Znamionowa
8,36 zł
1 szt.
12
1619PA7095
Kondensator Przeciwzakł.
7,13 zł
1 szt.
16
1619PA6920
Uchwyt Szczotek
20,66 zł
2 szt.
19
1619PA7002
Śruba Z Łbem Płaskim
11,07 zł
4 szt.
22
1619PA6924
PRZYMIAR PROSTOKĄTNY
53,26 zł
1 szt.
23
1619PA6925
PRZYMIAR PROSTOKĄTNY
119,06 zł
1 szt.
24
1619PA6926
Śruba Skrzydełkowa
4,06 zł
1 szt.
25
1619PA6927
Wkręt Bez Łba
4,06 zł
2 szt.
26
1619PA6928
Podkładka
4,06 zł
4 szt.
27
1619PA6929
Śr.Z Łb.Okr.O Gnieź.Sześ.
Zapytaj
4 szt.
—
28
1619PA6930
STÓŁ
377,24 zł
1 szt.
29
1619PA6931
Śruba Z Łbem Płaskim
4,06 zł
2 szt.
30
1619PA6932
Podkładka Sprężysta
4,06 zł
4 szt.
31
1619PA6933
Podkładka
5,29 zł
6 szt.
32
1619PA6934
Pokrywa
4,06 zł
1 szt.
33
1619PA6935
UCHWYT
18,08 zł
1 szt.
34
1619PA6921
Podkładka Sprężysta
5,29 zł
4 szt.
35
1619PA6936
Podkładka
4,06 zł
1 szt.
36
1619PA6937
Nakrętka Zabezpieczająca
4,06 zł
1 szt.
37
1619PA6938
Wkład
11,07 zł
1 szt.
38
1619PA6939
Wkręt Z Łbem Stożk. Płas.
5,29 zł
4 szt.
39
1619PA6940
Nakrętka
5,29 zł
1 szt.
40
1619PA6941
Wskazówka
Zapytaj
1 szt.
—
41
1619PA6942
Nakrętka
4,06 zł
1 szt.
42
1619PA6943
Wkręt Bez Łba
5,29 zł
1 szt.
43
1619PA6944
Wał Łożyskowy
7,13 zł
1 szt.
44
1619PA6945
Nakrętka Zabezpieczająca
4,06 zł
1 szt.
45
1619PA6922
Skala
4,06 zł
1 szt.
46
1619PA6946
OSŁONA
13,65 zł
1 szt.
48
1619PA6948
Sprężyna Skrętowa
4,06 zł
1 szt.
49
1619PA6949
ŚRUBA SPECJALNA
4,06 zł
1 szt.
50
1619PA6950
Kołpak Ochronny
53,26 zł
1 szt.
51
1619PA6951
OSŁONA
5,29 zł
1 szt.
52
1619PA6952
ŚRUBA SPECJALNA
5,29 zł
1 szt.
53
1619PA6953
Gniazdo mocujące
4,06 zł
1 szt.
54
1619PA6954
Zespół Dźwigni
16,85 zł
1 szt.
55
1619PA6955
Gniazdo mocujące
5,29 zł
2 szt.
56
1619PA6956
Podkładka
4,06 zł
2 szt.
57
1619PA6957
Śruba Z Łbem Płaskim
4,06 zł
1 szt.
58
1619PA6958
ŚRUBA SPECJALNA
4,06 zł
1 szt.
59
1619PA6959
Wspornik
110,33 zł
1 szt.
60
1619PA6960
Podkładka
4,06 zł
2 szt.
61
1619PA6961
Nakrętka Zabezpieczająca
4,06 zł
1 szt.
62
1619PA6962
NAKRĘTKA USTALAJĄCA
7,13 zł
1 szt.
63
1619PA6963
Dźwignia
7,13 zł
1 szt.
64
1619PA6964
Śruba Z Łbem Sześciokątn.
7,13 zł
3 szt.
65
1619PA6965
Cokół
377,24 zł
1 szt.
66
1619PA6923
BLACHA PRZESUWANA
13,65 zł
3 szt.
67
1619PA6966
Podkładka
4,06 zł
3 szt.
68
1619PA6967
Podkładka Sprężysta
Zapytaj
1 szt.
—
69
1619PA6968
Śruba Z Łbem Płaskim
4,06 zł
2 szt.
70
1619PA6969
Trzpień Ustalaj. Zatrzask
5,29 zł
1 szt.
71
1619PA6970
Pierścień Samouszczeln.
4,06 zł
1 szt.
72
1619PA6971
Wał Łożyskowy
11,07 zł
1 szt.
73
1619PA6972
Skala
9,59 zł
1 szt.
74
1619P03482
Trzpień
7,13 zł
1 szt.
75
1619PA7349
Wkręt Bez Łba
4,06 zł
1 szt.
76
1619PA6973
Kołnierz Mocujący
11,07 zł
1 szt.
78
1619PA7034
Nakrętka
4,06 zł
1 szt.
79
1619PA6975
Śruba Z Łbem Płaskim
4,06 zł
2 szt.
80
1619PA6976
Pokrywa Łożyska
5,29 zł
1 szt.
84
1619PA6980
KOŁO Z UZĘBIENIEM SKOŚNYM
53,26 zł
1 szt.
85
1619PA6981
Śruba Z Łbem Płaskim
4,06 zł
1 szt.
86
1619PA6982
Pierścień Zabezpieczajacy
4,06 zł
1 szt.
87
1619PA6983
Separator Pyłu
4,06 zł
1 szt.
88
1619PA6984
Tuleja Igłowa
7,13 zł
1 szt.
89
1619PA6985
CZĘŚĆ ZAMIENNA
235,67 zł
1 szt.
90
1619PA6986
Gniazdo mocujące
4,06 zł
1 szt.
91
1619PA6987
Śruba Z Łbem Sześciokątn.
4,06 zł
1 szt.
92
1619PA6988
Sworzeń Dystansowy
4,06 zł
1 szt.
93
1619PA6989
Wkręt Bez Łba
4,06 zł
1 szt.
94
1619PA6990
Nakrętka
4,06 zł
1 szt.
95
1619PA6991
Śruba Z Łbem Sześciokątn.
4,06 zł
1 szt.
96
1619PA6992
Pierścień Gumowy
5,29 zł
1 szt.
97
1619PA6993
Pierścień Kier. Powietrza
7,13 zł
1 szt.
98
1619PA6994
Śruba Z Łbem Płaskim
11,07 zł
2 szt.
99
1619PA6995
Rękojeść
38,87 zł
1 szt.
100
1619PA6996
Pierścień zabezpieczający
7,13 zł
1 szt.
101
1619PA6997
Wyzwalacz
7,13 zł
1 szt.
102
1619PA6998
Śruba Z Łbem Płaskim
4,06 zł
2 szt.
103
1619PA6999
Pokrywa Szczotki
4,06 zł
2 szt.
104
1619PA7000
Śruba Z Łbem Płaskim
4,06 zł
7 szt.
105
1619PA7001
Podkładka
4,06 zł
9 szt.
107
1619PA7003
Wkręt Bez Łba
4,06 zł
2 szt.
108
1619PA7004
Sprężyna Dociskowa
4,06 zł
1 szt.
109
1619PA7005
Sprężyna Skrętowa
4,06 zł
1 szt.
110
1619PA7006
Dźwignia Blokady
11,07 zł
1 szt.
111
1619PA7007
ŚRUBA SPECJALNA
4,06 zł
1 szt.
112
1619PA7008
Sprężyna Dociskowa
38,87 zł
1 szt.
113
1619PA7009
Element Oporowy Sprężyny
5,29 zł
1 szt.
114
1619PA7010
Kołek Ustalający
4,06 zł
1 szt.
129
1619PA7011
Blacha Narożna
11,07 zł
1 szt.
130
1619PA7012
Podkładka Sprężysta
4,06 zł
5 szt.
131
1619PA7013
Śr.Z Łb.Okr.O Gnieź.Sześ.
4,06 zł
3 szt.
132
1619PA7014
Płytka blokująca
4,06 zł
1 szt.
133
1619PA7015
Ramię Podporowe
8,36 zł
1 szt.
134
1619PA7016
Popychacz
5,29 zł
1 szt.
135
1619PA7017
Listwa zamykająca
5,29 zł
1 szt.
136
1619PA7018
TRZPIEŃ ZABEZPIECZAJĄCY
7,13 zł
1 szt.
137
1619PA7019
Sprężyna Dociskowa
4,06 zł
1 szt.
138
1619PA7020
ŁĄCZNIK
5,29 zł
1 szt.
139
1619PA7021
Gniazdo mocujące
4,06 zł
1 szt.
140
1619PA7022
Wpust Pasowany
4,06 zł
1 szt.
141
1619PA9477
Kołnierz Mocujący
18,08 zł
1 szt.
142
1619PA7024
NIT
4,06 zł
4 szt.
144
1619PA7026
Podkładka Sprężysta
4,06 zł
1 szt.
145
1619PA7027
Śruba Z Łbem Płaskim
Zapytaj
2 szt.
—
146
1619PA7028
Mocowanie
4,06 zł
1 szt.
147
1619PA7029
Podkładka
4,06 zł
1 szt.
148
1619PA7030
Element Dystansowy
4,06 zł
1 szt.
149
1619PA7031
Zestaw Przewodów
Zapytaj
1 szt.
—
651
1619PA7036
Sześciokątny Klucz Nasad.
7,13 zł
1 szt.
652
1619PA7037
Obejma Zaciskowa
38,87 zł
1 szt.
653
1619PA7046
Płyta Podporowa
11,07 zł
1 szt.
654
1619PA7051
WOREK NA PYŁ
20,66 zł
1 szt.
655
1619PA6916
PODSTAWA
53,26 zł
2 szt.
803
1619PA7056
Twornik
398,52 zł
1 szt.
810
1619PA7057
Zestaw Szczotek Węglowych
85,24 zł
1 szt.
847
1619PA7058
ŚRUBA SPECJALNA
4,06 zł
1 szt.
865
1619PA9488
Cokół
398,52 zł
1 szt.
881
1619PA7032
Śzpula
53,26 zł
1 szt.