Części
Maszyny
Kontakt
Home
Maszyny
Ukośnica
Bosch
UKOŚNICA GCM 800 SJ
3601M19030 -
UKOŚNICA Bosch GCM 800 SJ
100%
Poz:
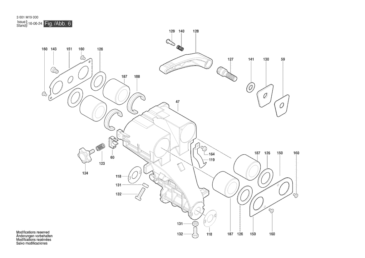
1
2
4
5
6
7
12
13
14
16
19
22
23
24
25
27
28
29
30
31
32
33
34
35
37
38
41
42
43
44
45
46
47
49
51
52
53
54
57
59
60
62
63
64
65
66
68
69
71
72
74
75
77
78
80
81
84
86
87
88
89
93
94
95
96
97
98
99
105
111
118
119
122
123
124
125
126
127
128
129
130
131
132
133
134
135
136
137
138
140
141
143
144
145
150
151
152
153
154
155
156
159
160
161
162
163
164
165
166
167
168
169
170
171
172
174
175
178
179
180
182
184
185
186
187
188
189
190
191
192
193
194
195
197
198
199
200
201
202
203
214
216
232
234
235
236
237
238
239
240
247
248
249
652
653
654
803
808
810
840
848
850
855
881
882
165 części
Sortuj
Poz.
Nr kat.
Nazwa
Cena brutto
Ilość
Zamów
1
1609B04181
Kadłub Silnika
74,00 zł
1 szt.
—
2
1619P04474
Stojan
105,00 zł
1 szt.
—
4
1609B04211
Przeł. Wejścia/Wyjścia
44,00 zł
1 szt.
—
5
1609B02230
Przewód Zasil. Sieciowy
49,00 zł
1 szt.
—
6
1609B01533
Tuleja Kabla
8,00 zł
1 szt.
—
7
1609B00821
UCHWYT PRZEWODU
8,00 zł
1 szt.
—
12
1609B02210
Kondensator Przeciwzakł.
9,00 zł
1 szt.
—
13
1609B04083
Łożysko Kulkowe
12,00 zł
1 szt.
—
14
1619P06374
NAKŁADKA ŁOZYSKOWA
34,00 zł
1 szt.
—
16
1619P06212
Uchwyt Szczotek
34,00 zł
2 szt.
—
19
1619P03833
Śruba
8,00 zł
2 szt.
—
22
1609B04117
Śruba
8,00 zł
3 szt.
—
23
1619P00291
Kula
8,00 zł
2 szt.
—
24
1609B04008
Kolpak Koncowy
25,00 zł
1 szt.
—
25
1609B00921
ŚRUBA SPECJALNA
8,00 zł
2 szt.
—
27
1619P06213
Wtyczka Kątowa
9,00 zł
2 szt.
—
28
1619P01642
Sprężyna Dociskowa
8,00 zł
1 szt.
—
29
1609B04070
Kołpak
9,00 zł
1 szt.
—
30
1609B04071
Płytka Zamykająca
9,00 zł
1 szt.
—
31
1609B04072
Pierścień Gumowy
8,00 zł
1 szt.
—
32
1609B04073
Jarzmo Prowadzące
22,00 zł
1 szt.
—
33
1609B04074
Nakrętka zamykająca
9,00 zł
1 szt.
—
34
1609B04075
ODCHYLACZ
9,00 zł
1 szt.
—
35
1609B04200
Osłona
8,00 zł
1 szt.
—
37
1609B04208
Śruba
8,00 zł
2 szt.
—
38
1609B02218
Kartka Z Ostrzeżeniem
12,00 zł
1 szt.
—
41
1609B02204
Tuleja Łożyskowa
13,00 zł
1 szt.
—
42
1609B02205
Tuleja Łożyskowa
9,00 zł
1 szt.
—
43
1609B04242
PRZYMIAR PROSTOKĄTNY
66,00 zł
1 szt.
—
44
1609B04243
PRZYMIAR PROSTOKĄTNY
66,00 zł
1 szt.
—
45
1609B02206
Śruba
8,00 zł
4 szt.
—
46
1609B05238
STÓŁ
281,00 zł
1 szt.
—
47
1609B02202
CZOP
198,00 zł
1 szt.
—
49
1609B02223
RAMIĘ
198,00 zł
1 szt.
—
51
1609B03746
Kolpak Koncowy
25,00 zł
1 szt.
—
52
1609B05243
Uchwyt Wyłącznika
49,00 zł
1 szt.
—
53
1609B02200
Osłona
12,00 zł
1 szt.
—
54
1609B02214
Osłona
8,00 zł
2 szt.
—
57
1609B05203
Trzpień
8,00 zł
1 szt.
—
59
1609B05296
Płyta
8,00 zł
1 szt.
—
60
1609B05298
Zaślepka
8,00 zł
1 szt.
—
62
1609B00717
Wskazówka
8,00 zł
1 szt.
—
63
1609B03714
PŁYTA
17,00 zł
1 szt.
—
64
1609B05236
DRĄŻEK
13,00 zł
1 szt.
—
65
1609B05268
Śruba
8,00 zł
2 szt.
—
66
1609B01949
Nakrętka
8,00 zł
3 szt.
—
68
1609B00703
Podkładka
8,00 zł
2 szt.
—
69
1609B00662
Szyba
9,00 zł
1 szt.
—
71
1609B04244
Płyta Zderzakowa
8,00 zł
1 szt.
—
72
1609B02220
Śruba
8,00 zł
1 szt.
—
74
1609B00704
Nakrętka Zaciskowa
8,00 zł
1 szt.
—
75
1609B00670
Szyba
9,00 zł
1 szt.
—
77
1609B00705
Tuleja Gumowa
8,00 zł
4 szt.
—
78
1609B03722
Śruba
8,00 zł
1 szt.
—
80
1609BP7098
Pierścień Gumowy
8,00 zł
1 szt.
—
81
1609BP7026
Klucz Imbusowy
13,00 zł
1 szt.
—
84
1609B05242
Powierzchnia Przylegania
15,00 zł
1 szt.
—
86
1609B05240
DRĄŻEK
11,00 zł
1 szt.
—
87
1609B04079
Guzik
31,00 zł
1 szt.
—
88
1609B05241
Dźwignia
11,00 zł
1 szt.
—
89
1609B02211
Sprężyna
8,00 zł
1 szt.
—
93
1609BP7341
Nakładka kontaktowa
8,00 zł
1 szt.
—
94
1609B03727
Stopa Przyrządu
11,00 zł
1 szt.
—
95
1609B03729
PŁYTA
8,00 zł
1 szt.
—
96
1609B04108
Wał Łożyskowy
17,00 zł
1 szt.
—
97
1609B04086
Śruba
11,00 zł
11 szt.
—
98
1609B03723
Śruba
8,00 zł
1 szt.
—
99
1609B01324
Podkładka
8,00 zł
2 szt.
—
105
1609BP7143
Wkręt Bez Łba
8,00 zł
2 szt.
—
111
1609B01668
PODKŁADKA
8,00 zł
1 szt.
—
118
1609B01457
PŁYTA
8,00 zł
2 szt.
—
119
1609B03758
Wskazówka
9,00 zł
1 szt.
—
122
1609B03749
Śr.Z Łb.Okr.O Gnieź.Sześ.
8,00 zł
2 szt.
—
123
1609BP7343
Nakładka kontaktowa
8,00 zł
1 szt.
—
124
1609B03755
Guzik
9,00 zł
1 szt.
—
125
1609B03762
Wirnik
31,00 zł
1 szt.
—
126
1609B03763
Pierścień Filcowy
8,00 zł
4 szt.
—
127
1609B03769
Trzpień
12,00 zł
1 szt.
—
128
1609B02215
Dźwignia
8,00 zł
1 szt.
—
129
1609BP7081
Śruba
8,00 zł
1 szt.
—
130
1609B03773
TALERZ CIERNY
31,00 zł
1 szt.
—
131
1609B01041
Nakrętka Sześciokątna
8,00 zł
2 szt.
—
132
1609B03776
Kołek Zderzakowy
8,00 zł
2 szt.
—
133
1609B03771
Trzpień Przegubu
25,00 zł
1 szt.
—
134
1609B03779
Wkręt Szyjkowy
9,00 zł
1 szt.
—
135
1609B03754
Tuleja Łożyskowa
8,00 zł
2 szt.
—
136
1609B03767
Trzpień Ustalaj. Zatrzask
13,00 zł
1 szt.
—
137
1609B03757
Zacisk Urządzenia
9,00 zł
1 szt.
—
138
1609B00601
Pierścień Samouszczeln.
9,00 zł
1 szt.
—
140
1609BP7053
Sprężyna Dociskowa
8,00 zł
1 szt.
—
141
1609BP7045
Podkładka
8,00 zł
1 szt.
—
143
1609B03753
Ogranicznik przesuwny
9,00 zł
2 szt.
—
144
1609B03752
NAKRĘTKA SPECJALNA
15,00 zł
2 szt.
—
145
1609B00660
Podkładka Sprężysta
8,00 zł
1 szt.
—
150
1609B02203
Blacha Przytrzymująca
9,00 zł
1 szt.
—
151
1609B03766
Blacha Przytrzymująca
8,00 zł
1 szt.
—
152
1609B03775
ODSYSANIE PYŁÓW
31,00 zł
1 szt.
—
153
1609B03777
Wkręt Bez Łba
8,00 zł
2 szt.
—
154
1609B02213
Wkręt Szyjkowy
8,00 zł
1 szt.
—
155
1609B01512
Zacisk Przewodu
8,00 zł
1 szt.
—
156
1609B00339
Uchwyt Przewodu
11,00 zł
2 szt.
—
159
1609B04204
Wspornik
9,00 zł
1 szt.
—
160
1609B01561
Śruba
8,00 zł
7 szt.
—
161
1609B05201
ŚRUBA
9,00 zł
1 szt.
—
162
1609B00623
Śruba
8,00 zł
2 szt.
—
163
1609B01168
Śruba Samogwintująca
8,00 zł
1 szt.
—
164
1609B01690
Śruba
8,00 zł
1 szt.
—
165
1609B02209
Sprężyna Skrętowa
49,00 zł
1 szt.
—
166
1609B02222
Tuleja
8,00 zł
2 szt.
—
167
1609B01602
PŁYTA
8,00 zł
2 szt.
—
168
1609B04188
DOLNA CZĘŚĆ OSŁONY
54,00 zł
1 szt.
—
169
1609B04001
Zespół Dźwigni
44,00 zł
1 szt.
—
170
1609B04002
Osłona
8,00 zł
1 szt.
—
171
1609B04004
Sprężyna
9,00 zł
1 szt.
—
172
1609BP7145
Śruba
8,00 zł
1 szt.
—
174
1609B01255
Łożysko Kulkowe
22,00 zł
1 szt.
—
175
1609B02201
MODUŁ „SOFT-START”
105,00 zł
1 szt.
—
178
1609B00974
Nakrętka zamykająca
8,00 zł
2 szt.
—
179
1609BP7134
Wkręt Do Blach
8,00 zł
3 szt.
—
180
1609B04248
Plomba Zamykająca
9,00 zł
1 szt.
—
182
1609B04205
Wkręt Bez Łba
8,00 zł
2 szt.
—
184
1609BT4033
Nakrętka
8,00 zł
1 szt.
—
185
1609BP7068
Pierścień Zabezpieczajacy
9,00 zł
1 szt.
—
186
1609BP7050
Szyba
12,00 zł
1 szt.
—
187
1609B03774
Łożysko Kulkowe
44,00 zł
4 szt.
—
188
1609B03780
Element Dystansowy
8,00 zł
2 szt.
—
189
1600200029
Łożysko Ślizgowe
15,00 zł
1 szt.
—
190
1609B04017
Odchylacz
17,00 zł
1 szt.
—
191
1609B04028
Odchylacz
25,00 zł
1 szt.
—
192
1609B04018
Kołnierz Mocujący
31,00 zł
1 szt.
—
193
1609B06289
Kołnierz Mocujący
17,00 zł
1 szt.
—
194
1609BP7061
ŚRUBA ZACISKOWA
11,00 zł
1 szt.
—
195
1609B04020
Koło
8,00 zł
1 szt.
—
197
1609B04029
Wyzwalacz
9,00 zł
1 szt.
—
198
1609B04021
Listwa zamykająca
9,00 zł
1 szt.
—
199
1609B04022
Sprężyna Dociskowa
8,00 zł
1 szt.
—
200
1609B00637
Wkręt Do Blach
8,00 zł
4 szt.
—
201
1609B00973
Śruba
8,00 zł
2 szt.
—
202
1609B00627
Śruba
11,00 zł
4 szt.
—
203
1609B00458
Szybki Montaż
8,00 zł
1 szt.
—
214
1609B00583
Wąż Skurczowy
8,00 zł
1 szt.
—
216
1609B01538
Opaska zaciskowa
8,00 zł
1 szt.
—
232
1609B00691
Nakrętka
11,00 zł
2 szt.
—
234
1609B03791
Gumowa nakładka
9,00 zł
1 szt.
—
235
1609B04225
Podkładka
8,00 zł
2 szt.
—
236
1609B04220
Taśma Gumowa
9,00 zł
1 szt.
—
237
1609B02221
Osłona
8,00 zł
1 szt.
—
238
1609B04222
Taśma Gumowa
9,00 zł
1 szt.
—
239
1609B00633
Śruba
8,00 zł
2 szt.
—
240
1609BP7059
ŁĄCZNIK
9,00 zł
1 szt.
—
247
1609B04228
Pierścień Samouszczeln.
17,00 zł
1 szt.
—
248
1609B00799
Tuleja Łożyskowa
9,00 zł
1 szt.
—
249
1609B05329
Zacisk Urządzenia
4,06 zł
1 szt.
—
652
1609B04224
Obejma Zaciskowa
66,00 zł
1 szt.
—
653
1609B02225
Jednostka Tłumiąca
66,00 zł
1 szt.
—
654
1609B02418
Wkręt Szyjkowy
9,00 zł
2 szt.
—
803
1609B03793
Zespół Wirnika
244,00 zł
1 szt.
—
808
1609BN0131
Tabliczka Znamionowa
12,00 zł
1 szt.
—
810
1609B06661
Zestaw Szczotek Węglowych
59,00 zł
1 szt.
—
840
1609B02472
Cokół Montażowy
359,00 zł
1 szt.
—
848
1609B02471
Jarzmo
359,00 zł
1 szt.
—
850
1609B05349
Pokrywa przekładni
44,00 zł
1 szt.
—
855
1609B03789
Wal Napedowy
140,00 zł
1 szt.
—
881
1609B02207
Przewód Przyłączeniowy
9,00 zł
1 szt.
—
882
1609B02208
Przewód Przyłączeniowy
9,00 zł
1 szt.
—